Ответ на вопрос №222421: Как должна соотносится в схеме модулятора частота выходного сигнала (Uвых) с частотой сетевого сигнала (Uсети)? частота выходного сигнала (Uвых) не зависит от частоты сетевого сигнала (Uсети) частота выходного сигнала (Uвых) равна частоте сетевого сигнала (Uсети) частота выходного сигнала (Uвых) больше частоты сетевого сигнала (Uсети) частота выходного сигнала (Uвых) меньше частоты сетевогоКак должна соотносится в схеме модулятора частота выходного сигнала - Ответ на вопрос №222421Как должна соотносится в схеме модулятора частота выходного сигнала - Ответ на вопрос №222421
2024-12-172024-12-17СтудИзба
Как должна соотносится в схеме модулятора частота выходного сигнала - Ответ на вопрос №222421
-47%
Вопрос
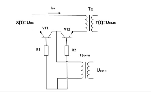
Как должна соотносится в схеме модулятора частота выходного сигнала (Uвых) с частотой сетевого сигнала (Uсети)?
- частота выходного сигнала (Uвых) не зависит от частоты сетевого сигнала (Uсети)
- частота выходного сигнала (Uвых) равна частоте сетевого сигнала (Uсети)
- частота выходного сигнала (Uвых) больше частоты сетевого сигнала (Uсети)
- частота выходного сигнала (Uвых) меньше частоты сетевого сигнала (Uсети)
Ответ
Этот вопрос в коллекциях

Гарантия сдачи без лишних хлопот! ✅🎓 Ответы на тесты по любым дисциплинам, базы вопросов, работы и услуги для Синергии, МЭИ и других вузов – всё уже готово! 🚀 🎯📚 Гарантия качества – или возврат денег! 💰✅