Ответ на вопрос по инженерной графике №1061954: На рисунке (см. ниже) буквой d обозначен … наружный диаметр стержня внутренний диаметр резьбы средний диаметр резьбы наружный диаметр резьбы На рисунке (см. ниже) буквой d обозначен … - Ответ на вопрос по инженерной графике №1061954На рисунке (см. ниже) буквой d обозначен … - Ответ на вопрос по инженерной графике №1061954
2025-12-032025-12-03СтудИзба
На рисунке (см. ниже) буквой d обозначен … - Ответ на вопрос по инженерной графике №1061954
Вопрос
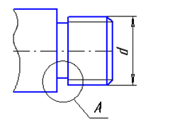
На рисунке (см. ниже) буквой d обозначен …
- наружный диаметр стержня
- внутренний диаметр резьбы
- средний диаметр резьбы
- наружный диаметр резьбы
Ответ
Этот вопрос в коллекциях





















