Ответ на вопрос по информатике №4010: На входе логической схемы при F=1 возможна следующая комбинация сигналов (А, В, С) ... (0 1 1) (1 0 0) (1 1 0) На входе логической схемы при F=1 возможна следующая - Ответ на вопрос по информатике №4010На входе логической схемы при F=1 возможна следующая - Ответ на вопрос по информатике №4010
2023-12-152023-12-15СтудИзба
На входе логической схемы при F=1 возможна следующая - Ответ на вопрос по информатике №4010
-47%
Вопрос
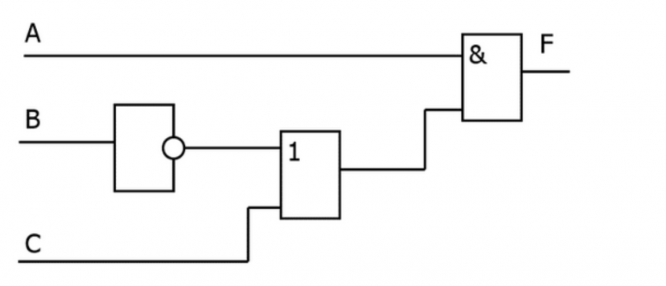
На входе логической схемы при F=1 возможна следующая комбинация сигналов (А, В, С) ...- (0 1 1)
- (1 0 0)
- (1 1 0)
Ответ

Хочешь зарабатывать на СтудИзбе больше 10к рублей в месяц? Научу бесплатно!
Начать зарабатывать
Начать зарабатывать
zzyxel


















