Ответ на вопрос по электронике №321750: Элемент ТТЛ управляет ключом на транзисторе. Выходные параметры ТТЛ элемента: U1 вых=2.4 В; U 0 вых=0.4 В; Iвых=400 мкА (при U1 вых ); Iвых=16 мА (при U0 вых ). Рассчитайте значение Rб, приняв базовое напряжение насыщения транзистора Uбэ=0.8 В. Элемент ТТЛ управляет ключом на транзисторе. Выходные - Ответ на вопрос по электронике №321750Элемент ТТЛ управляет ключом на транзисторе. Выходные - Ответ на вопрос по электронике №321750
2025-03-272025-03-27СтудИзба
Элемент ТТЛ управляет ключом на транзисторе. Выходные - Ответ на вопрос по электронике №321750
-47%
Вопрос
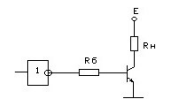
Элемент ТТЛ управляет ключом на транзисторе. Выходные параметры ТТЛ элемента: U1 вых=2.4 В; U 0 вых=0.4 В; Iвых=400 мкА (при U1 вых ); Iвых=16 мА (при U0 вых ). Рассчитайте значение Rб, приняв базовое напряжение насыщения транзистора Uбэ=0.8 В.
Ответ

Если нужен другой вариант работы или отдельная задача из любой работы, пишите в комментарии

















