Ответ на вопрос по электронике №321744: Укажите цепь, по которой протекает ток, поддерживающий стабилитрон во включенном состоянии при отрицательной полуволне входного напряжения. Ro – VD1 – VD5 – VD4 Ro – VD2 – VD5 – VD3 VD4 – VD5 – VD1 – Ro VD3 – VD5 – VD2 – Ro Укажите цепь, по которой протекает ток, - Ответ на вопрос по электронике №321744Укажите цепь, по которой протекает ток, - Ответ на вопрос по электронике №321744
2025-03-272025-03-27СтудИзба
Укажите цепь, по которой протекает ток, - Ответ на вопрос по электронике №321744
-47%
Вопрос
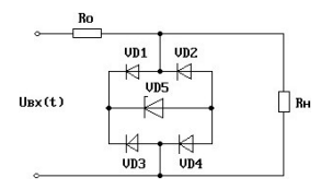
Укажите цепь, по которой протекает ток, поддерживающий стабилитрон во включенном состоянии при отрицательной полуволне входного напряжения.
- Ro – VD1 – VD5 – VD4
- Ro – VD2 – VD5 – VD3
- VD4 – VD5 – VD1 – Ro
- VD3 – VD5 – VD2 – Ro
Ответ

Если нужен другой вариант работы или отдельная задача из любой работы, пишите в комментарии

















