Ответ на вопрос по электронике №321743: Рассчитайте величину сопротивления Rб, если С1=С2=0.1 мкФ, а период генерируемых колебаний Т=1.4 мс. Транзисторы считать идеальными ключами. Рассчитайте величину сопротивления Rб, если С1=С2=0.1 - Ответ на вопрос по электронике №321743Рассчитайте величину сопротивления Rб, если С1=С2=0.1 - Ответ на вопрос по электронике №321743
2025-03-272025-03-27СтудИзба
Рассчитайте величину сопротивления Rб, если С1=С2=0.1 - Ответ на вопрос по электронике №321743
-47%
Вопрос
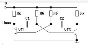
Рассчитайте величину сопротивления Rб, если С1=С2=0.1 мкФ, а период генерируемых колебаний Т=1.4 мс. Транзисторы считать идеальными ключами.
Ответ

Если нужен другой вариант работы или отдельная задача из любой работы, пишите в комментарии
















