Ответ на вопрос по электронике №321741: Дано: VT1 – КТ117А, Rbb=5 к при t=25°C, η=0.5, tк – 0.8 % на 1°С, Iвкл=20 мкА, Iвыкл=9 мА, Rнас=20 Ом, Uд=0.5 В. Определите Icmax, если Е=21 В, R2=10 кОм, t=25°C, R1=0, Rt=30 кОм, С=1 мкФ. Дано: VT1 – КТ117А, Rbb=5 к при t=25°C, η=0.5, tк – - Ответ на вопрос по электронике №321741Дано: VT1 – КТ117А, Rbb=5 к при t=25°C, η=0.5, tк – - Ответ на вопрос по электронике №321741
2025-03-272025-03-27СтудИзба
Дано: VT1 – КТ117А, Rbb=5 к при t=25°C, η=0.5, tк – - Ответ на вопрос по электронике №321741
-47%
Вопрос
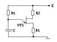
Дано: VT1 – КТ117А, Rbb=5 к при t=25°C, η=0.5, tк – 0.8 % на 1°С, Iвкл=20 мкА, Iвыкл=9 мА, Rнас=20 Ом, Uд=0.5 В. Определите Icmax, если Е=21 В, R2=10 кОм, t=25°C, R1=0, Rt=30 кОм, С=1 мкФ.
Ответ

Если нужен другой вариант работы или отдельная задача из любой работы, пишите в комментарии

















