Ответ на вопрос по электронике №321738: На вход 1 ждущего блокинг-генератора поступает сигнал 1. Укажите осциллограмму напряжения на R1. На вход 1 ждущего блокинг-генератора поступает сигнал - Ответ на вопрос по электронике №321738На вход 1 ждущего блокинг-генератора поступает сигнал - Ответ на вопрос по электронике №321738
2025-03-272025-03-27СтудИзба
На вход 1 ждущего блокинг-генератора поступает сигнал - Ответ на вопрос по электронике №321738
-47%
Вопрос
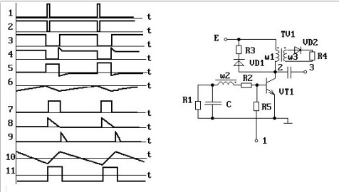
На вход 1 ждущего блокинг-генератора поступает сигнал 1. Укажите осциллограмму напряжения на R1.
Ответ

Если нужен другой вариант работы или отдельная задача из любой работы, пишите в комментарии

















