Ответ на вопрос по электронике №321736: На вход 1 ждущего блокинг-генератора поступает сигнал 1. Укажите осциллограмму тока в цепи VD1. На вход 1 ждущего блокинг-генератора поступает сигнал - Ответ на вопрос по электронике №321736На вход 1 ждущего блокинг-генератора поступает сигнал - Ответ на вопрос по электронике №321736
2025-03-272025-03-27СтудИзба
На вход 1 ждущего блокинг-генератора поступает сигнал - Ответ на вопрос по электронике №321736
-47%
Вопрос
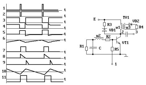
На вход 1 ждущего блокинг-генератора поступает сигнал 1. Укажите осциллограмму тока в цепи VD1.
Ответ

Если нужен другой вариант работы или отдельная задача из любой работы, пишите в комментарии

















