Ответ на вопрос по электронике №321726: Определите схемы квазирезонансных преобразователей. Определите схемы квазирезонансных преобразователей. - Ответ на вопрос по электронике №321726Определите схемы квазирезонансных преобразователей. - Ответ на вопрос по электронике №321726
2025-03-272025-03-27СтудИзба
Определите схемы квазирезонансных преобразователей. - Ответ на вопрос по электронике №321726
-42%
Вопрос
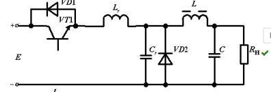
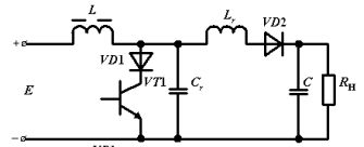
Определите схемы квазирезонансных преобразователей.Ответ

Если нужен другой вариант работы или отдельная задача из любой работы, пишите в комментарии



















