Ответ на вопрос по электронике №321721: На рисунках представлены схемы цепи, формирующей траекторию переключения транзистора. Какие из приведенных цепей работают только на интервале выключения транзистора? На рисунках представлены схемы цепи, формирующей - Ответ на вопрос по электронике №321721На рисунках представлены схемы цепи, формирующей - Ответ на вопрос по электронике №321721
2025-03-272025-03-27СтудИзба
На рисунках представлены схемы цепи, формирующей - Ответ на вопрос по электронике №321721
-47%
Вопрос
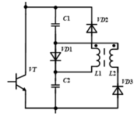
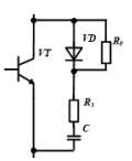
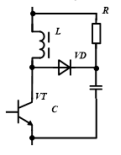
На рисунках представлены схемы цепи, формирующей траекторию переключения транзистора. Какие из приведенных цепей работают только на интервале выключения транзистора?Ответ

Если нужен другой вариант работы или отдельная задача из любой работы, пишите в комментарии




















