Ответ на вопрос по электронике №321719: На рисунке представлен преобразователь, который является… повышающим ШИМ-преобразователем. понижающим квазирезонансным преобразователем. понижающим ШИМ-преобразователем. повышающим квазирезонансным преобразователем. На рисунке представлен преобразователь, который - Ответ на вопрос по электронике №321719На рисунке представлен преобразователь, который - Ответ на вопрос по электронике №321719
2025-03-272025-03-27СтудИзба
На рисунке представлен преобразователь, который - Ответ на вопрос по электронике №321719
-47%
Вопрос
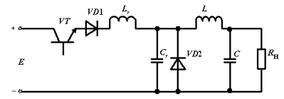
На рисунке представлен преобразователь, который является…
- повышающим ШИМ-преобразователем.
- понижающим квазирезонансным преобразователем.
- понижающим ШИМ-преобразователем.
- повышающим квазирезонансным преобразователем.
Ответ

Если нужен другой вариант работы или отдельная задача из любой работы, пишите в комментарии