Ответ на вопрос по электронике №17298: Какое утверждение является правильным? При напряжении на вторичной обмотке трансформатора =10 В в схеме, напряжение на нагрузке: Какое утверждение является правильным? При напряжении - Ответ на вопрос по электронике №17298Какое утверждение является правильным? При напряжении - Ответ на вопрос по электронике №17298
2024-01-292024-01-29СтудИзба
Какое утверждение является правильным? При напряжении - Ответ на вопрос по электронике №17298
Вопрос
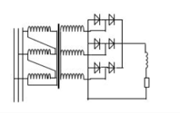
Какое утверждение является правильным?При напряжении на вторичной обмотке трансформатора =10 В в схеме, напряжение на нагрузке:

Ответ
Алёна Руденко
alena.rudenko.88























