Ответ на вопрос по электронике №17292: Какую форму имеет ток, протекающий через первичную обмотку трансформатора в схеме? Какую форму имеет ток, протекающий через первичную - Ответ на вопрос по электронике №17292Какую форму имеет ток, протекающий через первичную - Ответ на вопрос по электронике №17292
2024-01-292024-01-29СтудИзба
Какую форму имеет ток, протекающий через первичную - Ответ на вопрос по электронике №17292
Вопрос
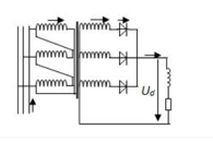
Какую форму имеет ток, протекающий через первичную обмотку трансформатора в схеме?
Ответ
Алёна Руденко
alena.rudenko.88





















