Ответ на вопрос по электронике №17288: Какой вид имеет ток, показанный на рис. 2б, рис.2в, рис.2г, протекающий через транзистор в схеме рис.1? Какой вид имеет ток, показанный на рис. 2б, рис.2в, - Ответ на вопрос по электронике №17288Какой вид имеет ток, показанный на рис. 2б, рис.2в, - Ответ на вопрос по электронике №17288
2024-01-292024-01-29СтудИзба
Какой вид имеет ток, показанный на рис. 2б, рис.2в, - Ответ на вопрос по электронике №17288
Вопрос
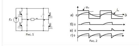
Какой вид имеет ток, показанный на рис. 2б, рис.2в, рис.2г, протекающий через транзистор в схеме рис.1?
Ответ
Алёна Руденко
alena.rudenko.88
























