Выходное напряжение дифференцирующего усилителя - Ответ на вопрос по электронике №1109457
-42%
Вопрос
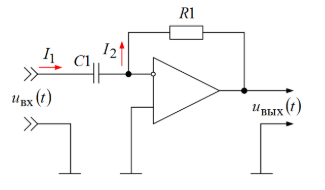
Выходное напряжение дифференцирующего усилителя
Ответ

Если нужен другой вариант работы или отдельная задача из любой работы, пишите в комментарии















