Среднее значение тока, протекающего через диод равно - Ответ на вопрос по электронике №1109435
-42%
Вопрос
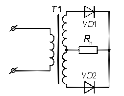
Среднее значение тока, протекающего через диод равно
Выберите один ответ:- половине среднего значения тока нагрузки
- удвоенному среднему значению тока нагрузки
- среднему значению тока нагрузки, деленному на коэффициент схемы
- среднему значению тока нагрузки
Ответ

Если нужен другой вариант работы или отдельная задача из любой работы, пишите в комментарии















