Для чего необходим диод VD1 в схеме одновибратора? - Ответ на вопрос по электронике №1109274
-32%
Вопрос
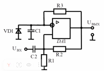
Для чего необходим диод VD1 в схеме одновибратора?
Выберите один или несколько ответов:- для формирования требуемой длительности выходного импульса напряжения
- для запуска схемы отрицательным импульсом напряжения
- для создания ждущего режима работы
- для запуска схемы положительным импульсом напряжения
- для увеличения скорости заряда-разряда конденсатора
- для формирования коэффициента отрицательной обратной связи
Ответ

Если нужен другой вариант работы или отдельная задача из любой работы, пишите в комментарии














