В симметричной трехфазной цепи линейное напряжение UЛ = 75 В. - Ответ на вопрос по ЭиЭ №284534
-42%
Вопрос
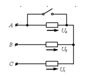
В симметричной трехфазной цепи линейное напряжение UЛ = 75 В. Если сопротивление фазы «a» закорочено, то фазное напряжение Ub равно ... В.
Ответ
Этот вопрос в коллекциях

Гарантия сдачи без лишних хлопот! ✅🎓 Ответы на тесты по любым дисциплинам, базы вопросов, работы и услуги для Синергии, МЭИ и других вузов – всё уже готово! 🚀 🎯📚 Гарантия качества – или возврат денег! 💰✅ По любым вопросам: ➡️ {new_chat_mini} ⬅️
















