Укажите количество контуров на представленной электрической - Ответ на вопрос по ЭиЭ №284216
-37%
Вопрос
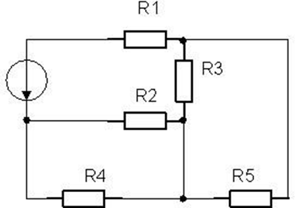
Укажите количество контуров на представленной электрической схеме.
Ответ
Этот вопрос в коллекциях

🎓 Поможем сдать всё — тесты, практику, экзамены, курсовые, дипломы, отчёты! Закроем долги под ключ 🔑 Ведём от первой сессии до диплома 🏆 Работаем с Синергией, МЭИ и другими вузами 🤝 Гарантия результата или возврат денег 💰 Пиши! 🚀
















