Указанной электрической цепи переменного тока, при xC > xL - Ответ на вопрос по ЭиЭ №284036
-37%
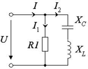
Вопрос
Указанной электрической цепи переменного тока, при xC > xL соответствует векторная диаграмма
Ответ
Этот вопрос в коллекциях

🎓 Поможем сдать всё — тесты, практику, экзамены, курсовые, дипломы, отчёты! Закроем долги под ключ 🔑 Ведём от первой сессии до диплома 🏆 Работаем с Синергией, МЭИ и другими вузами 🤝 Гарантия результата или возврат денег 💰 Пиши! 🚀















