Тональные рельсовые цепи
2.15 КОНСПЕКТ
для проведения технических занятий по теме «Тональные рельсовые цепи»
Схема рельсовой цепи тональной частоты (ТРЦ) представляет собой классическую схему бесстыковой РЦ, в которой от одного источника сигнального тока (генератора) осуществляется питание двух смежных РЦ. В ТРЦ использован частотный амплитудно-модулированный сигнал. В зависимости от используемой частоты рабочего сигнала различают две разновидности ТРЦ: ТРЦ3 и ТРЦ4.
В ТРЦ3 (аппаратура третьего поколения) несущими частотами являются частоты 420,480,580,720 и 780 Гц. Частотами модуляции являются частоты 8 или 12 Гц. В высокочастотных ТРЦ4 несущими являются частоты: 4500,5000,5500 Гц;частотами модуляции-8 или 12 Гц.
Бесстыковые рельсовые цепи не имеют четко выраженной точки шунтирования, и рельсовые цепи в диапазоне 420-780 Гц имеют плавающую в завимости от состояния сопротивления балласта точку шунтирования в пределах около 10% от длины рельсовой цепи (зона дополнительного шунтирования). С целью уменьшения зоны дополнительного шунтирования и для исключения перекрытия светофора перед движущимся поездом у каждой сигнальной установки устраиваются две короткие (длиной до 300 м)разделительные высокочастотные рельсовые цепи в диапазоне 4,5; 5 или 5,5 кГц и с частотой модуляции 8 или 12 Гц, которые имеют зону дополнительного шунтирования не более 15 м. В дополнение к этому проходной светофор относится на 20 м навстречу движения поезда от точки подключения питающего конца высокочастотной рельсовой цепи.
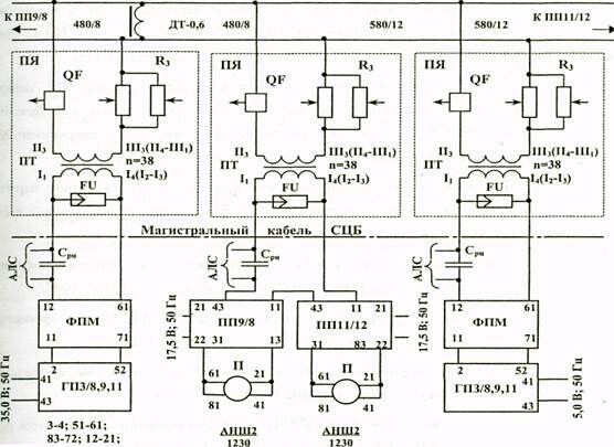
В состав основной аппаратуры ТРЦ3 входят:
- путевой генератор ГП3,
Рекомендуемые материалы
- путевой фильтр ФПМ,
- путевой приемник ПП,
- уравнивающий трансформатор УТ3.
Блок путевого генератора имеет две разновидности: ГП3 8,9,11 и ГП3 11,14,15. Аналогичные разновидности имеет блок путевого фильтра (ФПМ 8,9,11 и ФПМ 11,14,15). Номера 8,9,11,14,15 в обозначении генераторов и фильтров соответствуют несущим частотам 420,480,580,720,780 Гц.
Таким образом, первая разновидность генераторов предназначена для формирования и передачи сигналов с несущими частотами 420,480,580 Гц, а вторая –с частотами 580,720 и 780 Гц.
Генераторы имеют светодиодную индикацию. Ровное свечение одного светодиода свидетельствует о наличии питания на выходном каскаде. Мигающее свечение другого светодиода указывает на нормальную работу задающих генераторов и предварительного усилителя блока ГП3.
Блок путевого приемника имеет 10 разновидностей, отличающихся приемом сигналов с различной несущей частотой и частотой модуляции. Он может иметь следующие обозначения: ПП-8/8,ПП-8/12,ПП-9/8,ПП-9/12,ПП-11/8,ПП-11/12,ПП-14/8,ПП-14/12,ПП-15/8,ПП-15/12. Первая цифра в обозначении приемников указывает номер принимаемой несущей частоты, а вторая – частоту модуляции (8 или 12 Гц).
Приемники имеют светодиодную индикацию. Светящееся состояние одного из диодов указывает на наличие электропитания, мигающий режим обоих светодиодов соответствует приему рабочего сигнала. Нагрузкой приемников является реле АНШ2-1230 с параллельно включенными обмотками. Основанием конструкции приемника ПП является плата реле ДСШ. Аппаратура рассчитана для установки как в постовых условиях, так и в шкафах автоблокировки. Генератор ГП3 и фильтр ФПМ представляет собой конструкцию, собранную на базе реле НШ с использованием его колодки в качестве несущей части блока. Рабочий диапазон температур окружающей среды для аппаратуры ТРЦ3 находится в пределах от –40 Град.С до +65 Град.С.
Уравнивающий трансформатор УТ3 устанавливается в более короткой ТРЦ, когда длины смежных ТРЦ, питаемых от одного генератора, отличаются на 20% и более.
В состав основной аппаратуры тональных рельсовых цепей ТРЦ4 входят:
-путевой генератор ГП4,
- путевой фильтр ФРЦ4Л,
- путевой приемник ПРЦ4Л.
Блоки ГП4 и ФРЦ4Л имеют одну разновидность. Каждый из блоков с помощью внешних перемычек может быть настроен для работы на одной из трех несущих частот: 4,5; 5 или 5,5 кГц.
Блок путевого приемника ПРЦ4Л имеет шесть разновидностей, отличающихся несущей частотой и частотой модуляции принимаемого рабочего сигнала. Он может иметь следующие обозначения: ПРЦ4Л-4/8; ПРЦ4Л-4/12; ПРЦ4Л-5/8; ПРЦ4Л-5/12; ПРЦ4Л-6/8, ПРЦ4Л-6/12. Первая цифра в обозначении разновидностей указывает частоту несущей в кГц, а вторая-частоту модуляции в Гц. Аппаратура ТРЦ4 рассчитана на установку как в постовых условиях, так и шкафах автоблокировки. Она выполнена на базе типовых конструкций. Генератор ГП4 представляет собой конструкцию, собранную на базе реле НШ. Основанием конструкции блока ПРЦ4Л является плата реле ДСШ. Фильтр ФРЦ4Л конструктивно размещен в корпусе реле НМШ.
Передающая аппаратура ТРЦ3 состоит из:
- генератора ГП3;
- путевого фильтра ФПМ.
Генератор ГП3 предназначен для формирования и усиления амплитудно-модулированного сигнала для работы ТРЦ.
Путевой фильтр ФПМ обеспечивает защиту выходных цепей генератора ГП3 от влияния токов локомотивной сигнализации, тягового тока и атмосферных помех. Фильтр ФПМ формирует по условиям работы рельсовой цепи обратное входное сопротивление питающего конца. Путевой фильтр служит для гальванического разделения выходной цепи генератора от кабеля и получения на нем требуемых напряжений при относительно низких выходных напряжениях генератора.
Последовательно с выходом путевого фильтра установлен конденсатор Срц, являющийся согласующим элементом передающих устройств АЛС.
Амплитудно-модулированный сигнал поступает в кабельную линию, а затем на первичную обмотку путевого трансформатора ПТ. Со вторичной обмотки ПТ он поступает в рельсовую линию, а пройдя ее, на ПТ релейного (приемного конца).
Для обеспечения требуемого сопротивления питающего и приемного концов и для защиты от воздействия тягового тока на них могут быть установлены защитные резисторы (R3) последовательно со вторичной обмоткой ПТ. Для защиты аппаратуры рельсовой цепи от перенапряжений на питающем и приемном концах устанавливаются автоматические выключатели АВМ-2, 15А и разрядники РКН-600 или выравниватели ВОЦН-220 (или ВОЦН-380).
Сигнал из рельсовой линии поступает в путевой приемник ПП, который служит для приема амплитудно-модулированного (АМ) сигнала и возбуждения путевого реле П при свободном состоянии рельсовой цепи и напряжении АМ-сигнала на его входе выше определенного порогового значения.
Электропитание аппаратуры ТРЦ осуществляется от источников однофазного переменного тока частотой 50 Гц через трансформаторы ПОБС-5МП:
На питающем конце ТРЦ4 используют блоки ГП4, ФРЦ4Л, а на приемном блок ПРЦ4Л. В остальном схема ТРЦ4 аналогична схеме ТРЦ3.
Генератор ГП4 предназначен для формирования и усиления амплитудно-модулированных сигналов для работы ТРЦ4.
Основное назначение фильтра ФРЦ4Л-защита генератора ГП4 от токов АЛС в диапазоне 25-325 Гц. Кроме этого фильтр обеспечивает по условиям выполнения основных режимов работы рельсовой цепи сопротивление аппаратуры питающего конца. При этом выходное сопротивление его с учетом внутреннего сопротивления генератора составляет 120-160 Ом.
Особенности поиска неисправностей заключается в том, что питание смежных РЦ, как правило, осуществляется от одного общего питающего конца, а приемники смежных РЦ включают последовательно в одну общую сигнальную пару. Это в большинстве случаев позволяет по реакции приемных устройств на повреждение выявить его характер и возможное место. Например при ложной занятости ТРЦ:
Бесплатная лекция: "Вопросы населения" также доступна.
· Если путевые реле обесточены в смежных рельсовых цепях с общим питающим концом то неисправность следует искать в цепи питающего конца от генератора до рельсовых нитей.
· Если на приемном конце смежных РЦ с разными питающими концами обесточены оба путевых реле то неисправность следует искать в цепи приемного конца этих рельсовый цепей от рельсовых нитей до входа приемников. Если напряжение на входе приемников соответствует данным регулировочной таблицы, то следует проверить наличие напряжения питания приемников на выводах 21-22.
· Если обесточено путевое реле в одной из смежных рельсовых цепей с общим питающим концом, то следует проверить исправность приемника. Считается приемник неисправным, если на путевом реле напряжение постоянного тока ниже нормативного предела.Если приемник исправен (напряжение на путевом реле находится в пределах 4,0-8,0 В), то повреждение необходимо искать в рельсовой линии.
· Если путевое реле обесточено в рельсовой цепи с питающим концом у изолирующего стыка, то следует проверить исправность приемника. Если он исправен, то следует проверить цепи питающего конца. Если они исправны, то повреждение следует искать в рельсовой линии.

Рис. СХЕМЫ ПОДКЛЮЧЕНИЯ ПРИБОРОВ РЕЛЬСОВЫХ ЦЕПЕЙ ТОНАЛЬНОЙ ЧАСТОТЫ НА ПЕРЕГОНЕ ПРИ ЭЛЕКТРОТЯГЕ ПОСТОЯННОГО ТОКА






















