Токи электрохимической защиты
5. Токи электрохимической защиты
5.1. Электрохимическая защита
Электрохимическая защита - подавление анодных токов катодными с помощью внешнего источника. Действительно, если ток натекающий на участок трубопровода больше, чем ток стекающий с него (см.точку а на рис.5.1), то анодный процесс сменится катодным.

Рис.5.1. Поле коррозионных и защитных токов при электрохимической защите. 1-защищаемый подземный трубопровод; 2-вспомогательный электрод-анод внешнего источника тока.
До тех пор, пока металлическое сооружение работает катодом - оно вечно. Но вечность не дается даром. Мало того, что на электрохимическую защиту расходуется электрическая энергия внешнего источника (рис.5.1), еще и разрушается вспомогательный электрод защитной установки - анод 2. Если ток на защищаемое сооружение натекает, то с анода он должен стекать. Пока “живет” катод-трубопровод, разрушается жертвенный анод. Это свойство катода “вечно жить за счет жертвы” и использовано при эпектрохимической защите.
В соответствии с распространенной классификацией способов защиты от коррозии электрохимическую защиту относят к активным способом, в то время как защиту с помощью изоляционных покрытий - к пассивным способом. Оба эти способа применяются на подземных металлических сооружениях совместно.
При этом можно считать, что пассивная защита - основной или главный способ защиты, активная - вспомогательный.
Но нельзя утверждать, что изоляционные покрытия - достаточный вид защиты. Как бы ни была хороша изоляция, всегда найдутся в ней повреждения в виде трещин, игольчатых проколов, пузырей, технологических царапин и пр. Именно в этих местах локализуется язвенная коррозия. Но изоляция к тому же стареет, отслаивается, общая площадь оголения под разрушающейся изоляцией с каждым годом возрастает. И вот здесь, оказывается, лучшего способа “пломбировать” повреждения в изоляции, чем с помощью токов электрохимической защиты, нет. Особенно если знать, что катодные токи могут вызвать - благодаря электродным реакциям - появление плотных солевых, коррозионно инертных отложений вблизи катода, т.е. в порах изоляции, что действительно похоже на залечивание ран.
Итак, изоляционное покрытие ограждает, а электрохимическая защита подавляет.
Рекомендуемые материалы
В зависимости от способа получения электрического тока различают три виды ЭХЗ: катодную, протекторную, электродренажную, о чем уже было сказано в главе 1 (см.рис.1.1).
5.2. Катодная поляризационная характеристика
При электрохимической защите возникает эффект катодной поляризации: потенциал корродирующей поверхности приобретает катодное смещение, в результате чего электрохимический потенциал защищаемого сооружения становится электроотрицательнее своего стационарного потенциала.
Плотность тока катодной поляризации j и электрохимический потенциал исследуемого металла U обычно связывают графической зависимостью, называемой катодной поляризационной характеристикой U = F(j), вид которой определяется множеством физико-химических факторов, проявляющихся на поверхности поляризующегося электрода.
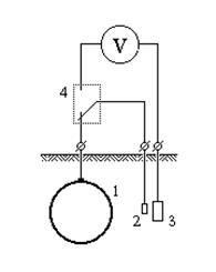
На рис.5.2 приведена типичная поляризационная характеристика и установка для исследования катодной поляризации. Исследуемый электрод-катод 1 подключают к минусу источника тока, плюс которого связывают с вспомогательным электродом-анодом 2. Последний располагают так, чтобы стекающий с него ток затем натекал на катод достаточно равномерно. Измерительный электрод или его зонд 3 устанавливают рядом с исследуемым электродом-катодом.
По прошествии некоторого времени, необходимого для стабилизации электрохимических процессов, измеряют стационарный потенциал исследуемого электрода Uст , после чего, медленно или ступенями изменяя ток поляризации, снимают поляризационную кривую.

Рис.5.2. Установка для снятия поляризационной характеристики (а) и типичная катодная поляризационная характеристика стального электрода (б). 1- исследуемый электрод; 2-вспомогательный электрод-анод; 3- измерительный электрод; 4- источник тока; 5- сосуд с электролитом.
Следует отметить, что катодное смещение DU есть отрицательное приращение потенциала электрода относительно своего стационарного состояния Uст .
Смещение потенциала - это падение напряжения на поляризационном сопротивлении, т.е. DU = P.j. Эта зависимость подчинялась бы закону Ома, если бы была линейной.
На рис.5.2 важно обратить внимание на точку перегиба О2 - Н2 , которая соответствует так называемому предельному диффузионному току jпр , при достижении которого начинаются затруднения в доставке кислорода через толщу электролита. При небольшой плотности тока поляризации j < jпр катодный процесс идет при участии кислорода, т.е. имеет место кислородная деполяризация, описанная одним из уравнений (2.1). Но при j > jпр, поскольку возникают затруднения с диффузией кислорода, процесс кислородной деполяризации постепенно вытесняется водородной деполяризацией, которой соответствует реакция
2Н+ + 2 е ® Н2 , (5.1)
где ион водорода, потребляя электрон, превращается в газообразное вещество.
Таким образом, при больших плотностях катодного тока на защищаемом сооружении происходит выделение газообразного водорода. Это важно помнить, так как газообразный водород в данной ситуации - весьма вредное вещество, действующее разрушающе и на изоляционное покрытие, и на металл сооружения, о чем немного подробнее сказано ниже.
5.3. Критерии электрохимической защиты
Под критериями электрохимической защиты понимают теоретически и экспериментально обоснованные значения плотности тока и потенциала защищаемого сооружения, при достижении которых коррозия практически прекращается.
В практике ЭХЗ критериями защиты являются:
- минимальная защитная плотность тока, jзащ.min;
- минимальное защитное смещение потенциала, DUзащ.min;
- минимальный защитный потенциал, U защ.min ;
- максимальный защитный потенциал, Uзащ.max.
В нормативной и справочной литературе упоминается еще ряд прагматических критериев, применение которых возможно в сложных ситуациях.
5.3.1. Минимальная защитная плотность тока
Внешний катодный ток, даже очень малый по величине, должен иметь защитные свойства - он обязательно уменьшает противоположно направленный ток анода коррозионной пары. Но какой должен быть защитный ток по величине, чтобы подавить самый мощный анод всех действующих коррозионных пар данного трубопровода? Исследователю не так просто убедиться в том, что при включении электрохимической защиты все токи на поверхности трубы приобрели одно единственное направление - из земли на трубопровод.
К тому же натекающий ток расходуется не рационально. Если вернуться к рис.5.1, то можно заметить, что часть защитного тока натекает на катодные, уже защищенные за счет токов коррозии участки трубопровода. Эту часть защитного тока следует считать как бесполезно затраченную. Лабораторные исследования показали, что бесполезно расходуется 60...80% защитного тока.
Поэтому достоверных сведений о величине минимальной защитной плотности тока ( jзащ.min ), гарантирующей надежную защиту данного сооружения в данных коррозионных условиях, как правило, нет. Однако, часто применяют следующее приближенное соотношение
jзащ.min = (3...5) jкорр , (5.2)
где jзащ.min - минимальная защитная плотность тока, А/м2; jкорр - плотность тока коррозии, определенная по образцам-свидетелям или другим способом в данных коррозионных условиях, А/м2.
Так, если установленные на некоторое время в данной коррозионной среде образцы-свидетели показали скорость коррозии равную v = 0,03 г / (м2.ч), то по формуле (2.9) это соответствует плотности тока коррозии jкорр = 28,5 мА/м2. Следовательно, для подавления такой коррозии потребуется обеспечить плотность защитного тока не менее jзащ > 85 мА/м2.
При этом следует учитывать, что jзащ.min из соотношения (5.2) относится к оголенным участкам защищаемого сооружения, т.е. это не средняя плотность по поверхности защищаемого трубопровода, а фактическая плотность тока на металле трубопровода - в порах и повреждениях изоляции, которая может быть на один-два порядка больше средней.
Этот метод оценки степени защищенности применяют при защите морских сооружений, резервуаров и других объектов, если для них нет соответствующих государственных стандартов. Можно для ориентировки полагать, что плотность тока для неизолированного стального сооружения в земле, в пресной и соленой воде лежит в пределах 20...150 мА/м2. Причем, чем менее агрессивна среда, тем меньше плотность защитного тока.
5.3.2. Минимальное защитное смещение потенциала
Из-за технических трудностей, возникающих при натурных измерениях плотностей токов jзащ и jкорр , особенно при исследовании подземных трубопроводов, чаще о качестве защиты судят не по j, а по величине потенциала U или смещения потенциала DU.
Расчетное защитное смещение потенциала по В. В. Красноярскому
В.В.Красноярский получил теоретическое соотношение, позволяющее оценивать степень защиты сооружения в зависимости от величины катодного смещения потенциала. Предлагаемая им расчетная формула может быть представлена в виде
DUзащ.min =- 0,059 lg ( jкорр / jа ) (5.3)
где DUзащ.min - минимальное защитное смещение потенциала, В; jкорр - первоначальная плотность тока коррозии без ЭХЗ; jа - предельно допустимая плотность тока коррозии при включенной ЭХЗ.
Так, для снижения скорости коррозии в 100 раз, т.е. для выполнения условия jкорр / jа = 100, необходимо смесить потенциал на величину DUзащ.min = - 0,059 lg100 = - 0,118 В. Даже при DUзащ.min = -0,018 В скорость коррозии снижается вдвое.
Оценка по формуле (5.3) полезна уже тем, что вселяет уверенность, что даже такое незначительное смещение как DUзащ.min = -0,02 В продлит срок службы вашего трубопровода вдвое, а при DUзащ.min = -0,1 В вообще можно ни о чем не беспокоиться.
Стандарт NACE (Hациональная ассоциация инженеров-коррозионистов) США
Предлагают в качестве минимального защитного смещения потенциала следующие значения
DU защ.min =- 0,1 В - для неизолированных сооружений;
DU защ.min =- 0,3 В - для изолированных трубопроводов.
Первый из этих критериев хорошо определен теоретически, что было отмечено выше, как достаточное поляризационное смещение потенциала стали, обеспечивающее примерно 100-кратное снижение скорости коррозии. Этим критерием часто пользуются при защите корпусов кораблей, поскольку окраска судна - это еще не изоляция, а также в других аналогичных случаях.
Второй критерий учитывает не только поляризационную, но и омическую составляющую смещения потенциала.
Здесь следует сделать введение в спорную область о паритете поляризационной составляющей защитного потенциала. Условимся считать, что
- омическая составляющая смещения потенциала ( DUом ) это неизбежное и к тому же совершенно бесполезное и даже вредное падение напряжения, вызванное током защиты на некотором сопротивлении, куда входит сопротивление электролита в порах изоляции и участок земли между трубопроводом и измерительным электродом;
- поляризационная составляющая ( DUпол ) - полезное падение напряжения на поляризационном сопротивлении металл-электролит.
Таким образом, для этого критерия
DUзащ.min = DUпол. min + DUом.min . (5.4)
Так как для защиты достаточно DUпол..min =-0,1 В, то при использовании значения DUзащ.min = -0,3 В, как критерия защиты, полагают, что величина омической составляющей на изоляционном покрытии любого вида не превышает DUом.min = -0,2 В.
О способах измерения потенциалов с целью исключения омической составляющей как погрешности сказано ниже.
5.3.3. Минимальный защитный потенциал
Общепризнанным в мировой практике критерием защиты является минимальный защитный потенциал, который принимают равным Uзащ.min = - 0,85 В (по медносульфатному электроду сравнения).
Этот критерий ввел в практику электрохимической защиты подземных стальных трубопроводов Роберт Кун еще в 1928 г. С тех пор уточнение этого критерия для трубопроводов коснулось в основном названия: к нему добавили слово поляризационный. Однако это уточнение привело к весьма существенным изменениям в методике измерения защитных потенциалов. Дело, как и выше, коснулось обязательного исключения омической составляющей как погрешности при всех полевых измерениях на подземных трубопроводах.
Требуя выполнения таких “тонкостей”, нельзя обойти вниманием некоторые противоречия. Действительно, минимальный защитный потенциал есть минимальное защитное смещение потенциала DUзащ .min = -0,1 В в сумме со стационарным потенциалом Uст , т.е.
Uзащ.min = Uст + DUзащ .min; (5.5)
Uст = -0,4 ... -0,75 В,
где указан диапазон фактических значений Uст для реального подземного трубопровода. Следовательно, приемлемый минимальный защитный поляризационный потенциала будет определяться физико-химическими условиями для данного трубопровода и может лежать практически в пределах
Uзащ.min = -0,5 ... -0,85 В.
Выбор величины Uзащ.min = -0,85 В как единственного критерия защиты связан скорее со стандартизацией, унификацией и желанием обеспечить запас надежности. При прагматическом подходе выбор критерия защиты может быть иным.
Проблема выделения поляризационной составляющей и исключения омической имеет большое практическое значение. И это связано прежде всего с надежностью защиты, но, с другой стороны, с минимумом затрат на электроэнергию. Было бы не плохо снизить минимальный защитный потенциал до уровня, например, Uзащ.min = -0,75 В.
Отечественные стандарты по коррозии ГОСТ 9.602-89 “Сооружения подземные” и ГОСТ 25812-83 “Трубопроводы стальные магистральные” регламентируют величину минимального поляризационного защитного потенциала для стальных сооружений в соответствии с табл.5.1. Однако применение критериев в диапазоне Uзащ.min = -0,95 ... -1,2 В даже для горячих труб вряд ли оправдано и скорее всего должно быть пересмотрено.
Минимальное защитное смещение потенциала DUзащ.min как критерий упоминается в ГОСТ 9.602-89 лишь для свинцовых оболочек кабелей связи и регламентируется величиной DUзащ.min = -0,1 В, соответствующей мировым стандартам.
Таблица 5.A
Uзащ.min ,В | Условия применения |
| -0,85 | С исключением омической составляющей |
| -0,9 | При невозможности исключения омической составляющей |
| -0,95...-1,2 | Для трубопроводов, транспортирующих нагретые среды |
5.3.4.Максимальный защитный потенциал
Необходимость ограничения защитного потенциала сверху, т.е. введение максимального защитного потенциала Uзащ.max , как критерия защиты, также не может рассматриваться безальтернативно. Безусловно, было бы идеальным в целях экономии электроэнергии заполяризовать всю защищаемую сеть лишь до уровня минимального защитного потенциала Uзащ.min. Однако законы распределения потенциала в трубопроводной сети таковы, что неизбежна существенная неэквипотенциальность. Так, вблизи анодных заземлителей (см.рис.5.1) плотность тока защиты всегда больше и, следовательно, больше разность потенциалов труба-земля. Минимальный защитный потенциал поддерживают, как правило, на гараницах зоны действия установок ЭХЗ.
ГОСТ 9.602-89 нормирует для подземных сооружений величину максимального поляризационного защитного потенциала и устанавливает его равным Uзащ.max = -1,15 В для всех видов трубопроводов, не определяя допустимую величину общего потенциала (с учетом омической составляющей). В этом же стандарте для стальных оболочек кабелей связи допускается общий потенциал защиты Uзащ.max = -2,5 В.
По ГОСТ 25812-83 на магистральных трубопроводах допускается общий потенциал Uзащ.max = -2,5 В, если трубопроводы имеют битумную изоляцию, или Uзащ.max = -3,5 В - для трубопроводов с полимерной пленочной изоляцией.
В американском и немецком стандартах величина максимального защитного потенциала не нормируется и выбирается исходя из технико-экономических соображений при проектировании защиты.
Отсутствие необходимости тщательного нормирования величина Uзащ.max может быть обосновано следующим образом.
При больших токах поляризации и, следовательно, больших защитных потенциалах, как уже отмечалось, выделяется газообразный водород. Возникая в порах изоляции и в пазухах, он способен собираться в пузыри и создавать разрушающее давление. Микропузыри, если в них большое давление, могут вызвать дальнейшее разрушение изоляции. Отслоение изоляции - основная опасность, связанная с большими отрицательными потенциалами.
Как показано на рис.5.3, активное выделение водорода начинается при защитном потенциале отрицательнее Uзащ = -1 В (по МЭС). Количество выделяющегося водорода при больших отрицательных потенциалах пропорционально плотности катодного тока, причем, как это следует из графиков, не зависит от качества изоляции и других важных при электрохимической защите параметров. Потенциал выделения водорода не превышает -1,15... -1,2 В, поскольку плотность катодного тока в реальных условиях не может быть больше 10 А/м2.
Поэтому поляризационный потенциал подземного трубопровода фактически не может быть отрицательнее величины Uзащ = -1,2 В, независимо от величины тока поляризации.

Рис.5.3. Гальваностатические поляризационные характеристики стального образца в нейтральном электролите без изоляционного покрытия (1) и с пористым покрытием (2).
В отечественных стандартах используются именно эти значения потенциала выделения водорода в качестве максимального поляризационного защитного потенциала ( Uзащ.max = -1,15 В ). Фактически в стандартах констатируется естественное состояние защиты, что, по всей видимости, можно было бы и не делать, что и учтено в некоторых национальных стандартах.
При выборе величины Uзащ.max , вероятнее всего, следует руководствоваться технико-экономическими показателями проекта ЭХЗ, обеспечивая минимум капитальных и эксплуатационных затрат защищаемого объекта.
Для ориентировки можно повсеместно принимать
Uзащ.max = -2,5 В.
5.4. Измерение поляризационной составляющей защитного
потенциала
Как было отмечено, в защитную разность потенциалов труба-земля Uзащ входят, помимо стационарного потенциала Uст , еще две составляющие
Uзащ= Uст + DUпол + DUом , (5.6)
где омическая составляющая DUом является нежелательной погрешностью, которую при измерениях следует исключить или, по крайней мере, учесть, а DUпол - искомое напряжение на поляризующемся слое металлической поверхности (рис.5.4).


В омическую составляющую входит падение напряжения в порах изоляции DUпор и в земле DUзем между трубопроводом и измерительным электродом, т.е.
DUом = DUпор + DUзем . (5.7)
Величина DUом зависит не только от токов трубопровода, но и от токов других внешних источников.
Методика измерения поляризационной составляющей
Для исключения омической составляющей и выделения поляризационной DUпол полевые измерения ведут методом прерывания тока поляризации. Дело в том, что при отключении тока омическая составляющая, как того требует закон Ома, мгновенно исчезает. Но совсем не так ведет себя составляющая DUпол : с момента отключении тока поляризационная составляющая уменьшается медленно, постепенно затухая.
Это объясняется тем, что происходит разряд двойного электрического слоя металл- электролит по аналогии с разрядом конденсатора, что всегда связано с затратами времени. На катоде - защищаемом трубопроводе - имеются избыточные электроны, поступавшие с анода (кстати, именно благодаря избыточным электронам катод “отрицательный”). При разрыве цепи катод-анод этим электронам потребуется еще какое-то время для полной рекомбинации, поскольку в конечном счете металлическое сооружение должно стать нейтрально заряженным телом.
Продолжительность разряда зависит от емкости двойного электрического слоя и сопротивления цепи разряда. Начало процесса разряда при измерениях и пытаются зафиксировать с тем, чтобы измерить в этот момент максимальное значение DUпол.
Для измерения мгновенного значения DUпол разработаны различные методы и приборы. На рис 5.5 приведен один из этих способов, рекомендуемый отечественной нормативной документацией.
Рядом с трубопроводом 1 устанавливают стальной неизолированный электрод-датчик 2, который нормально должен быть всегда переключен на трубопровод. Этот электрод моделирует оголенный участок трубопровода. При этом полагают, что интенсивность катодных процессов поляризации на электроде и в местах оголения трубопровода - одна и та же, т.е. DUпол электрода равна DUпол трубопровода.
Измерения ведут по следующей методике. С помощью автоматического прерывателя тока 4 электрод-датчик 2 периодически переключают от трубопровода к вольтметру. Продолжительность коммутации “датчик-вольтметр” должна быть в пределах 0,2...0,5 мс, продолжительность коммутации цепи “датчик-трубопровод” - в пределах 5...10 мс.


С помощью измерительного электрода 3 (стационарный или переносной МЭС) и вольтметра через каждые 5 с в течение 10 мин фиксируют множество мгновенных значений Ui ( i = 1,2,...,n ).
Мгновенные значения Ui различаются между собой из-за инерционности полевых вольтметров. Например, время успокоения стрелки вольтметра может быть больше 2 с, в то время как требуется измерить значение Ui в течение отрезка времени в 0,5 мс. Лишь только осциллограф способен зафиксировать истинно мгновенное значение электрической величины.
После обработки результатов измерения получают среднее значение поляризационного защитного потенциала трубопровода Uпол = DUпол + Uст, лишенного омической составляющей.
5.5. Расчет поляризационной составляющей
Если для существующего трубопровода количественно оценить соотношение поляризационной и омической составяющих можно экспериментальным путем, то для проектируемого - только расчетом.
Для расчета защитной разности потенциалов труба-земля при катодной защите воспользуемся методом, изложенным в главе 6. Участок трубопровода разбивают на множество участков небольшой длины - отрезков дискретизации - и подготавливают коэффициенты системы алгебраических уравнений, связывающих параметры этих отрезков. Решение задачи электрохимической защиты сводится к системе алгебраических уравнений, и имеет вид
j =(BA - E) -1 (J - Bjз) , (5.9)
где А,В,Е - квадратные матрицы, определяющие параметры участков трубопроводной сети и их связи, а остальные матрицы - столбцовые, причем j - искомая линейная плотность тока защиты; jз - потенциал земли в поле анодных заземлителей; J - удельная токовая нагрузка катодных станций.
После отыскания j определяют разность потенциалов труба-земля Uзащ и ее составляющие
DUзащ = Rиз j ;
Rиз = Rпол + Rом ; (5.10)
DUпол = Rпол j, DUом = Rом j ,
где Rиз - вектор удельного сопротивления изоляции трубопровода; Rпол, Rом - поляризационная и омическая составляющие; DUпол , DUом - искомые поляризационная и омическая составляющие смещения потенциала.
Удельное поляризационное сопротивление Rпол зависит от искомой плотности тока j , причем нелинейно. Это можно отметить, например, по поляризационной характеристике рис.5.2, если иметь ввиду, что отношение DU / j есть удельное поляризационное сопротивление металла. В связи с этим выражение (5.9) превращается из простой формулы в нелинейное уравнение относительно j.
Пример расчета 1
Пусть участок трубопроводной сети диаметром d = 300 мм уложен в грунт с удельным электрическим сопротивлением r = 40 Омм и защищен катодной станцией, подключенной в начале участка с анодным заземлителем, расположенным на расстоянии 25 м от трубопровода против точки дренажа. Стационарный потенциал трубопровода Uст =-0,55 В. Шаг дискретизации или расстояние между исследуемыми точками - 100 м.
В табл.5.2 приведены результаты расчета защитных параметров трубопровода с плохой изоляцией ( Rом = 10 Ом.м), а в табл.5.3 - с удовлетворительной ( Rом = 100 Ом.м ). При этом в первом случае коэффициент пористости изоляции оказался равным sпор = 0,04, во втором - в 10 раз меньше.
Расчет выполнен с помощью программы EZR пакета АРМ ЭХЗ-5П в оптимизационном режиме (см.п.6.4), т.е. при условии обеспечения на заданном участке трубопровода минимального защитного потенциала Uзащ £ Uзащ.min = - 0.85 В.
Таблица 5.2
| nn | jпор, мА/м2 | j, мА/м | Р, Ом.м2 | Rпол, Ом.м | DUпол, В | DUом, В | Uзащ, В | U’защ, В |
| 1 | 1760 | 70.385 | 0.341 | 9.363 | -0.600 | -0.704 | -1.854 | -2.625 |
| 2 | 491.2 | 19.649 | 0.636 | 15.769 | -0.313 | -0.196 | -1.059 | -1.217 |
| 3 | 364.4 | 14.576 | 0.668 | 16.420 | -0.243 | -0.146 | -0.939 | -1.061 |
| 4 | 321.8 | 12.871 | 0.689 | 16.891 | -0.222 | -0.129 | -0.900 | -1.009 |
| 5 | 300.6 | 12.026 | 0.700 | 17.125 | -0.210 | -0.120 | -0.881 | -0.983 |
| 6 | 288.7 | 11.550 | 0.694 | 17.086 | -0.201 | -0.116 | -0.866 | -0.964 |
| 7 | 282.3 | 11.294 | 0.691 | 17.036 | -0.195 | -0.113 | -0.858 | -0.955 |
| 8 | 280.0 | 11.200 | 0.690 | 17.018 | -0.193 | -0.112 | -0.855 | -0.951 |
| 9 | 281.4 | 11.258 | 0.691 | 17.029 | -0.194 | -0.113 | -0.857 | -0.954 |
Таблица 5.3
| nn | jпор, мА/м2 | j, мА/м | Р, Ом.м2 | Rпол, Ом.м | DUпол, В | DUом, В | Uзащ В | U’защ, В | |||
| 1 | 545.4 | 2.182 | 0.628 | 156.4 | -0.343 | -0.218 | -1.111 | -1.140 | |||
| 2 | 331.8 | 1.327 | 0.684 | 169.2 | -0.227 | -0.133 | -0.910 | -0.920 | |||
| 3 | 298.7 | 1.195 | 0.699 | 172.9 | -0.209 | -0.119 | -0.878 | -0.888 | |||
| 4 | 287.9 | 1.152 | 0.694 | 172.3 | -0.200 | -0.115 | -0.865 | -0.867 | |||
| 5 | 282.7 | 1.131 | 0.691 | 171.7 | -0.195 | -0.113 | -0.859 | -0.868 | |||
| 6 | 279.6 | 1.119 | 0.690 | 171.4 | -0.193 | -0.112 | -0.854 | -0.864 | |||
| 7 | 277.9 | 1.112 | 0.689 | 171.2 | -0.191 | -0.111 | -0.853 | -0.862 | |||
| 8 | 277.6 | 1.110 | 0.689 | 171.2 | -0.191 | -0.111 | -0.852 | -0.862 | |||
| 9 | 279.0 | 1.116 | 0.689 | 171.3 | -0.192 | -0.112 | -0.854 | -0.864 | |||
В первом варианте для оптимальной защиты потребовался ток катодной станции Iскз = 20,0 А, во втором Iскз = 1,3 А.
При расчете Rпол использовали опытные данные для удельного (поверхностного) поляризационного сопротивления Р (Ом.м2), приведенные в графе Р1 табл.5.4, которые соответствуют малой степени заполяризованности металла, например, в сухих грунтах или в первые сутки после включения тока поляризации.
Таблица 5.4
| jпор, мА/м2 | Р1, Ом.м2 | Р2, Ом.м2 | Р3, Ом.м2 | Р4, Ом.м2 |
| 50 | 0.3 | 0.3 | 0.5 | 0.8 |
| 75 | 0.4 | 0.5 | 1.2 | 2.5 |
| 100 | 0.5 | 0.7 | 2.1 | 3.1 |
| 150 | 0.6 | 1.1 | 2.5 | 3.3 |
| 200 | 0.65 | 1.2 | 2.2 | 3.1 |
| 300 | 0.7 | 1.1 | 1.7 | 2.1 |
| 400 | 0.65 | 1.0 | 1.2 | 1.3 |
| 600 | 0.62 | 0.8 | 0.8 | 0.8 |
| 800 | 0.62 | 0.7 | 0.7 | 0.7 |
| 1000 | 0.6 | 0.6 | 0.6 | 0.6 |
Там же ( Р2,Р3,Р4 ) приведены рекомендованные для практических расчетов данные для других условий. Так, данные графы Р4 характерны для условий длительной поляризации, например, в течение 30 сут. во влажной среде.
В дополнение к табл.5.4 для вычисления удельного поляризационного сопротивления при jпор > 1000 мА/м2 можно пользоваться формулой
Р = 0,6 / jпор . (5.11)
Анализируя результаты расчета, можно отметить следующее.
1. Омическая составляющая значительна и ее нельзя игнорировать, особенно в грунтах с высоким удельным электрическим сопротивлением. Заметим, что в данном примере принято r = 40 Омм и что омическая составляющая пропорциональна величине r.
2. Независимо от качества изоляции соотношение между омической и поляризационной составляющими примерно одно и то же. В данном случае DUпол / DUом = 1,7. При r = 20 Омм это соотношение заметно больше и равно DUпол /DUом = 5,9.
3. Защитный поляризационный потенциал Uпол как сумма стационарного потенциала Uст и поляризационной составляющей смещения DUпол нигде не превышает максимальный защитный потенциал, установленный нормами ГОСТ 9.602-89 и равный Uзащ.max = -1,15 В. Действительно, при принятом в расчете Uст = -0,55 В защитный поляризационный потенциал в точке 1 равен Uпол = -0,55 -0,6 = -1,15 В, что и нормируется. В то же время суммарный защитный потенциал в этой точке равен Uзащ = Uст + DUпол +DUом = -1,854 В.
4. В таблицах под U ’защ дан суммарный защитный потенциал, рассчитанный при условии, что измерительный электрод расположен на дневной поверхности земли над трубопроводом , в то время как Uзащ предполагает измерение относительно точки земли непосредственно у поверхности трубы. Как следует из результатов расчета, омическая составляющая может существенно возрасти, особенно вблизи анодного заземлителя, где она равна DUом = -2,625 + 0,55 + 0,6 = - 1,475 В .
Таким образом, доля омической составляющей в суммарном защитном потенциале хоть и велика, но не настолько, чтобы незнание ее величины отразилось бы на качестве защиты. Достаточно, как это оговаривается в действующих нормах, ограничиться добавкой -0,05 В к минимальному защитному потенциалу -0,85 В и сделать его равным -0,9 В. Но лучше и этого не делать, поскольку поляризационной составляющей вполне достаточно, чтобы обеспечить приемлемый уровень защиты. Действительно, везде в таблицах поляризационное смещение DUпол много отрицательнее -0,1 В, что уже было бы достаточно для снижения скорости коррозии в 100 раз.
5.6 Вторичные явления при электрохимической защите
5.6.1. Катодные осадки
В результате протекания катодной реакции вблизи трубопровода образуются избыточные ионы гидроксила ОН- , т.е.происходит подщелачивание среды. Известно, что подщелачивание изменяет условие равновесия ряда солей, содержащихся в почве: они из раствора выпадают в осадок. Непосредственно на поверхности трубопровода образуется слой солевых отложений, в основном состоящий из карбоната кальция СаСО3 и гидроокиси магния Mg(OH)2. Характерно существенное увеличение концентрации СаО и СО32-.
Кинетика образования гидроокисно-карбонатных осадков определяется многими факторами. Так, при большой плотности тока, несмотря на выпадение в связи с этим большого количества осадков, образуются рыхлые слои. Разрыхлению осадков способствуют пузырьки водорода, возникающие при большой плотности тока, т.е. при водородной деполяризации. Напротив, при малой плотности тока (при кислородной деполяризации) формируется плотный солевой слой, который в силу своих диэлектрических свойств создает некоторое подобие “слоя изоляции”, способствуя снижению общего тока защиты и увеличивая равномерность распределения защитной плотности тока.
Можно отнести все факторы, меняющие во времени кинетику электрохимических процессов на катоде, к одному - к изменению поляризационного сопротивления. Действительно, как затруднение (торможение) катодной реакции в двойном электрическом слое, например, из-за диффузионных проблем с доставкой кислорода, так и затруднение (сопротивление), вызванное растущим слоем осадков, приведет к одному и тому же результату - уменьшению тока поляризации или, что равнозначно, к увеличению поляризационного сопротивления.
С ростом удельного поляризационного сопротивления Р при постоянной плотности тока защиты в порах изоляции (jпор) должна возрастать поляризационная составляющая защитного потенциала DUпол = Pjпор. Скорость возрастания DUпол и предельный уровень этого роста трудно предугадать, поскольку это определяется физико-химическими условиями на катоде и в окружающей среде. Однако отмечено, что рост поляризационного потенциала может продолжаться в течение нескольких месяцев.
И еще одно замечание по поводу изменения поляризационного сопротивления во времени. В грунтах, в отличие от жидких сред, поляризационное сопротивление может изменяться во времени в непредсказуемом направлении. Так, при плотностях тока 100...300 мА/м2, близких к плотности предельного диффузионного тока, можно ожидать “борьбу за право на участие в процессе” между молекулами кислорода ( кислородная деполяризация) и ионов водорода (водородная деполяризация). При таких плотностях первые уже не могут, поскольку наступил диффузионный предел для кислорода, вторые еще не могут, поскольку недостаточно электрическое напряжение между взаимодействующими частичками.
При кислородной деполяризации катодный осадочный слой плотный, при водородной, благодаря воздействию пузырьков водорода, - рыхлый. Следовательно, в первом случае поляризационное сопротивление будет возрастать во времени, во втором - снижаться. Кислород строит, водород - разрушает. Результат такой совместной постройки непредсказуем.
Ниже рассмотрен пример расчета поляризационного потенциала трубопровода с учетом изменяющегося во времени удельного поляризационного сопротивления. Предполагается, что предварительно выполнены полевые и лабораторные электрохимические исследования стали в грунтах, характерных для трассы данного трубопровода.
Пример расчета 2
Пусть тот же трубопровод, исследованный в примере 1, далее поляризуется постоянным по величине током Iскз = 20,0 А. По мере накопления катодных осадков поляризационное сопротивление будет возрастать (или уменьшаться - при больших плотностях тока) и, следовательно, будет меняться защитный потенциал.
Расчет будем вести для различных поляризационных условий, представленных табл.5.3, где столбцы от Р1 до Р4 характеризуют различную степень поляризуемость стали от слабой ( Р1 ) до весьма существенной. Так, Р4 следует отнести к металлам в очень влажных грунтах или воде при непрерывной поляризации в течение нескольких недель. Остальные столбцы - промежуточные, где Р1, как было отмечено, характеризует начальный этап поляризации. Результаты расчета приведены в табл.5.5.
Таблица 5.5
|
| Р1 | Р2 | Р3 | Р4 | ||||
| то-чек | jпор, мА/м2 | DUпол, B | jпор, мА/м2 | DUпол, B | jпор, мА/м2 | DUпол, B | jпор, мА/м2 | DUпол, B |
| 1 | 1760 | -0.600 | 1814 | -0.600 | 1857 | -0.600 | 1885 | -0.600 |
| 2 | 492 | -0.313 | 475 | -0.439 | 491 | -0.500 | 510 | -0.523 |
| 3 | 365 | -0.243 | 353 | -0.369 | 346 | -0.509 | 345 | -0.600 |
| 4 | 322 | -0.222 | 313 | -0.340 | 299 | -0.510 | 290 | -0.638 |
| 5 | 301 | -0.210 | 294 | -0.325 | 279 | -0.503 | 265 | -0.649 |
| 6 | 289 | -0.201 | 283 | -0.315 | 267 | -0.498 | 252 | -0.650 |
| 7 | 283 | -0.195 | 277 | -0.310 | 261 | -0.494 | 245 | -0.649 |
| 8 | 281 | -0.193 | 274 | -0.308 | 258 | -0.493 | 241 | -0.648 |
| 9 | 282 | -0.194 | 276 | -0.310 | 257 | -0.494 | 241 | -0.648 |
Если проследить строку табл.5.5 слева направо, то можно отметить трехкратное повышение потенциала и, следовательно, такое же увеличение удельного поляризационного сопротивления во времени. Но это имеет место лишь на участке с кислородной деполяризацией ( при jпор< 300 мА/м2). При чисто водородной деполяризации (точка 1) поляризационное смещение потенциала остается практически неизменным, так как росту плотности тока соответствует такое же снижение удельного поляризационного сопротивления, в результате чего их произведение DUпол = Рjпор остается практически неизменным. На этом участке солевые катодные отложения из-за их рыхлости, как уже отмечалось, не исполняют роль дополнительного защитного барьера. Величина удельного поляризационного сопротивления оказывается обратно пропорциональной плотности тока (см.формулу 5.11).
На рис.5.6 представлены графики суммарного защитного потенциала, в который входит поляризационная составляющая из табл.5.5. Очевидно, что чем лучше изоляция, в том числе и за счет поляризационного сопротивления, тем качественнее защита.

Рис.5.6. Распределение защитного потенциала вдоль трубопровода при различных поляризационных характеристиках. Номера у кривых соответствуют данным в колонках Р1...Р4 табл.5.5.
5.6.2. Последействие катодной поляризации
Поскольку по мере накопления катодных осадков и увеличения поляризационного сопротивления поляризационный потенциал Uпол во времени медленно возрастает, достигая своего предела через сотни часов, то снижение поляризационного потенциала - при выключении тока поляризации - не может быть мгновенным и также может длиться много часов. Именно этот эффект последействия используют при измерении поляризационной составляющей защитного потенциала DUпол , о чем сказано выше.
Но известны успешные примеры использования эффекта последействия не только при измерениях потенциала, но и непосредственно для увеличения эффективности катодной защиты. Действительно, если металлическое сооружение какое-то время после отключения тока поляризации “помнит” свой защитный потенциал, то было бы выгодно применять катодную защиту в прерывистом режиме, чередуя включение катодной защиты с ее выключением.

Рис.5.7. Изменение потенциала стали после отключения катодного тока при продолжительности поляризации 500 ч и плотности тока 200 мА/м2 .
17 Регистрационная система регулирования инвестиций - лекция, которая пользуется популярностью у тех, кто читал эту лекцию.
На рис.5.7 показана характерная кривая снижения электродного потенциала стали после отключения катодного тока.
Судя по характеру кривой, катодную защиту - благодаря эффекту последействия - можно было бы безболезненно отключить на 10 и более часов, после чего включить ее снова и, вероятно, на такой же срок.
Возврат металла к своему стационарному состоянию продолжается очень долго и может превышать сотни часов.
Эффект последействия ярко проявляется в жидких средах, т.е. в морской и речной воде, и используется при защите таких сооружений как корпуса судов. Но, к сожалению, этот эффект незначителен для подземных трубопроводов. Как отмечено в практике, при отключении катодной защиты на трубопроводе вместо эффекта последействия могут возникнуть коррозионные макропары.
Действительно, вследствие того, что процесс располяризации или “разряда” замедлен, область трубопровода вблизи анодного заземлителя, как более электроотрицательная часть трубопровода, будет какое-то время работать анодом.
Такая гальваническая макропара может функционировать несколько часов, принося ощутимый и порой неожиданный ущерб. Не редки случаи, когда отмечалась язвенная коррозия на трубопроводах, казалось бы защищенных надежно. Причина этому - периодические перерывы в электроснабжении катодных станций.



NN


















