Тропосферные радиорелейные линии связи
3 Тропосферные радиорелейные линии связи
В данном разделе рассмотрены принципы построения тропосферных радиорелейных линий, особенности передачи сигналов по ТРЛ и т.д.
Принципы построения тропосферных радиорелейных линий (ТРЛ) характеризуются рядом особенностей, связанных со спецификацией передачи радиосигналов. Создание ТРЛ стало возможным после того, как было открыто явление дальнего тропосферного распространения (ДТР) УКВ. ДТР происходит за счет отражения и рассеяния радиоволн турбулентными и слоистыми неоднородностями тропосферы. При этом поле в точке приема создается в результате переизлучения только тех неоднородностей, которые находятся в пределах объема Q, образованного пересечением диаграмм направленности передающей и приемной антенн (рисунок 3.1). Если использовать антенны с высокой направленностью (большим коэффициентом усиления), то объем переизлучения будет уменьшаться.

Рисунок 3.1 – Модель распространения УКВ на пролете ТРЛ
В результате этого рост уровня сигнала на выходе приемной антенныА2 может отставать от роста усиления антенны. Данное явление принято называть потерей усиления антенн. Переизлучающий объем Q тропосферы играет роль пассивного ретранслятора. Q характеризуется значительной пространственной и временной неоднородностью. Рассеяние радиосигнала в объеме Q происходит во все стороны и лишь незначительная часть его поступает в точку приема. Чем больше угол рассеяния Q (рисунок 3.1), тем меньше угол принимаемого сигнала. Все это в целом приводит к следующим особенностям в передаче сигналов по ТРЛ.
1. Поскольку для переизлучения можно использовать даже верхние слои тропосферы (в умеренных широтах высота тропосферы составляет 10-12 км), протяженность пролетов R на ТРЛ может превышать 1000 км (при этом антенны можно располагать непосредственно на Земле). Однако, с учетом других особенностей расстояние между станциями выбирают чаще в пределах 200…400 км.
2. В следствии значительного ослабления сигналов на пролетах приходится существенно увеличивать энергетический потенциал системы. На ТРЛ применяют передатчики мощностью до 10 кВт, антенны размерами до 30×30 м2 и соответственно коэффициентом усиления до 50…55 дБ, малошумящие приемники.
3. Из-за пространственно-временной неоднородности переизлучающих объемов тропосферы принимаемые сигналы на ТРЛ подвержены как быстрым, так и медленным замираниям. Первые обусловлены интерференцией множества радиоволн, переизлученных разными участками рассеяния в объеме Q. Длительность быстрых замираний изменяется от сотых долей секунды до нескольких секунд. В течении 5…10 мин случайный процесс изменения уровня принимаемого сигнала приближенно можно считать стационарным. Для этого интервала времени на основе статистических данных можно определить медианное значение множителя ослабления Vм, то есть такое значение V, которое превышается (или не превышается) в течении 50% указанного времени наблюдения. Распределение мгновенных значений множителя ослабления V при быстрых замираниях удовлетворительно аппроксимируется законом Релея. При этом выраженная в процентах времени интегральная функция распределения
. (3.1)
Рекомендуемые материалы
Медленные замирания связанны с изменением метеорологических условий на трассе. С учетом медленных замираний процесс изменения уровня сигнала в целом является нестационарным. Математической моделью медленных замираний принято считать распределение случайных величин Vм относительно медианного значения, определенного за длительный срок, например за месяц или год. Чаще используется медианное значение (Vм.м), которое рассчитывается на основе статистических данных об изменении Vм в течении одного месяца наблюдения. Колебания Vм.м в течении года связывают с сезонными замираниями (месячная медиана уровня сигнала в летние месяцы примерно на 10 дБ больше, чем зимой). Для борьбы с медленными и сезонными замираниями эффективны адаптивные системы с каналом обратной связи, по которому можно управлять мощностью и (или) частотой передатчика.
Для быстрых замираний на ТРЛ изменение сигналов в любой момент времени неоднородны в различных областях пространства и частот, поэтому для борьбы с быстрыми замираниями организовывают параллельные каналы передачи, отличающиеся несущими частотами (разнесение по частоте) и (или) траекториями распространения волн (разнесение в пространстве за счет использования различных областей переизлучения и (или) нескольких взаимно удаленных приемных антенн). При относительном частотном разносе Δf/f0 = 2·10-3…5·103 или разносе антенн в перпендикулярном трассе направлении на 70…100 длин волн замирания сигналов в отдельных каналах становятся некоррелированными. В этом случае, например, для системы m-кратного разнесенного приема с автовыбором большего из сигналов (сигнала большей мощности в точке приема), распределение результирующей величины множителя ослабления
, (3.2)
что указывает на повышение устойчивости связи по сравнению с одинарным приемом, Т(V) определяется (3.1).
4. Селективные замирания по частоте препятствуют передаче по ТРЛ широкополосных сигналов (как аналоговых, так и цифровых), так как при широком спектре передаваемых сигналов селективные замирания вызывают изменения фазовых и амплитудных соотношений спектральных компонентов, то есть искажается спектр, а, следовательно и форма сигналов. В групповом телефонном сигнале возникают переходные помехи как при использовании метода ЧРК-ЧМ, так и при импульсной (цифровой) модуляции. Селективные замирания являются следствием многолучевого распространения радиоволн. Если относительное запаздывание лучей Δt превосходит длительность одного цифрового сигнала τ, то возникает явление эхо, искажается форма сигналов.
Связанное с селективными замираниями ограничение полосы частот при передаче аналоговых и цифровых сигналов указывает на недостаточную пропускную способность ТРЛ. Действительно, число ТФ каналов в одном стволе ТРЛ пока не велико (120 ТФК). Для передачи телевидения применяют специальное оборудование, используют частоты в диапазоне 4…6 ГГц, антенны с шириной диаграммы направленности не более 0.3º.
Для борьбы с быстрыми замираниями наибольшее распространение получили различные варианты разнесенного приема и применение широкополосных составных сигналов. Так как замирания на ТРЛ весьма интенсивны, на этих линиях часто прибегают к комбинированным видам разнесения сигналов.
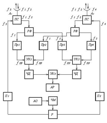
На рисунке 3.2 представлена упрощенная структурная схема АФТ и приемопередающей аппаратуры ОРС для одного дуплексного ствола ТРЛ, на которой предусмотрен счетверенный прием с разнесением сигналов по частоте и пространству (на ПРС и УРС объем оборудования соответственно увеличивается). В состав схемы входят антенны (А), поляризационные селекторы (ПС), разделительные фильтры (РФ), приемники (Пр), передатчики (П), устройства комбинирования сигналов (УК), частотные детекторы (ЧД), аппаратура разделения и объединения каналов (АР) и (АО), частотный модулятор (ЧМ) и разветвитель (Р). Соседняя станция линии передает одинаковые сообщения на разных несущих частотах f1 и f2. Эти сигналы принимаются разнесенными в пространстве антеннами А1 и А2, и через ПС и РФ поступают в приемники. В УК1 и УК2 комбинируются сигналы промежуточной частоты fпр с выходов приемников, настроенных на одинаковые несущие частоты, но соединенных с разными антеннами. Таким образом, УК1 и УК2 реализуют эффект пространственного разнесения. В УК3 осуществляется последетекторное комбинирование сигналов, разнесенных по частоте. В обратном направлении связи одинаковые сообщения, также передаются на разных частотах f3 и f4.

Рисунок 3.2 – Упрощенная структурная схема ОРС при счетверенном приеме
Используемые на ТРЛ антенны параболического типа не обеспечивают достаточную величину коэффициента защитного действия. При значительных мощностях передатчиков и высокой чувствительности приемников это создает реальную опасность помех, вызванных приемом сигналов с противоположного направления связи. Поэтому на ТРЛ, как правило, применяют четырехчастотный план. Таким образом, с учетом разнесения по частоте для одного дуплексного ствола требуется восемь рабочих частот. Причем разность частот передачи и приема в одной антенне (с целью упрощения развязывающих фильтров) устанавливается довольно большой: для систем, работающих на частотах ниже 1000 МГц, эта разность равна примерно 40 МГц, а для систем работающих на частотах выше 1000 МГц, около 80 МГц.
В общем случае комбинирование сигналов в УК1, УК2 и УК3 может производиться по принципу линейного оптимального сложения или путем автовыбора. Любой из этих вариантов может быть реализован в УК3, когда комбинируются сигналы после ЧД. Условием нормального линейного или оптимального сложения в УК1 и УК2 является синфазность сигналов на частоте fпр.
ТРЛ находит весьма ограниченное применение и с развитием связи с использованием искусственных спутников Земли (ИСЗ) их значимость существенно снизилась.
В таблице 3.1 приведены параметры отечественных тропосферных радиорелейных систем передачи.
Таблица 3.1 – Параметры отечественных ТРЛ
| Тип аппаратуры | Диапазон частот, ГГЦ | Среднее расстояние между станциями, км | Число каналов ТЧ, шт. |
| «Горизонт М» | 0.8…1 | 300 | 60 |
| ТР-120 | 0.8…1 | Вам также может быть полезна лекция "Цель воспитания в духовной школе". 300 | 120 |
| ДТР-12 | 0.8…1 | 600 | 12 |






















