Электрические системы и сети
СИЛОВЫЕ ТРАНСФОРМАТОРЫ
Силовые трансформаторы предназначены для преобразования энергии переменного тока в электрических сетях энергетических систем. Передача энергии между первичными и вторичными обмотками в трансформаторе осуществляется за счет электромагнитной индукции. В качестве основного элемента в силовых трансформаторах используется магнитопровод, на который наматываются первичные и вторичные обмотки. Трансформатор является линейным элементом, поэтому частота переменного тока при трансформации остается неизменной.
Мощность силовых трансформаторов может достигать 1300 мВА, а напряжение на первичных обмотках — до 760 киловольт. Силовые трансформаторы являются основным элементом подстранций КТП .
В трехфазных силовых трансформаторах обмотки всех фаз намотаны на одном магнитопроводе, чем обуславливаются их меньшие размеры и стоимость по сравнению с однофазными трансформаторами, устанавливаемыми для каждой фазы отдельно. Обмотки силовых трансформаторов соединяются в звезду или в треугольник.
Магнитопровод изготавливается из электротехнической стали. Обмотки силовых трансформаторов могут быть медными или алюминиевыми с эмалевой или хлопчатобумажной изоляцией.
Силовые трансформаторы подразделяются на масляные и сухие. В масляных трансформаторах магнитопровод с обмотками находится в баке с трансформаторным маслом. Трансформаторное масло выполняет функцию изолирующей среды и одновременно отводит тепло от обмоток и магнитопровода, возникающее в силовых трансформаторах из-за потерь.
В масляных силовых трансформаторах небольшой мощности (до 20 кВА) стенки бака выполняются гладкими, что снижает трудоемкость их изготовления. При большей мощности (свыше 20 кВА) стенки трансформатора выболняются гофрированнными, либо к ним привариваются трубчатые охладители, которые обеспечивают естественную циркуляцию масла. При мощности трансформатора более 10000 кВА применяется водяное охлаждение с принудительной циркуляцией масла.
На силовых трансформаторах мощностью более 75 кВА устанавливаются расширители, которые необходимы для стабилизации давления масла при колебаниях нагрузки трансформатора и температуры окружающей. Для предотвращения разрушения конструкции силового трансформатора при резких закипаниях, на крышке трансформатора устанавливается выхлопная трубка со стеклянной мембраной, которая лопается при превышении давления сверх установленного предела.
В масляных силовых трансформаторах мощностью более 600 кВА устанавливаются газовые реле, которые отключают трансформатор при бурном выделении газов.
Рекомендуемые материалы
При эксплуатации масляного силового трансформатора происходит увлажнение, окисление и загрязнение масла, что сопровождается ухудшением его диэлектрических свойств. Чтобы предотвратить выход трансформатора из строя, в частности пробой изоляции, производится регулярный отбор проб масла, а также его сушка, очистка, восстановление или замена. В необходимых случаях производится также вакуумная сушка сердечника и обмоток трансформатора.
Из-за того, что масляные силовые трансформаторы являются пожароопасными, в производственных помещениях, а также объектах с повышенными требованиями к противопожарной защите устанавливаются сухие трансформаторы.
| Устройство и элементы конструкции силовых трансформаторов |
| Силовые трансформаторы в зависимости от мощности и напряжения условно делят на восемь габаритов. Так, например, к нулевому габариту относят трансформаторы мощностью до 5 кВ-А включительно, мощностью свыше 5 кВ-А — до 100 кВ-А напряжением до 35 кВ (включительно) к I габариту, выше 100 до 1000 — ко II, выше 1000 до 6300 — к III; выше 6300 — к IV, а напряжением выше 35 до 110 кВ (включительно) и мощностью до 32 000 кВ-А — к V габариту. Для отличия по конструктивным признакам, назначению, мощности и напряжению их подразделяют на типы. Каждому типу трансформаторов присваивают обозначение, состоящее из букв и цифр. Буквы в типах масляных и сухих трансформаторов обозначают: О — однофазный, Т — трехфазный, Н — регулирование напряжения под нагрузкой, Р — с расщепленными обмотками; по видам охлаждения: С — естественно-воздушное, М — естественная циркуляция воздуха и масла, Д — принудительная циркуляция воздуха и естественная циркуляция масла, ДЦ — принудительная циркуляция воздуха и масла, MB — принудительная циркуляция воды и естественная циркуляция масла, Ц— принудительная циркуляция воды и масла. Вторичное употребление буква С в обозначении типа показывает, что трансформатор трехобмоточный. Цифры в числителе указывают мощность трансформатора (в киловольт-амперах), в знаменателе — класс напряжения обмотки ВН (в киловольтах), например: ТМ-100/6 — трехфазный, с масляным охлаждением и естественной циркуляцией, мощностью 100 кВ-А, напряжением 6 кВ; ТД-10000/110 — трехфазный, с дутьевым охлаждением, мощностью 10 000 кВ-А, напряжением 110 кВ; ТДТ-20 000/110 — трехфазный, трехобмоточный, с дутьевым охлаждением, мощностью 20 000 кВ-А, напряжением 110 кВ; ТС-630/10 — трехфазный, сухого исполнения, мощностью 630 кВ-А, напряжением 10 кВ. ИЗМЕРИТЕЛЬНЫЕ ТРАНСФОРМАТОРЫ ТОКА
Трансформатор тока предназначен для уменьшения первичного тока до значений, наиболее удобных для измерительных приборов и реле, а также для отделения цепей измерения и защиты от первичных цепей высокого напряжения. Трансформатор тока имеет замкнутый магнитопровод 2 и две обмотки - первичную 1 и вторичную 3. Первичная обмотка включается последовательно в цепь измеряемого тока I1 ко вторичной обмотке присоединяются измерительные приборы, обтекаемые током I2.
Погрешность трансформатора тока зависит от вторичной нагрузки (сопротивление приборов, проводов, контактов) и от кратности первичного тока по отношению к номинальному. Увеличение нагрузки и кратности тока приводит к увеличению погрешности. При первичных токах, значительно меньших номинального, погрешность трансформатора тока также возрастает. Трансформаторы тока класса 0,2 применяются для присоединения точных лабораторных приборов, класса 0,5 - для присоединения счетчиков денежного расчета, класса 1 - для всех технических измерительных приборов, классов 3 и 10 - для релейной защиты. Кроме рассмотренных классов выпускаются также трансформаторы тока со вторичными обмотками типов Д (для дифференциальной защиты), 3 (для земляной защиты), Р (для прочих релейных защит). Токовые цепи измерительных приборов и реле имеют малое сопротивление, поэтому трансформатор тока нормально работает в режиме, близком к режиму КЗ. Если разомкнуть вторичную обмотку, магнитный поток в магнитопроводе резко возрастет, так как он будет определяться только МДС первичной обмотки. В этом режиме магнитопровод может нагреться до недопустимой температуры, а на вторичной разомкнутой обмотке появится высокое напряжение, достигающее в некоторых случаях десятков киловольт. Из-за указанных явлений не разрешается размыкать вторичную обмотку трансформатора тока при протекании тока в первичной обмотке. При необходимости замены измерительного прибора или реле предварительно замыкается накоротко вторичная обмотка трансформатора тока (или шунтируется обмотка реле, прибора). |
ИЗМЕРИТЕЛЬНЫЕ ТРАНСФОРМАТОРЫ НАПРЯЖЕНИЯ
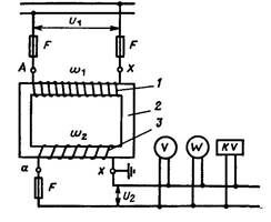
Трансформатор напряжения предназначен для понижения высокого напряжения до стандартного значения 100 или 100/
В и для отделения цепей измерения и релейной защиты от первичных цепей высокого напряжения. Схема включения однофазного трансформатора напряжения показана на рис. 2; первичная обмотка включена на напряжение сети U1, а ко вторичной обмотке (напряжение U2)
присоединены параллельно катушки измерительных приборов и реле. Для безопасности обслуживания один выход вторичной обмотки заземлен. Трансформатор напряжения в отличие от трансформатора тока работает в режиме, близком к холостому ходу, так как сопротивление параллельных катушек приборов и реле большое, а ток, потребляемый ими, невелик.
В зависимости от номинальной погрешности различают классы точности 0,2; 0,5; 1; 3. Погрешность зависит от конструкции магнитопровода, магнитной проницаемости стали и от cosφ вторичной нагрузки. В конструкции трансформаторов напряжения предусматривается компенсация погрешности по напряжению путем некоторого уменьшения числа витков первичной обмотки, а также компенсация угловой погрешности за счет специальных компенсирующих обмоток.
Суммарное потребление обмоток измерительных приборов и реле, подключенных к вторичной обмотке трансформатора напряжения, не должно превышать номинальную мощность трансформатора напряжения, так как в противном случае это приведет к увеличению погрешностей.
ВЫКЛЮЧАТЕЛИ ВЫСОКОГО НАПРЯЖЕНИЯ
Выключатель — это коммутационный аппарат, предназначенный для включения и отключения тока.
Выключатель является основным аппаратом в электрических установках, он служит для отключения и включения в цепи в любых режимах: длительная нагрузка, перегрузка, короткое замыкание, холостой ход, несинхронная работа. Наиболее тяжелой и ответственной операцией является отключение токов КЗ и включение на существующее короткое замыкание.
К выключателям высокого напряжения предъявляют следующие требования:
- надежное отключение любых токов (от десятков ампер до номинального тока отключения);
- быстрота действия, т. е. наименьшее время отключения;
- пригодность для быстродействующего автоматического повторного включения, т. е. - быстрое включение выключателя сразу же после отключения
- возможность пофазного (пополюсного) управления для выключателей
110 кВ и выше;
- легкость ревизии и осмотра контактов;
- взрыво- и пожаробезопасность;
- удобство транспортировки и эксплуатации.
Основными конструктивными частями выключателей являются: контактная система с дугогасительным устройством, токоведущие части, корпус, изоляционная конструкция и приводной механизм.
По конструктивным особенностям и способу гашения дуги различают следующие типы выключателей: масляные баковые (масляные многообъемные), маломасляные (масляные малообъемные), воздушные, элегазовые, электромагнитные, автогазовые, вакуумные выключатели.
РАЗЪЕДИНИТЕЛИ
Разъединитель — это контактный коммутационный аппарат, предназначенный для отключения и включения электрической цепи без тока или с незначительным током, который для обеспечения безопасности имеет между контактами в отключенном положении изоляционный промежуток.
При ремонтных работах разъединителем создается видимый разрыв между частями, оставшимися под напряжением, и аппаратами, выведенными в ремонт.
Разъединителями нельзя отключать токи нагрузки, так как контактная система их не имеет дугогасительных устройств и в случае ошибочного отключения токов нагрузки возникает устойчивая дуга, которая может привести к междуфазному КЗ и несчастным случаям с обслуживающим персоналом. Перед операцией разъединителем цепь должна быть разомкнута выключателем.
Однако для упрощения схем электроустановок допускается использовать разъединители для производства следующих операций: отключения и включения нейтралей трансформаторов и заземляющих дугогасящих реакторов при отсутствии в сети замыкания на землю;
- зарядного тока шин и оборудования всех напряжений (кроме батарей конденсаторов);
- нагрузочного тока до 15 А трехполюсными разъединителями наружной установки при напряжении 10 кВ и ниже.
Разъединителем разрешается также производить операции, если он надежно шунтирован низкоомной параллельной цепью (шиносоединительным или обходным выключателем).
Разъединителями и отделителями разрешается отключать и включать незначительный намагничивающий ток силовых трансформаторов и зарядный ток воздушных и кабельных линий.
Значение отключаемого разъединителем тока зависит от его конструкции (вертикальное, горизонтальное расположение ножей), от расстояния между полюсами, от номинального напряжения установки, поэтому допустимость такой операции устанавливается инструкциями и директивными указаниями. Порядок операций при отключении намагничивающего тока трансформатора также играет важную роль. Например, трансформаторы, имеющие РПН, необходимо перевести в режим недовозбуждения, так как ток намагничивания резко уменьшается при уменьшении индукции в магнитопроводе, которая зависит от подведенного напряжения. Кроме того, при отключении ненагруженного трансформатора необходимо предварительно эффективно заземлить нейтраль, если в нормальном режиме трансформатор работал с разземленной нейтралью. Если к нейтрали трансформатора был подключен заземляющий реактор, то предварительно его следует отключить.
Если в цепи имеются разъединитель и отделитель, то отключение и включение намагничивающего тока и зарядных токов следует выполнять отделителями, имеющими пружинный привод, который позволяет быстро произвести эту операцию.
Разъединители играют важную роль в схемах электроустановок, от надежности их работы зависит надежность работы всей электроустановки, поэтому к ним предъявляются следующие требования:
- создание видимого разрыва в воздухе, электрическая прочность которого соответствует максимальному импульсному напряжению;
- электродинамическая и термическая стойкость при протекании токов КЗ;
- исключение самопроизвольных отключений;
- четкое включение и отключение при наихудших условиях работы (обледенение, снег, ветер).
Разъединители по числу полюсов могут быть одно- и трехполюсными, по роду установки — для внутренних и наружных установок, по конструкции — рубящего, поворотного, катящегося, пантографического и подвесного типа. По способу установки различают разъединители с вертикальным и горизонтальным расположением ножей.
РЕАКТОРЫ
Существуют несколько способов ограничения токов короткого замыкания. В общем случае ограничение тока короткого замыкания достигается увеличением сопротивления цепи короткого замыкания либо путем осуществления раздельной работы питающих агрегатов и линий электросети, либо путем включения последовательно в цепь специальных сопротивлений.
Для искусственного увеличения сопротивления цепи короткого замыкания (КЗ) включают последовательно в три фазы индуктивные сопротивления, называемые реакторами. Реактором является катушка с малым активным сопротивлением. Витки катушки изолированы друг от друга, а вся катушка в целом изолирована от заземленных частей. Промышленностью выпускаются бетонные и масляные реакторы.
Бетонные реакторы. Катушка укрепляется на каркасе из изолирующего материала. Концы обмоток снабжены зажимами для последовательного включения реактора в сеть. В трёхфазных установках применяют реакторы, состоящие из трех катушек. Многожильный провод соответствующего сечения с помощью шаблона наматывается в виде катушки. После этого в специальные формы заливается бетон. Застывая, бетон образует вертикальные стойки-колонны, которые скрепляют между собой отдельные витки.
Торцы колонн имеют шпильки, с помощью которых укрепляются изоляторы. При больших номинальных токах (более 400 А) применяется несколько параллельных ветвей. Равномерное распределение тока по ветвям обеспечивается транспозицией витков.
Катушки бетонных реакторов изолируют от земли при помощи нескольких опорных изоляторов. Трёхфазный комплект реактора состоит из катушек, устанавливаемых в горизонтальной плоскости рядом (хорошее охлаждение витков) или в вертикальной плоскости одна над другой, при этом ухудшаются условия охлаждения витков катушек, особенно верхней.
Основные недостатки бетонных реакторов - большой вес и значительные габариты.
Масляные реакторы. При напряжениях более 35 кВ и при установке реакторов на открытой части подстанций применяются масляные реакторы. Масляные реакторы могут иметь однофазное и трехфазное исполнение. В первом случае одна катушка, а во втором - три катушки помещаются в стальном баке, залитом трансформаторным маслом. Обмотки выполняют из медных проводников, изолированных кабельной бумагой и уложенных на каркас из изоляционного материала. Концы катушек выводятся наружу через проходные фарфоровые изоляторы на крышке реактора. Обмотка реактора наматывается на специальный каркас из изоляционного материала типа гетинакса. Эта обмотка погружается в стальной бак с трансформаторным маслом. Применение масла позволяет уменьшить расстояние между обмоткой и заземленными частями и улучшить охлаждение обмотки за счет конвекции масла. Все это дает возможность уменьшить массу и габаритные размеры. Выводы реактора присоединяются к зажимам проходных изоляторов. Однако такая компоновка реактора наталкивается на большую трудность. Переменный магнитный поток реактора замыкается по баку, что приводит к его нагреву до недопустимых температур. Для того, чтобы избежать нагрева бака, внутри него устанавливается короткозамкнутая обмотка-экран из меди, которая является как бы вторичной обмоткой реактора. В этом экране наводятся токи, создающие магнитный поток, который в стенках бака направлен против магнитного потока катушки реактора. В результате через стенки бака замыкается сравнительно небольшой результирующий магнитный поток.
Масляные реакторы значительно дороже сухих реакторов, но зато по сравнению с последними они обладают рядом существенных преимуществ. Они надежно защищены от попадания в обмотку пыли, влаги и всякого рода посторонних предметов, и, кроме того, их можно устанавливать на любом расстоянии от стальных и железобетонных конструкций в открытых установках.
Сдвоенные реакторы. Для уменьшения потерь напряжения и сокращения объема зданий распределительного устройства применяются сдвоенные реакторы. Сдвоенный реактор представляет собой два согласно включенных реактора с сильной магнитной связью. Реакторы расположены один над другим.
В сдвоенных реакторах реакторы соседних ветвей сближены так, что между ними существует сильная магнитная связь. Совмещение в одном реакторе двух уменьшает габариты аппарата, упрощает и удешевляет распредустройство. В номинальном режиме магнитные поля реакторов направлены встречно и оказывают размагничивающее действие. В результате индуктивное сопротивление ветви падает. Соответственно уменьшается падение напряжения на реакторе.
РАЗРЯДНИКИ
Разрядник - электрический аппарат, предназначенный для ограничения перенапряжений в электротехнических установках и электрических сетях.
Применение. В электрических сетях часто возникают импульсные всплески напряжения, вызванные коммутациями электроаппаратов, атмосферными разрядами или иными причинами. Несмотря на кратковременность такого перенапряжения, его может быть достаточно для пробоя изоляции и, как следствие, короткого замыкания, приводящего к разрушительным последствиям. Для того, чтобы устранить вероятность короткого замыкания, можно применять более надежную изоляцию, но это приводит к значительному увеличению стоимости оборудования. В связи с этим в электрических сетях целесообразно применять разрядники.
Устройство и принцип действия
Разрядник состоит из двух электродов и дугогасительного устройства.
Электроды. Один из электродов крепится на защищаемой цепи, второй электрод заземляется. Пространство между электродами называется искровым промежутком. При определенном значении напряжения между двумя электродами искровой промежуток пробивается, снимая тем самым перенапряжение с защищаемого участка цепи. Одно из основных требований, предъявляемых к разряднику — гарантированная электрическая прочность при промышленной частоте (разрядник не должен пробиваться в нормальном режиме работы сети).
Дугогасительное устройство. После пробоя импульсом искровой промежуток достаточно ионизирован, чтобы пробиться фазным напряжением нормального режима, в связи с чем возникает короткое замыкание и, как следствие, срабатывание устройств РЗиА, защищающих данный участок. Задача дугогасительного устройства — устранить это замыкание в наиболее короткие сроки до срабатывания устройств защиты.
Виды разрядников
Трубчатый разрядник. Трубчатый разрядник представляет собой дугогасительную трубку из полимеров, способных подвергаться термической деструкции с выделением значительного количества газов и без значительного обугливания - полихлорвинила или оргстекла (первоначально, в 19-начале 20 века, это была фибра), с разных концов которой закреплены электроды. Один электрод заземляется, а второй располагается на небольшом расстоянии от него (расстояние регулируется в зависимости от напряжения защищаемого участка). При возникновении перенапряжения пробиваются оба промежутка: между разрядником и защищаемым участком и между двумя электродами. В результате пробоя в трубке возникает интенсивная газогенерация (преимущественно углекислый газ), и через выхлопное отверстие образуется продольное дутье, достаточное для гашения дуги.
Вентильный разрядник состоит из двух основных компонентов: многократного искрового промежутка (состоящего из нескольких однократных) и рабочего резистора (состоящего из последовательного набора вилитовых дисков). Многократный искровой промежуток последовательно соединен с рабочим резистором. В связи с тем, что вилит меняет характеристики при увлажнении, рабочий резистор герметично закрывается от внешней среды. Во время перенапряжения многократный искровой промежуток пробивается, задача рабочего резистора — снизить значение сопровождающего тока до величины, которая сможет быть успешно погашена искровыми промежутками. Вилит обладает особенным свойством — его сопротивление нелинейно — оно падает с увеличением значения силы тока. Это свойство позволяет пропустить больший ток при меньшем падении напряжения. Благодаря этому свойству вентильные разрядники и получили свое название. Среди прочих преимуществ вентильных разрядников следует отметить бесшумность срабатывания и отсутствие выбросов газа или пламени.
Магнитовентильный разрядник (РВМГ). Магнитовентильный разрядник состоит из нескольких последовательных блоков с магнитным искровым промежутком и соответствующего числа вилитовых дисков. Каждый блок магнитных искровых промежутков представляет собой поочередное соединение единичных искровых промежутков и постоянных магнитов, заключенное в фарфоровый цилиндр.
При пробое в единичных искровых промежутках возникает дуга, которая за счет действия магнитного поля, создаваемого кольцевым магнитом, начинает вращаться с большой скоростью, что обеспечивает более быстрое, по сравнению с вентильными разрядниками, дугогашение.
Разрядник длинно-искровой. Принцип работы разрядника основан на использовании эффекта скользящего разряда, который обеспечивает большую длину импульсного перекрытия по поверхности разрядника, и предотвращении за счет этого перехода импульсного перекрытия в силовую дугу тока промышленной частоты. Разрядный элемент РДИ. вдоль которого развивается скользящий разряд, имеет длину, в несколько раз превышающую длину защищаемого изолятора линии. Конструкция разрядника обеспечивает его более низкую импульсную электрическую прочность по сравнению с защищаемой изоляцией. Главной особенностью длинно-искрового разрядника является то. что вследствие большой длины импульсного грозового перекрытии вероятность установления дуги короткого замыкания сводится к нулю.
Существуют различные модификации РДИ, отличающиеся назначением и особенностями ВЛ, на которых они применяются.
РДИ предназначены для защиты воздушных линий электропередачи напряжением 6-10 кВ трехфазного переменного тока с защищёнными и неизолированными проводами от индуктированных грозовых перенапряжений и их последствий и прямого удара молнии: рассчитаны для работы на открытом воздухе при температуре окружающего воздуха от минус 60 °С до плюс 50 °С в течение 30-и лет.
Основное преимущество РДИ: разряд развивается вдоль аппарата по воздуху, а не внутри его. Это позволяет значительно увеличить срок эксплуатации изделий и повышает их надежность.
Различные ОПН. Ограничитель перенапряжения нелинейный (ОПН) — это элемент защиты без искровых промежутков. Активная часть ОПН состоит из легированного металла, при подаче напряжения он ведет себя как множество последовательно соединенных варисторов. Принцип действия ОПН основан на том, что проводимость варисторов нелинейно зависит от приложенного напряжения. При отсутствии перенапряжений ОПН не пропускает ток, но как только на участке сети возникает перенапряжение, сопротивление ОПН резко снижается, чем и обуславливается эффект защиты от перенапряжения. После окончания действия перенапряжения на выводах ОПН. его сопротивление опять возрастает. Переход из «закрытого» в «открытое» состояние занимает единицы наносекунд (в отличие от разрядников с искровыми промежутками, у которых это время срабатывания может достигать единиц микросекунд). Кроме высокой скорости срабатывания ОПН обладает еще рядом преимуществ. Одним из них является стабильность характеристики варисторов после неоднократного срабатывания вплоть до окончания указанного времени эксплуатации, что, кроме прочего, устраняет необходимость в эксплуатационном обслуживании.
Опоры воздушных линий
Основными типами опор ВЛ являются анкерные и промежуточные. Опоры этих двух основных групп различаются способом подвески проводов. На промежуточных опорах провода подвешиваются с помощью поддерживающих гирлянд изоляторов. Расстояние между промежуточными опорами называется промежуточным пролетом или просто пролетом, а расстояние между анкерными опорами - анкерным пролетом. Промежуточные опоры устанавливаются на прямых участках ВЛ для поддержания провода в анкерном пролете. Промежуточная опора дешевле и проще в изготовлении, чем анкерная, так как благодаря одинаковому тяжению проводов по обеим сторонам она при необорванных проводах, т. е. в нормальном режиме, не испытывает усилий вдоль линии. Промежуточные опоры составляют 80-90 % общего числа опор ВЛ.
Анкерные опоры предназначены для жесткого закрепления проводов в особо ответственных точках ВЛ: на пересечениях инженерных сооружений (например, железных дорог, ВЛ 330—500 кВ, автомобильных дорог шириной проезжей части более 15 м и т.д.) и на концах ВЛ. Анкерные опоры на прямых участках трассы ВЛ при подвеске проводов с обеих сторон от опоры в нормальных режимах выполняют те же функции, что и промежуточные опоры. Но анкерные опоры рассчитываются на восприятие односторонних тяжений по проводам и тросам при обрыве проводов или тросов в примыкающем пролете. Анкерные опоры значительно сложнее и дороже промежуточных, и поэтому число их на каждой линии должно быть минимальным.
Угловые опоры устанавливают в точках поворота линии. Углом поворота линии называется угол a в плане линии (рис.2.4), дополнительный до 1800 к внутреннему углу b линии. Траверсы угловой опоры устанавливают по биссектрисе угла b.
Угловые опоры могут быть анкерного и промежуточного типа. Кроме нагрузок, воспринимаемых промежуточными опорами, на угловые опоры действуют также нагрузки от поперечных составляющих тяжения проводов и тросов. Чаще всего при углах поворота линий до 20° применяют угловые опоры анкерного типа.
На ВЛ применяются специальные опоры следующих типов: транспозиционные - для изменения порядка расположения проводов на опорах; ответвительные - для выполнения ответвлений от основной линии; переходные - для пересечения рек, ущелий и т. д.
Транспозицию применяют на линиях напряжением 110кВ и выше протяженностью более 100 км для того, чтобы сделать емкость и индуктивность всех трех фаз цепи ВЛ одинаковыми. При этом на опорах последовательно меняют взаимное расположение проводов по отношению друг к другу на разных участках линии: провод каждой фазы проходит одну треть длины линии на одном, вторую - на другом и третью - на третьем месте. Такое тройное перемещение проводов называют полным циклом транспозиции.
Наиболее распространенные расположения проводов и грозозащитных тросов на опорах изображены на рис.2.6. Расположение проводов треугольником (рис.2.6,а) применяют на ВЛ 10кВ и на одноцепных ВЛ 35-330кВ с металлическими и железобетонными опорами. Горизонтальное расположение проводов (рис.2.6,б) используют на ВЛ 35-220 кВ с деревянными опорами и на ВЛ 330 кВ. Это расположение проводов позволяет применять более низкие опоры и уменьшает вероятность схлестывания проводов при образовании гололеда и пляске проводов. Поэтому горизонтальное расположение предпочтительнее в гололедных районах.

На двухцепных ВЛ расположение проводов обратной елкой удобнее по условиям монтажа (рис.2.6, в), но увеличивает массу опор и требует подвески двух защитных тросов. Наиболее экономичны двухцепные ВЛ 35—330 кВ на стальных и железобетонных опорах с расположением проводов бочкой (рис.2.6, г).
Деревянные опоры применяют на ВЛ до 35 кВ включительно. Достоинства этих опор - малая стоимость (в районах, располагающих лесными ресурсами) и простота изготовления. Недостаток - подверженность древесины гниению, особенно в месте соприкосновения с почвой. Эффективное средство против гниения - пропитка специальными антисептиками. Металлические (стальные) опоры, применяемые на линиях электропередачи напряжением 35 кВ и выше, для защиты от коррозии в процессе эксплуатации требуют окраски. Устанавливают металлические опоры на железобетонных фундаментах. Эти опоры по конструктивному решению тела опоры могут быть отнесены к двум основным схемам - портальным (рис.2.7, а,б) и башенным или одностоечным (рис.2.7, в,г) а по способу закрепления на фундаментах - к свободностоящим опорам (рис.2.7.г) и опорам на оттяжках (рис. 2.7, а-в).
Независимо от конструктивного решения и схемы металлические опоры выполняются в виде пространственных решетчатых конструкций. Анкерные опоры отличаются от промежуточных увеличенными вылетами траверс и усиленной конструкцией тела опоры. На ВЛ 500 кВ, как правило, применяется горизонтальное расположение проводов. Промежуточные опоры 500 кВ могут быть портальными свободностоящими или на оттяжках. Наиболее распространенная конструкция опоры 500 кВ - портал на оттяжках (рис.2.7, а). Для линии 750 кВ применяются как портальные опоры на оттяжках, так и V-образные опоры типа «Набла» с расщепленными оттяжками. Основным типом промежуточных опор для линий 1150 кВ являются V-образные опоры на оттяжках с горизонтальным расположением проводов (рис.2.7, б).
Железобетонные опоры долговечнее деревянных, требуют меньше металла, чем металлические, просты в обслуживании и поэтому широко применяются на ВЛ до 500кВ включительно. При изготовлении железобетонных опор для обеспечения необходимой плотности бетона применяются виброуплотнение и центрифугирование. Виброуплотнение производится различными вибраторами (инструментами или навесными приборами), а также на вибростолах. Центрифугирование обеспечивает хорошее уплотнение бетона и требует специальных машин - центрифуг. На ВЛ 110 кВ и выше стойки опор и траверсы портальных опор - центрифугированные трубы, конические или цилиндрические. На ВЛ 35кВ стойки - центрифугированные или из вибробетона, а для ВЛ более низкого напряжения - только из вибробетона. Траверсы одностоечных опор - металлические оцинкованные.
Для ВЛ 35—500 кВ применяются преимущественно унифицированные конструкции металлических и железобетонных опор. В результате этого сокращено число типов и конструкций опор и их деталей. Это позволило серийно производить опоры на заводах, что позволяет ускорить и удешевить сооружение линий.
Провода воздушных линий
На ВЛ чаще всего применяются неизолированные провода. Материал проводов должен иметь высокую электрическую проводимость. Наибольшую проводимость имеет медь, затем алюминий; сталь имеет значительно более низкую проводимость. Провода и тросы должны быть выполнены из металла, обладающего достаточной прочностью. По механической прочности на первом месте стоит сталь. Материал проводов и тросов должен быть стойким по отношению к коррозии и химическим воздействиям. В настоящее время наибольшее распространение получили провода алюминиевые (А), сталеалюминевые (АС), а также из сплавов алюминия - (АН, АЖ). Медные провода не используются без специальных технико-экономических обоснований.
Грозозащитные тросы, как правило, выполняются из стали. В последние годы грозозащитные тросы используются для организации высокочастотных каналов связи. Такие тросы выполняются сталеалюминиевыми.
Конструкции и общий вид неизолированных проводов приведены на рис. 2.2. Однопроволочный провод (рис.2.2,б) состоит из одной круглой проволоки. Такие провода дешевле многопроволочных, однако, они менее гибки и имеют меньшую механическую прочность. Многопроволочные провода из одного металла (рис.2.2,в) состоят из нескольких свитых между собой проволок. При увеличении сечения увеличивается число проволок. В многопроволочных сталеалюминиевых проводах (рис.2.2,г) сердечник провода (внутренние проволоки) выполняется из стали, а верхние проволоки - из алюминия.
Стальной сердечник увеличивает механическую прочность, алюминий является токопроводящей частью провода. Полые провода (рис. 2.2,д) изготовляют из плоских проволок, соединенных друг с другом в паз, что обеспечивает конструктивную прочность провода. У таких проводов больший по сравнению со сплошными проводами диаметр, благодаря чему повышается напряжение, при котором появляется коронирующий разряд на проводах, и значительно снижаются потери энергии на корону. Полые провода применяются на ВЛ редко, они главным образом используются для ошиновки подстанций 330 кВ и выше. Для повышения пропускной способности и снижения потерь электроэнергии на корону на ВЛ при Uном ≥ ЗЗ0 кВ каждая фаза линии расщепляется на несколько проводов.
Наиболее широко применяются сталеалюминиевые провода. Проводимость стального сердечника не учитывается, а за электрическое сопротивление принимается только сопротивление алюминиевой части. В соответствии с ГОСТ 839-80 выпускаются сталеалюминиевые провода марок АС, АСКС, АСКП, АСК.
Провод марки АС состоит из стального сердечника и алюминиевых проволок. Провод предназначается для ВЛ при прокладке их на суше, кроме районов с загрязненным вредными химическими соединениями воздухом. Коррозионно-стойкие провода АСКС, АСКП, АСК предназначены для ВЛ, проходящих по побережьям морей, соленых озер и в промышленных районах с загрязненным воздухом; АСКС и АСКП - это провода марки АС, в которых межпроволочное пространство стального сердечника (С) или всего провода (П) заполнено нейтральной смазкой повышенной термостойкости; АСК - провод марки АСКС, где стальной сердечник изолирован двумя лентами полиэтиленовой пленки. В обозначение марки провода вводится номинальное сечение алюминиевой части провода и сечение стального сердечника, например АС 120/19 или АСКС 150/34.
ИЗОЛЯТОРЫ
Линейные изоляторы предназначены для изоляции и крепления проводов на ВЛ и в распределительных устройствах электрических станций и подстанций. Изготавливаются они из фарфора или закаленного стекла. По конструкции изоляторы разделяют на штыревые и подвесные.
Штыревые изоляторы применяются на ВЛ напряжением до 1 кВ и на ВЛ 6-35 кВ (35 кВ - редко и только для проводов малых сечений). На номинальное напряжение 6-10 кВ и ниже изоляторы изготавливают одноэлементными (рис. 1.13, а), а на 20-35 кВ - двухэлементными (рис.1.13, б). В условном обозначении изолятора буква и цифры обозначают: Ш – штыревой; Ф (С)–фарфоровый (стеклянный); цифра–номинальное напряжение, кВ; последняя буква А, Б, В – исполнение изолятора.
Подвесной изолятор тарельчатого типа наиболее распространен на ВЛ напряжением 35 кВ и выше. Подвесные изоляторы (рис. 1.13, в) состоят из фарфоровой или стеклянной изолирующей части и металлических деталей – шапки 2 и стержня 3, соединяемых с изолирующей частью посредством цементной связки 4. На рис. 1.13,в показан фарфоровый изолятор нормального исполнения. Для ВЛ в районах с загрязненной атмосферой разработаны конструкции изоляторов грязестойкого исполнения с повышенными разрядными характеристиками и увеличенной длиной пути утечки. В условном обозначении изолятора буквы и цифры означают: П–подвесной; Ф (С)–фарфоровый (стеклянный); Г–для загрязненных районов; цифра– класс изолятора, кН; А, Б, В–исполнение изолятора.
Подвесные изоляторы собирают в гирлянды (рис. 1.14, а, б), которые бывают поддерживающими и натяжными. Первые монтируют на промежуточных опорах, вторые–на анкерных. Число изоляторов в гирлянде зависит от напряжения линии. Например, в поддерживающих гирляндах ВЛ с металлическими и железобетонными опорами 35 кВ должно быть 3 изолятора; 110 кВ–6–8, 220 кВ– 10-14 и т. д. Штыревые изоляторы крепятся на опорах при помощи крюков или штырей. Если требуется повышенная надежность, то на анкерные опоры устанавливают не один, а два и даже три штыревых изолятора.
Защита от атмосферных перенапряжений
Молниеотводы, возвышаясь над ВЛ, принимают на себя удары молний и тем самым защищают линию or грозовых разрядов. Они представляют собой заземленные вертикальные конструкции (мачты), которые для защиты линии обычно устанавливают на участках между концевыми опорами ВЛ и порталами подстанций. Пространство вокруг молниеотводов, не поражаемое грозовыми разрядами, называют защитной зоной молниеотвода.
Грозозащитные тросы представляют собой протяженные молниеотводы, натянутые вдоль линии над проводами. В зависимости от расположения и количества проводов на опорах ВЛ монтируют один или два троса. Высоту подвеса грозозащитных тросов выбирают такой, чтобы угол защиты (угол между вертикалью, проходящей через трос, и линией, соединяющей трос с крайним проводом) был не больше 20—30°. Согласно ПУЭ тросы подвешивают вдоль всех линий напряжением 110 кВ и выше с металлическими и железобетонными опорами. Подходы к подстанциям ВЛ 35 кВ и выше защищают тросом независимо от материала опор.
Защитные промежутки защищают линию от перенапряжений, создавая «слабые» места линии. Для этого устраивают искровые промежутки, изоляция которых должна быть достаточной, чтобы выдержать рабочее напряжение линии и не допустить замыкания рабочего тока на землю, и в то же время должна быть слабее изоляции линии. При ударе молнии в провода ВЛ грозовой разряд пробивает «слабое» место и проходит в землю, не разрушая изоляции линии. Защитные промежутки, применяемые для защиты изоляции линий, имеющих большой запас электрической прочности, состоят из двух металлических электродов, установленных на определенном расстоянии друг от друга. Один электрод подсоединяют к проводу и изолируют от основания, а второй заземляют. Расстояние между электродами (искровой промежуток) зависит от рабочего напряжения линии. На линиях со штыревыми изоляторами наиболее целесообразной является форма электродов в виде рогов, которая обеспечивает растяжение дуги при разряде.
Трубчатые и вентильные разрядники имеют искровые промежутки и устройства, гасящие электрическую дугу. Устанавливают их, как и защитные промежутки, между проводом и заземлением, параллельно защищаемой изоляции. Разрядники, как правило, защищают подходы ВЛ к подстанциям, а также переходы ВЛ через линии связи, автомобильные и железные дороги и линии электропередачи.
Защитное заземление (заземляющее устройство) обеспечивает электрическое соединение заземляемых частей с землей. Электрическое сопротивление заземляющих устройств должно быть минимальным. Основная доля сопротивления приходится на переход от заземляющего элемента к грунту. Поэтому сопротивление заземляющего устройства зависит от качества и состояния грунта, в котором оно находится, глубины заложения заземляющих элементов, их типа, количества и взаимного расположения.
КОНСТРУКЦИЯ КАБЕЛЕЙ И КАБЕЛЬНЫЕ ЛИНИИ
Силовые кабели состоят из одной или нескольких токопроводящих жил, отделенных друг от друга и от земли изоляцией. Поверх изоляции для ее предохранения от влаги, кислот и механических повреждений накладывают защитную оболочку ,и стальную ленточную броню с защитными покровами. Токопроводящие жилы, как правило, изготовляются из алюминия как однопроволочными (сечением до 16 мм2), так и многопроволочными. Применение кабелей с медными жилами предусмотрено только в специальных случаях, например во взрывоопасных помещениях, в шахтах, опасных по газу и пыли. На переменном токе до 1 кВ применяют четырехжильные кабели, сечение четвертой, нулевой жилы меньше, чем основных. Кабели в сетях переменного тока до 35 кВ – трехжильные, кабели 110 кВ и выше–одножильные. На постоянном токе применяют одножильные и двухжильные кабели.
Изоляция выполняется из специальной пропитанной минеральным маслом кабельной бумаги, накладываемой в виде лент на токопроводящие жилы. При прокладке кабелей на вертикальных и крутонаклонных трассах возможно перемещение пропитывающего состава вдоль кабеля. Поэтому для таких трасс изготовляются кабели с обедненно-пропитанной изоляцией и с нестекающим пропитывающим составом. Изготовляются также кабели с резиновой или полиэтиленовой изоляцией.
Защитные оболочки, накладываемые поверх изоляции для ее предохранения от влаги и воздуха, бывают свинцовыми, алюминиевыми или поливинилхлоридными. Рекомендуется широко использовать кабели в алюминиевой оболочке. Кабели в свинцовой оболочке предусмотрены для прокладки под водой, в угольных и сланцевых шахтах, в особо опасных коррозионно-активных средах. В остальных случаях выбор кабелей в свинцовой оболочке надо специально технически обосновать.
Вместе с этой лекцией читают "66 Аппараты абсорбционной холодильной установки".
Свинцовые, алюминиевые или поливинилхлоридные оболочки надо защитить от механических повреждений. Для этого на оболочку накладывают броню из стальных лент или проволок. Алюминиевая оболочка и стальная броня в свою очередь подлежат защите от коррозии, химического воздействия и блуждающих в земле токов. Для этого между оболочкой и броней, а также поверх брони накладывают внутренний и внешний защитные покровы. Внутренний защитный покров (или подушка под броней)–
это джутовая прослойка из хлопчатобумажной пропитанной пряжи или из кабельной сульфатной бумаги. Поверх этой бумаги накладывают еще две поливинилхлоридные ленты. Наружный защитный покров – также из джута, пропитанного антикоррозионным составом. Для прокладки в туннелях и других местах, опасных в пожарном отношении, применяют специальные кабели с негорючими защитными покровами.
Каждая из трех жил кабелей 1–10 кВ имеет секторную форму и обмотана фазной изоляцией (двумя или более слоями лентами пропитанной кабельной бумаги). Пространство между жилами заполняют жгутами из сульфатной бумаги. Поверх жил накладывают общую поясную изоляцию той же структуры, что и фазная изоляция жил кабеля.
Силовые линии электрического поля в кабелях с поясной изоляцией и общей металлической оболочкой имеют различные углы наклона по отношению к слоям бумаги, что обусловливает в них как нормальные, так и касательные (тангенциальные) составляющие поля. Это заметно ухудшает свойства кабеля, так как электрическая прочность изоляции вдоль слоев бумаги в 8–10 раз меньше по сравнению с прочностью при нормальном к бумаге направлении силовых линий. Электрическая прочность
заполнителей также значительно ниже, чем пропитанной изоляции. Из-за этого недостатка кабели с поясной изоляцией и общей металлической оболочкой не применяются на напряжение выше 10 кВ.
Трехжильные кабели 20–35 кВ состоят из отдельно освинцованных или экранированных жил. В первом случае бесшовная свинцовая оболочка положена поверх бумажной фазной изоляции каждой жилы. В кабеле с экранированными жилами поверх бумажной изоляции каждой жилы наложен экран–слой перфорированной медной ленты или ленты из перфорированной металлизированной бумаги. Свинцовая оболочка или экран создает эквипотенциальные поверхности вокруг изоляции каждой из фаз, при которых существуют лишь радиальные силовые линии электрического поля в фазной
изоляции. Свинцовые оболочки поверх жил сравнивают и тепловые поля в изоляции фаз.
Газонаполненные кабели применяются при напряжении 10–110 кВ. Это свинцованные кабели с изолирующей бумагой, пропитанной относительно малым количеством компаунда. Кабель находится под небольшим избыточным давлением инертного газа (обычно азота), что значительно повышает изолирующие свойства бумаги. Постоянство давления обеспечивается тем, что утечки газа компенсируется непрерывной подпиткой.
Кабели переменного тока 110 и 220 кВ изготовляют маслонаполненными и, как правило, одножильными. Эти кабели изготовляются с изоляцией из бумажных лент различной плотности, пропитанных высоковольтным нефтяным или синтетическим маслом малой вязкости. Маслопроводящий канал этих кабелей через специальные муфты периодически по трассе прокладки соединяется с баками давления, которое может достигать 0,3 МПа. Избыточное давление масла исключает возможность образования пустот в изоляции кабеля и значительно повышает его электрическую прочность. По значению давления, под которым находится масло, кабели делятся на кабели низкого и высокого давления. Длительно допустимое избыточное давление масла в кабелях низкого давления должно быть в пределах 0,06–0,3 МПа, а в кабелях высокого давления–1,1–1,6 МПа. Кабели высокого давления наиболее целесообразны на 220–500 кВ при прямых трассах.




Коэффициент трансформации трансформаторов тока не является строго постоянной величиной и может отличаться от номинального значения вследствие погрешности, обусловленной наличием тока намагничивания. Погрешность трансформатора тока зависит от его конструктивных особенностей: сечения магнитопровода, магнитной проницаемости материала магнитопровода, средней длины магнитного пути. В зависимости от предъявляемых требований выпускаются трансформаторы тока с классами точности 0,2; 0,5; 1; 3; 10. Указанные цифры представляют собой токовую погрешность в процентах номинального тока при нагрузке первичной обмотки током 100-120% для первых трех классов и 50- 120% для двух последних. Для трансформаторов тока классов точности 0,2; 0,5 и 1 нормируется также угловая погрешность.



















