Коробки скоростей и подач
Лекция №7
Коробки скоростей и подач. Типовые механизмы ступенчатого изменения скоростей движения. Типовые приводы и механизмы бесступенчатого регулирования. Механизмы управления и реверса.
Суммирующие механизмы.
Коробки скоростей и подач:
Регулирование скорости главного движения осуществляется при помощи коробок скоростей. Их конструируют в виде самостоятельных узлов или встроенными в корпусные детали, например в станины, в шпиндельные бабки. Коробки скоростей современных, в частности универсальных станков, имеют большое число ступеней и большой диапазон регулирования скоростей. Они должны быть простыми и компактными, иметь малый вес, минимальное число валов, передач, высокий КПД, низкий уровень шума. Конструкция коробок должна быть технологичной, надежной в эксплуатации, удобной в ремонте и в обслуживании.
Закономерность геометрического ряда частот вращения шпинделя позволяет проектировать коробки скоростей наиболее простой структуры, состоящей из элементарных двухваловых механизмов, последовательно соединенных между собой в одну или несколько кинематических цепей. Такая структура называется множительной, так как кинематические условия настройки этих приводов определяются свойствами множительных групп передачи, а общее число скоростей получается перемножением чисел скоростей элементарных двухваловых передач.
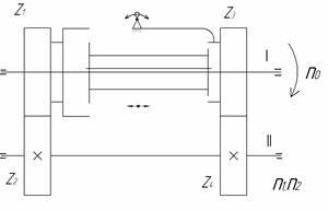
Рассмотрим устройство шестиступенчатой коробки скоростей (рис. 1). Для передачи вращения от вала I к валу Il служит множительный механизм с трехвенцовым блоком, а от вала Il к валу Ill - с двухвенцовым блоком. В результате последовательного соединения, этих элементарных механизмов при одной скорости ведущего вала I ведомый вал III (или шпиндель) может иметь шесть различных скоростей.
Рекомендуемые материалы


Коробка скоростей предназначена для изменения частоты вращения шпинделя и передачи движения на коробку подач.
Коробки скоростей могут состоять из следующих механизмов:
1) Механизм передвижных блоков шестерен – предназначен для изменения частоты вращения шпинделя.
2) Механизм перебора – предназначен для изменения диапазона частоты вращения шпинделя.
3) Механизм реверса – предназначен для нарезания правых и левых резьб (изменения вращения ходового винта).
4) Механизм увеличения шага нарезаемой резьбы – предназначен для нарезания резьбы с шагом больше, чем шаг ходового винта.
Коробки подач предназначены для изменения частоты вращения ходового винта и ходового вала. Могут состоять из следующих механизмов:
1) Механизм корригированных колес.
2) Множительный механизм.
Основные типы коробок скоростей и подач:
Построенные на основе множительных передач.
Передачи с составной структурой.
Коробки скоростей с перебором.
Привод с многоскоростными электродвигателями.
Автоматические коробки скоростей.
Передачи с бесступенчатым регулированием.
Механизмы для ступенчатого регулирования и скоростей и подач.
Для этой цели применяют коробки скоростей и подач (универсальные станки), гитары сменных шестерён (специализированные станки). Не смотря на большое количество различных конструкций, все они составлены из ограниченного числа типовых механизмов – это:
Механизм шестерен с кулачковыми муфтами.
Механизм шестерен с фрикционными муфтами.
Механизм с передвижными блоками колес.
Конус Нортона с откидным колесом (механизм портала).
Механизм шестерен с вытяжной шпонкой.
Механизм шестерен со ступенями возврата.
Механизм корригированных колес.
1)Механизм шестерен с кулачковыми муфтами.
|
|
1)
число оборотов 2го вала.
2)
Механизм обратимый при различных включениях полумуфты.
3)
- частота вала II.


Достоинства механизма:
1) Малые осевые габариты.
2) Малые усилия и перемещения при переключении муфты.
3) Может передавать большой крутящий момент.
Недостатки механизма:
1) Низкий КПД, т.к. при включении вращаются все шестерни.
2) Механизм нельзя включать на ходу, иначе может зуб попасть на зуб и полумуфта не включится.
2)Механизм шестерен с фрикционными муфтами.
Механизм обратимый:


прямая передача.

обратная передача.
Механизм сообщает 2-му валу две различные скорости т. к. имеет два передаточных отношения.
Преимущества:
1) Данную муфту можно переключать на ходу.
2) Данная муфта может быть использована в качестве предохранительного механизма.
3) Малые перемещения при переключении.
Недостатки:
1) Большое усилие при переключении.
2) Передача ограниченного крутящего момента.
3) Есть необходимость периодического регулирования муфты.
4) Низкий КПД, т.к. одна из передач работает в холостую.
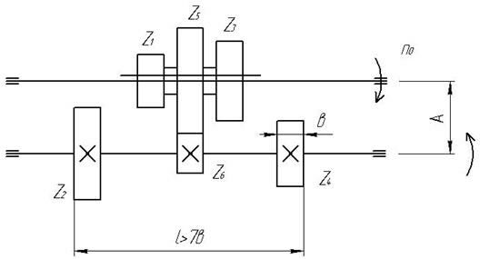
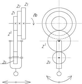
3) Механизм с передвижными блоками колес.




На валу Ι подвижно закреплён трехвенцовый блок (Z1 –Z3 –Z5). На валу Ι Ι неподвижно закреплены 3 шестерни: Z2, Z4, Z6.
В таких механизмах применяются 2х, 3х и 4х венцовые блоки; с целью сокращения осевых габаритов механизма, 4х венцовые блоки разбивают на два 2х венцовые.
При конструировании 3х венцовых блоков, для удобства их перемещения, наибольший венец размещают в центре блока.
Механизм обратимый, ведущий тройной блок может занимать три рабочих положе-
ния.


ί1
ί1=

ί2
ί2=
прямая
обратная передача
ί3
ί3
передача
Для нормальной работы механизма необходимо три условия:
1.Условие размещения.
Требуется постоянство суммы чисел зубьев сопряженных колес, т.к. модуль всех колес одинаков:

2. Условие переключения заключается в том, что при переключении блок должен занимать нейтральное положение:
ℓ≥7в для трех венцового блока, где в – ширина зубчатой шестерни.
ℓ≥4в для двух венцового блока.
Это условие ведет к большим осевым габаритам, поэтому 4-х венцовые применяют редко, часто заменяя двумя двойными, но усложняется механизм управления.
3. Условие проходимости блока:
Для удобства переключения венец с наибольшим числом зубьев всегда располагают в середине блока.

Разность чисел зубьев соседних венцов не должна быть меньше, чем 4 зуба.
Достоинства механизма:
1. Простота.
2. Возможность передачи больших крутящих моментов.
3. Нет не нагруженных передач.
4. Легче переключается, чем кулачковая муфта, т.к. нет свободно вращающихся частей.
Недостатки механизма:
1. Нельзя переключать на ходу.
2. Малый К.П.Д.
3. Большие перемещения при переключении.
4. Используются только прямозубые шестерни.
4.Механизм, с откидным колесом и конусом Нортона.
|
|





прямая

обратная
Достоинства механизма:
1. Возможность обеспечивать точные передаточные отношения т.к. не нужно соблюдать условие Sz=const.
2. Нет ненагруженных передач.
3. Возможность получения близких передаточных отношений.
4. Компактность, обеспечивает К ступеней, где К – число ступеней в конусе Нортона.
Недостатки механизма:
1.Передаёт малые крутящие моменты.
2.Нельзя переключать на ходу.
3.Недостаточная жесткость соединения откидного колеса с конусом.
4.Сложность механизма переключения.
5.Плохие условия смазки, попадание пыли в механизм.
5.Механизм шестерен с вытяжной шпонкой.

Механизм обратимый, состоит из двух конусов Нортона.
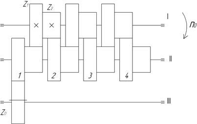
6.Механизм со ступенями возврата.

Данный механизм является 3х валовым и состоит из одинаковых 2х венцовых блоков и все, кроме первого, установлены свободно. На нижнем III валу передвижное колесо Zo посажено подвижно и может занимать четыре положения. Механизм обратимый. Пусть ведущий - верхний вал, тогда передаточные отношения будут:
ί1 =
ί2 =
ί3 =
ί4 =
Получили геометрический ряд со знаменателем 
Достоинства:
1. Большой диапазон регулирования.
2. Одинаковые блоки.
3. Передаёт большие крутящие моменты.
Недостатки:
1. Работают ненагруженные колеса – низкий КПД.
Если на нижнем валу поместить каретку с откидным колесом, как в механизме Нортона,
то вместо 4-х получим 8 передаточных отношений.
7.Механизм корригированных колес.

M1 и M2 включаются и выключаются одновременно.




M1 и M2 М1 и М2
Включены. Выключены.
арифметическая
прогрессия
Бесступенчатое регулирование скоростей и подач.
Позволяет в определенном диапазоне устанавливать любые значения частоты вращения (скорости или подач). При этом нет потери скорости, и режущая способность инструмента используется в полной мере, поэтому повышается производительность.
Изменение режимов обработки можно производить на ходу станка. Станки с таким регулированием легче поддаются автоматизации.
Бесступенчатое регулирование можно осуществлять: электрическими, механическими и гидравлическими средствами.
1. Электрические средства: в тяжелых станках применяют двигатели постоянного тока с шунтовым регулированием. Однако у них мал диапазон регулирования. Поэтому для увеличения диапазона регулирования применяют двигатели постоянного тока с электромеханическим усилителем (ЭМУ).
В станках средней мощности применяются двигатели с тиристорным управлением.
2. Гидравлические средства:
Применяются для регулирования как вращательного, так и поступательного главного движения. Скорость гидродвигателя зависит от площади поршня гидроцилиндра и расхода рабочей жидкости:
скорость, F – площадь, Q – расход жидкости.
Плюсы:
-Большой диапазон регулирования.
-Возможность передачи больших усилий.
-Плавное и быстрое реверсирование.
-Удобство дистанционного регулирования.
Недостатки:
-Зависимость вязкости жидкости от температуры.
-Неизбежные утечки жидкости, грязь, недостаточная надежность системы.
3. Механические средства:
3.1. Передачи с раздвижными шкивами; (конусно-шкивной механизм).
Перемещая ремень влево и вправо можно изменить скорость вращения.
Желательно иметь одинаковые углы конусов.
Крутящий момент ограничен из-за проскальзывания ремня.
Конусы связаны ремнем, который может перемещаться в осевом направлении, меняя диаметр контакта с шкивами.
ί р.п.
;
- коэффициент проскальзывания.
Повышающая передача (ί >1) приводит к уменьшению крутящего момента.
Понижающая передача (ί <1) приводит к увеличению крутящего момента.
В основном передачи делают понижающие от входного вала к шпинделю.
3.2.Фрикционные передачи с передвижным роликом.
Перемещая ролик, изменяем числа оборотов второго вала.
Передается ограниченный крутящий момент.
3.3.Вариаторы (диапазон вариатора R, невелик от 3 до 6).
Их применение выгодно тем, что они автономны.
Поэтому применяют комбинированные приводы, в которых есть вариатор и простая коробка скоростей.

3.3.1.Передача с раздвижными шкивами.
Maксимальный диапазон регулирования может быть R=5 (от i=0.5 до i=2.5).
Применяются в станке 1К620 и их диапазон регулирования равен 4 (min ί=0. 5; max ί=2).
3.3.2 Торовый вариатор.
Иногда применяются встроенные вариаторы.
Имеются два торовых барабана, с которыми контактируют диски, поворачивающиеся синхронно.
Станок 1М620 (диапазон R=4). ί max=2; ί min=0.5.
Механизмы управления и реверса.
Служат для изменения режима обработки, для включения, выключения и реверсирования рабочих движений.
К ним предъявляют следующие требования:
1. Кратковременность действия и малые усилия переключения.
2. Удобство управления
3. Мнематичность управления – направление включения должно совпадать с направлением движения.
4. Безопасность, как для работника, так и для станка.
Классификация систем управления:
1)Многорукояточная система, (устарела)
2)Одно-рукояточная система.
Недостаток:
Выбор частоты вращения совмещен с переключением блоков.
3)Селективное управление (процессы выбора и переключения разделены).
Пример:
При выборе скорости поворачиваются перфорированные диски, но никаких переключений не происходит. После выбора диски нажимают на штыри, передвигая блоки – (смотри альбом Кучера, системы управления фрезерного станка).
4)Преселективная система – система с предварительным выбором скоростей.
Бывают: 1)Механические
2)Гидромеханические 1П365,(альбом Кучера).
Выбор нужной скорости производится во время выполнения рабочего перехода, а включение после завершения перехода.
Реверсивные механизмы – служат для изменения направления движения рабочих органов станка. Токарно–винторезный станок в идеале должен иметь 3 реверса: реверс шпинделя, реверс ходового винта и реверса подач; (может не быть реверса шпинделя).
Реверс бывает:
Электрический
Гидравлический
Механический
При электрическом реверсе изменяется изменение вращения электродвигателя.
Гидравлический реверс применяют в шлифовальных станках для изменения рабочей подачи стола.

Механический:
1)
С ременной передачей.
С помощью передвижной шпонки можно переключать шкивы
изменять направление вращения II вала.
2) С зубчатой передачей.
Получили наибольшее распространение, например реверс с цилиндрическими колесами, (реверс ходового вала в токарном станке).
ί реверса
, где К – число промежуточных осей.
ί > 0
вращается в одну и туже сторону.
ί < 0
вращается в противоположную сторону.
3) Цилиндрический реверс:

Цилиндрический реверс при помощи зубчатой муфты с паразитной шестернёй.

Цилиндрический реверс при помощи подвижного двойного блока.
4) Реверс с коническими зубчатыми колесами.


С подвижным двойным коническим блоком. С конической зубча-
той муфтой.
Предохранительные механизмы.
Служат для предохранения станка от поломки при перегрузках.
В качестве их применяются:
1) Фрикционные муфты
2) Кулачковые муфты со специальным профилем кулачка; (фартук станка 1Б61).
3) Муфты со срезным штифтом.

Штифт делают из мягкого материала; рассчитывается на срез при перегрузке.
При перегрузке штифт срезается.
Недостатки: для возобновления работы необходимо выбить остатки штифта, прежде чем вставить новый
необходимо останавливать станок.
4) Механизм типа “Трещотка”.
1 – два конусных штыря.
2 – пружина между штырями.
3 – вал.
4 – втулка.
Вал 3 имеет сверление, в него вставлены штыри 1. Вал 3 при помощи штырей сцепляется с зубьями втулки 4 и передает крутящий момент. Усилие этого сцепления регулируется пружиной 2.
5) Механизм типа “падающего червяка”.

Применяется в механизмах подач. При перегрузке червяк ввинчивается в червячное колесо, опускает рычаг и червячная передача расцепляется. Механизм применяется в зубофрезерном станке 5Д32 в цепи радиальной подачи. Величина передаваемого крутящего момента настраивается пружиной.
Блокировочные механизмы.
Служат для предохранения станка от поломки при неправильном включении.
Блокировочный механизм применён на выходном валу коробки подач токарно–винторезного станка.

Механизм не позволяет одновременно включить ходовой винт и ходовой вал.
Можно включить только что-то одно.
Механизм замкового типа.

Левая часть механизма заблокирована. Пока не повернем правую рукоятку, левую не сможем включить.
Суммирующие механизмы.
Применяется в станках для сложения нескольких движений, которые одновременно сообщаются исполнительному органу станка при помощи отдельных кинематических цепей.
Для расширения диапазона настройки кинематических цепей в металлорежущих станках применяется суммирование движений. В качестве суммирующих механизмов применяются: винтовые, реечные, червячные передачи; планетарные и дифференциальные механизмы. Суммирующие механизмы применяются в зуборезных, затыловочных, резьбошлифовальных и других станках.
1)Реечные передачи.





Движение складывается на реечной шестерне с числом зубьев Z, L1 – перемещение оси шестерни, L2 – перемещение рейки.

2)Червячная передача.
На червячном колесе складывается два движения.
от вращения червяка.
oт осевого движения червяка
- осевой шаг червяка.

3)Винтовая пара.

Вращение ходового винта приводит к перемещению гайки:
L=n*k*t , мм.
Вращение ходового винта и дополнительное вращение гайки приводит к линейному перемещению гайки:

, мм.
Дополнительное перемещение гайки.
4)Дифференциалы: цилиндрические и конические.
Цилиндрический
Z1, Z4 – центральные колеса дифференциала.
Z2, Z3– сателлиты (спутники) вращаются вокруг Z1, Z4
Для определения ί применяют метод Виллиса, который заключается в том, что всем данным звеньям механизма задается вращение с числом оборотов n0 в сторону обратную вращению водила. При этом водило как бы останавливается в обращенном движении и ί механизма определяют как для обычной передачи.
Запишем угловые скорости звеньев в обращенном движении:
ί1-4=
;
ί1-4
,
где а - абсолютное значение передаточного отношения, которое зависит от числа зубьев, к – число промежуточных осей.
Применим формулу Виллиса и найдем 3 варианта передаточных отношений в цилиндрическом дифференциале:
1) ί1-4; при n0=0;от центрального колеса к центральному.
2) ί1-0; при n4=0;от центрального колеса к водилу.
3) ί0-4; при n1=0;от водила к центральному колесу.
1) ί1-4=
,
ί1-4= 
2) ί1-0=

ί1-0=
3) ί0-4= 

ί0-4= 
Конический
Все шестерни имеют одинаковое число зубьев.
Центральные колеса вращаются навстречу друг другу (Z1,Z4 вращаются в разные стороны).
Рассмотрим три случая:
1) ί1-4; при n0=0. Движение передается между центральными колёсами.
2) ί1-0; при n4=0. Движение передаётся с центрального колеса на корпус дифференциала, (водило).
3) ί0-4; при n1=0. Движение передаётся от корпуса
дифференциала на центральное колесо.
1) ί1-4=
; ί1-4
.
2) ί1-0=

ί1-0
; ί1-0
, при a = -1
ί1-0
.
Люди также интересуются этой лекцией: 25 Посадка.
3) ί0-4=
;

ί0-4
ί0-4
при a = -1
ί0-4
.
























