Аналоговая схемотехника
Усилители
Усилительными устройставми называются устройства ИП для усиления электрического сигнала.
Усилители , которые сохраняют форму входного сигнала, называются аналоговыми.
Усилители, искажающие форму входного сигнала, называют импульсными и цифровыми.
Если основное назначение усилителя – усилить напряжение входного сигнала, то его называют усилителем напряжения ( УН )
Если усилить ток – УТ
Мощность – УМ
Тип активных элементов
- усилитель на транзисторах
Рекомендуемые материалы
- тунельные диоды
- электронные лампы
- на ИМС (ОУ)
По диапозону частот
- узкополосные
- широкополосные
Структурная схема усилителя
Источником сигнала является датчик, входная цепь нужна для защиты и согласования.

усилитель по V 1,2,3 усилитель по Р
каскада усиления
Основные параметры и характеристики усилителя.
1.входные и выходные данные
2.коэффициент усиления
3.КПД усилителя
4.характеристики
- частотная
- фазовая
- амплитудная
- переходная
5.искажение формы входного сигнала:
- линейные: фазовые,частотные;
- нелинейные
6.другие (конструктивные и т.п.)


| Kv | 0,1 | 1 | 10 | 100 | 1000 |
| KgБ | -20 | 0 | 20 | 40 | 60 |

КgБ = 20×lgK; -90 = 20×lgK; lgK = -4,5;
R = 10-45 = 0,000033; КgБI = 20×lgKI; КgБР = 10×lgKp
Частотная характеристика (АЧХ)

Амплитудная характеристика

Переходная характеристика

Нелинейные искажения вохникают по причине нелинейных ВАХ транзисторов и диодов.
Параметром характеристик нелинейных искажений называют коэффициент нелинейных искажений ( Кг, %)
Линейные искажения бывают частотные и фазовые.
Частотные искажения показывают степень искажения формы сигнала на краях диапозона усиления.

Фазовые искажения показывают степень отношения реальной ФЧХ от идеальной на определенной частоте.
Режимы работы усилительных каскадов.
Ik=βIБ
Uкэнас=0,1...0,5В (0,4В)
Режимы работы БПТ
- полностью закрыт (UБЭ=0)
- линейный режим (UБЭ=UБЭНАС)
- режим насыщения ( отсечки)
Режимы работы усилительных каскадов
Входная характеристика: IБЭ=f(UБЭ)
Пара величин – ток и напряжение на входной характеристике и выходной характеристике, определяющих режим работы усилительного каскада , называется рабочей точкой.
Режим работы класса А:
Двуполярный входной сигнал
Низкий Кг, КПД = 20...30 %
Режим работы класса В:
Кг выще, чем у класса А
КПД = 70%
(усиливает только однополярный входной сигнал)
Режим работы класса АВ:
При отсутствии сигнала на выходе Iк = 5...10% от Iк max
Режим работы класса С:
(даже при наличии небольшого входного сигнала, транзистор заперт)
Кг самый высокий, КПД = 85%
Режим работы класса D:
Ключевой высокочастотный
КПД = 95%

Обратные связи
Процесс передачи всего или части выходного сигнала на вход устройства называется обратной связью.
Элементы, осуществляющие эту связь, называются цепью обратной связи.
Цепь ОС и часть схемы, которую она охватывает, называется петлей ОС.
В зависимости от числа петель различают одноконтурную и многоконтурную ОС.
Если обратная связь охватывает всю схему, то это общая ОС
Если часть схемы – местная (локальная) ОС
Положительная ОС – напряжение обратной связи совпадает по фазе с напряжением входного сигнала.
Отрицательная ОС – напряжение ОС противоположно по фазе напряжению входного сигнала.
Коэффициент ОС 
ОС различают
- по переменной составляющей
- по постоянной составляющей
- по переменной и постоянной состовляющей
ОС по переменной составляющей действует для переменного входного сигнала.
ОС по постоянному току , как правило , служит для задания режима работы усилителя по постоянному току.
Если ОС действует во всем диапозоне частот , то это ОС по переменному и постоянному току.
ОС по входу усилителя
- последовательная (∑U)
- параллельная (∑I)
ОС по выходу усилителя
- по напряжению (при К3 ОС нет)
- по току (при Хх ОС нет)
- комбинированая (смешанная, ОС есть всегда)
Внешняя ОС осуществляется через внешние элементы. Внутренняя ОС – внутри элементов.Паразитная ОС возникает вне желания разработчиков и пользователя.
ОС:
- частотнозависимая
- частотнонезависимая
Петлевое усиление К×β
Глубина ОС 1+ К×β
Влияние ОС на входное сопротивление усилителя
Влияние ОС определяется типом входной цепи:
1.последовательная ОС (∑U)



Для ООС последовательно ↑ 
↑ 
Для ПОС последовательно ↑ 
↓ 
Гератор – схемы, имеющие отрицательное сопротивление. На их основе можно построить эквивалент катушки с большой индуктивностью, используя малогабаритные опер. Усилители, резисторы и конденсаторы.
2. параллельная ОС (∑I)

Влияние ОС на выходное сопротивление
Влияние ОС определяется выходной цепью:

Vвхкз – входное напряжение при КЗ выходе.

ОС по напряжению:
UВХКЗ = 0;
ООСU ↓
; ПОСU ↑ 
ОС по току: Uвххх = 0;
Комбинированая ОС: Зависит от соотношения ОС по току и напряжению. Zвых может как расти так и уменьшаться.
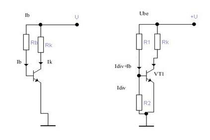
Принципы построения усилительных каскадов
Схемы цепей питания и стабилизации режимов работы.Общий принцип – как можно меньше элементов. Питание усилительных каскадов: желательно один источник одного уровня напряжения:
- параллельное питание каскадов;
- RC-фильтры по питанию;
- стабилизация UПИТ;

Подача смещения
(задание режима работы усилительного каскада,
установка рабочей точки)
UБЭ, IБ - в соответствии с рассчетом.
Используя тот же UПИТ



Ток делителя выбирается

; 
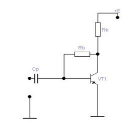
Стабилизация режимов работы усилительных каскадов на транзисторах
1.коллекторная стабилизация:

Параметры ПП элементов (транзисторов) сильно зависят от внешних параметров (температура, радиация), а так же имеют значительный разброс даже в пределах ППП. При увеличении температуры на 10 градусов обратный ток увеличивется в 2 раза.
Коллекторная стабилизация осуществляется цепью обратной связи по постоянному току. При увеличении температуры возрастает обратный ток коллектора. При этом направление уменьшается. Уменьшается ток базы, что вызывает уменьшение управляемой части коллекторного тока. Диапозон температур, в котором можно использовать такую стабилизацию ограничен 50–60 градусов.
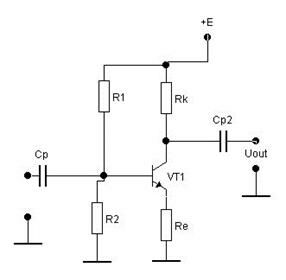
2. эмиттерная стабилизация:

Эмиттерная стабилизация осуществляется резистором Rэ и представляет собой ООС по постоянному току, эмиттерная стабилизация – это последовательная обратная связь по току.
3. смешанная стабилизация:


Когда сигнала нет, например в т.1 должно быть
КТ815: Iкмах = 1,5А
Iкф = 0,5А (80%-40%)
Тогда:
;
(5%-20% Rk);
(
≈50);

UR2=URЭ + UБЭ0 = 0,5 + 0,6 = 1,1В;
R2=
; R1=
КТ3107:
Irmax= 0,1A; h21Э = 200; h21Э = 200;
Iк0 =
0,035A; Rk = 14352; RЭ = 1452;
IДЕЛ = 0,002А; R2 = 55052; R1=445052;
k = h21Э; β = Rэ/Rк;

Для устранения ООС по переменному току включают конденсатор параллельно Rэ. Переменный сигнал, период колебания которого значительно меньше постоянной составляющей цепи RэCэ, не оказывает влияния на изменение напряжения резистора Rэ.
Тсиг << τ ≈ RэCэ

Коллекторная стабилизация
Усилительные каскады на полярных транзисторах.
ПТ с управляющим p-n-переходом:

ПТ объедененного типа (UYH со встроенным каналом):

ПТ обогащенного типа ( с индуцированным каналом):

БПТ (p-n-p) – с p-каналом ПТ
БПТ (n-p-n) – ПТ с n–каналом
UПОР – напряжение на входе транзистора при котором IС = 0. Для транзистора с p-n-каналом рабочей областью является область закрытого p-n-перехода , когда напряжение Uзи изменяется от 0 до UПОР.
Способы подачи смещения на ПТ
Задание рабочей точки
Большим преимуществом ПТ перед БТ является высокое входное сопротивление. Показанная схема содержит резистор смещения RСМ, уменшающего входное сопротивление каскада. Для увеличения входного сопротивления схему можно изменить.

Схема автоматической стабилизации рабочей точки


Благодаря очень высокому входному сопротивлению ток затвора действует через R3, практически не создавая падения напряжения на нем
Uru равно напряжению Uзи. Чем больше ток I0 тем больше Uru, тем больше по амплетуде Uзи, что вызывает уменьшение Ic. Происходит автоматическая стабилизация положительной рабочей точки.
МОП со встроенным каналом:

Подача смещения на МОПТ аналогична подаче смещения на БПТ. Резистор в цепи истока создает обратную отрицательную связь. Для того , чтобы устранить ООС для переменного сигнала этот резистор шунтируют конденсатором необходимой емкости.
Рассчет конденсатора Сл:
; zc = 0,1Ru; zc=
;
;

Схемы межкаскадных связей

1. Емкостная связь осуществляется с помощью конденсатора. Позволяет передать изменение напряжения с выходного каскада на вход другого без изменения постоянного уравнения напряжения. Усилители мощности. Емкость С должна быть меньше входного сопротивления принимающего каскада.

Усилители мощности
Основное назначение УМ – обеспечение заданого уровня мощности в нагрузке. Эта мощность должна быть получена при допустимом уровне линейных и частотных искажений. Основные параметры: Рн, Мн, Мв, Кг, fм, fв.
- однотактные усилители;
- двутактные усилители;
- мостовой усилитель (встречно включенные двухтактные усилители).
Однотактный безтрансформаторный каскад
Положение нагрузочной прямой должно быть таким , чтобы не привышать допустимой мощности транзистора, обеспечить заданный уровень амплитуды тока.

Положение рабочей точки на нагрузочной кривой должно обеспечивать max амплитуду Iкм относительно тока покоя Iок, а так же max амплитуду Uкэм, относительно Uкэо.
РВЫХ = Рн = ½UКЭМIКМ;

Минусы – низкий КПД , наличие постоянного тока через нагрузку, наличие постоянного напряжения на нагрузке относительно общего провода.
Безтрансформаторные двутактные каскады
В отличие от однотактных каскадов, работающих в классе А, транзисторы двутактных каскадов работают в классе В и АВ. Они получили самое широкое распространение, т.к. позволили непосредственно подключить нагрузку с сопротивлением 1-10Ом при малом уровне частот и нелинейных искажений.
Примитивы двутактных УМ

Указанные схемы строятся на транзисторах одного типа, входная цепь представляет собой схему, формирующую 2 одинаковых по напряжению и по фазе сигнала. Это может быть фазоинверсный каскад или транзистор со средней точкой.

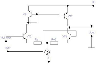
Эти схемы строятся на комплиментарных парах транзисторов разной проводимости: КТ814–КТ815, КТ815–КТ816, КТ825–КТ827. В отличие от схемы на транзисторах одного типа, каскад на комплиментарных транзисторах работает в одинаковом режиме по схеме с общим эмиттером.
Обеспечение начального смещения выходных транзисторов УМ

UСМ = UБЭ0VT1 + UБЭ0VT2 ≈ 0,6×2 = 1,2V;
IДЕЛ = (2..10)× IБ0VT1 = 20мА;
Rсм = 
Использование резистора для задания смещения не обеспечивает тепмературную стабилизацию работы выходных транзисторов. Для борьбы с этим используются элементы с отрицательным ТКС, который часто размещается в непосредственной близости от выходных транзисторов.

Пусть 


Если Uкэ слишком мало, то и Ur2 = Uбэ. Транзистор будет закрываться, сопротивление будет расти, а падение напряжения на нем увеличится. Если кроме базовых переходов выходных транзисторов в контуре присутствуют другие элементы, например смещение может быть больше. Для того , чтобы уравнять амплитуду напряжения на базах транзистора, цепь смещения шунтируется конденсатором, емкость которго определяется исходя из соотношения Zс<< Rсм на fн.
УМ с предоконечным каскадом

Транзистор VT3, VT4 – комплиментарные. Режим работы – АВ, задается цепью смещения на VT1, R2, R3. Транзистор VT2 включают как обычный каскад с ОЭ. При подаче положительной полуволны Uвх VT2 – открывается, VT3 – закрывается, VT4 - пропускает через себя ток в нагрузку от -Еп. При отрицательной полуволне Uвх VT3 – открывается, пропорционально амплитуде Uвх, VT4 – закрывается, ток идет через VT3 от +Еп.
Использование источника тока
как нагрузки предоконечного каскада
Iдел – пост.
Rл → ∞

Способы увеличения выходного тока УМ
Схема на транзисторах Дорлингтона

(КТ 825, КТ 827 – транзисторы Дарлингтона)
Использование этих транзисторов позволяет получить большие коэффициенты передачи по току. Особенности использования R1 и R2 является то, что при малых входных сигналах открываются только VT1 и VT3. Uсм выбирается такой , чтобы падение напряжения на R1 и R2 составляло около 0,4 Вольта.
УМ на квазикомплиментарных транзисторах

Преимущество – увеличение выходной частоты, транзисторы одного типа. Недостатки – верхнее и нижнее плечо отличаются режимом работы.
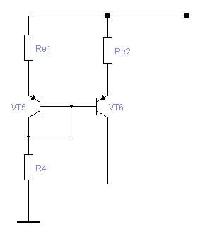
Параллельное соединение выходных транзисторов

Параллельное включение транзисторов позволяет разделить ток нагрузки межде транзисторами. В этом случае транзисторы можно выбрать с меньшим током коллектора, обеспечить транзисторам более мягкий режим работы. Резисторы в цепи эмиттера обязательны для уравнивания токов транзисторов. R1 и R2 задают режим работы транзисторов VT1, VT2. При малом входном сигнале через них действует ток нагрузки.
Шунтирование Rэ диодами

Шунтирование резисторов ОС диодами устраняет ОС, когда амплитуда падает. U на этих резисторах превышает прямое U p-n-перехода.
Каскады специального назначения
Эмиттерный повторитель

Усилительный каскад охвачен стопроцентной ООС:
- по V;
- послед. ОС.

Нагрузка: по = I Rэ
по ~ I Rэ || RM
zcг << RH (на fМ)
(β=1 из-за 100% ОС)
Rэм = (Rэ || RM); 
(S=y21 – проводимость прямой передачи, S - крутизна тока)

Для увеличения КЭ необходимо увеличить суммарное сопротивление нагрузки RЭМ (другой способ применить транзисторы с большим параметром S).
Для RВЫХ 
Определив IБ,IЭ через у-параметры получим КЭ=SRВЫХ

RВЫХэ на практике составляет величину в десятки Ом. RВХ составляет величину в сотни кОм.





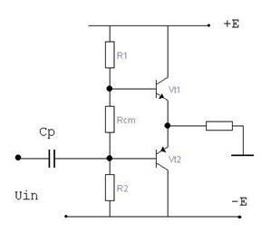
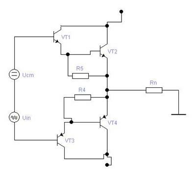
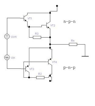
Фазоинверсный каскад
Назначение – сформировать из одного сигнала 2 других одинаковых по амплитуде и разных по фазе для подачи на двутактный усилитель мощности.


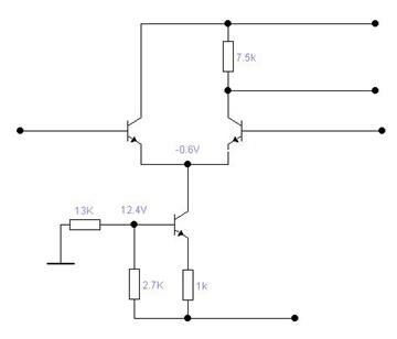
Дифференциальный усилитель имеет 2 входа и усиливает разность напряжений на этих входах. Для идеального дифференциального усилителя усиление сигнала присутствующего одновременно на двух входах, отсутствует. Напряжение одной величины и фазы, подается на вход ДУ называется синфазным. Напряжение которое равно разности напряжений на двух входах называется дифференциальным. Для оценки качества дифференциальных усилителей используют коэффициент ослабления синфазной составляющей (КОСС).

Поскольку диапазон значений велик, его обычно измеряют в дцБ.

Инвертирующим входом называется вход, рост напряжения на котором приводит к уменьшению напряжения на выходе. Неинвертирующий вход: рост на входе – рост на выходе.


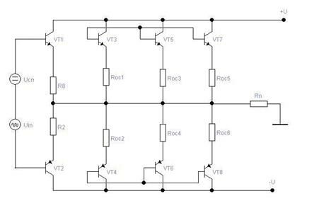
Использование источника тока вместо R1. Один из способов увеличения КОСС является увеличение сопротивления R1. Замена резистора на резистор с большим сопротивлением приводит к изменению режима работы транзистора. Поэтому резистор R1 заменяют источником тока.

Приминение ДУ в усилителях постоянного тока
с однополосным выходом
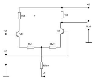
Неинвертирующий усилитель

Изображенная схема позволяет усиливать сигналы медленно изменяемых величин , положительных и отрицательных полярностей. Входной сигнал подается на базу транзистора относительно общего провода. Если это транзистор VT1, то усилитель не инвертирующий.
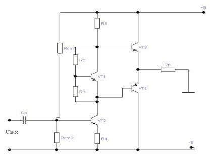
Применение токового зеркала, как активной нагрузки ДУ

Обратите внимание на лекцию "Работа менеджера с коммерческой и тайной информацией".
Для повышения КОСС можно увеличивать К1.

Использование источника тока позволяет получить очень большие значения сопротивления переменного сигнала в цепи коллектора VT3 и VT4. Транзистор VT1 работает в режиме диода UБЭ этого транзистора равно напряжению UБЭ для VT2, отсюда следует, что ток базы IБ1 = IБ2. Использование токового зеркала в качестве активной нагрузки ДУ позволяет получить КДИФ до 5000 в одном каскаде. В противном случае это сопротивление будет шунтировать высокое сопротивление источника тока. ДУ, как правило, используют на входе микросхем ОУ. ДУ могут использоваться как компараторы для сравнения напряжения на входах.
Напряжение на выходах компаратора определяются полярность разности входных напряжений, как на передаточной характеристике.

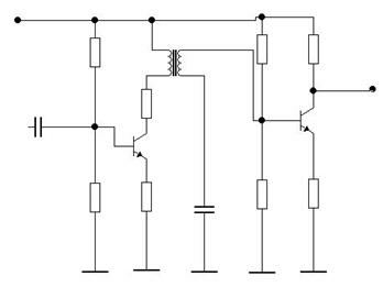
Каскадный усилитель – схема с двумя транзисторами, первый включен по схеме с ОЭ , второй – с ОБ. VT2 выбирается с высоким рабочим UКБ. VT1 выбирается с малым UКЭ. В таких схемах отсутствует влияние изменеия сопротивления нагрузки на входное сопротивление каскада.






















