Частотные детекторы
Частотные детекторы
Частотные детекторы (ЧД) применяются в приемниках ЧМ - колебаний для преобразования ВЧ - колебания, модулированного по частоте, в напряжение, изменяющееся по закону низкочастотного модулирующего сигнала. Кроме того, ЧД широко применяются в системах АПЧ (автоматической подстройки частоты).
Различают:
частотно-амплитудные детекторы,
частотно-фазовые детекторы,
частотно-импульсные детекторы.
Детекторная характеристика ЧД (рис. 1) - это зависимость НЧ - напряжения в нагрузке от частоты входного сигнала. Диапазон частот, в пределах которого детекторная характеристика линейна, соответствует полосе пропускания ЧД.

Рис. 1 Детекторная характеристика ЧД.
Лекция "Холодная война" также может быть Вам полезна.
В частотно-амплитудных детекторах ЧМ колебание преобразуется в частотно-амплитудно модулированное (ЧАМ), а затем детектируется обычным амплитудным детектором. Наиболее просто ЧМ-колебания преобразуются в ЧАМ с помощью одиночного контура, расстроенного относительно средней частоты ЧМ-колебаний, которая обычно в приемнике являются промежуточной, но ЧД с одиночным расстроенным контуром практически не находит применения, т.к. полоса пропускания такого детектора очень мала и детектирование сигналов с широким спектром сопровождается большими искажениями.
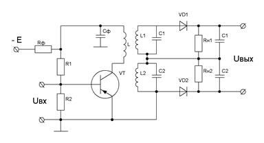
Повысить линейность детекторной характеристики, расширить полосу пропускания и уменьшить искажения позволяет ЧД с двумя взаимно расстроенными контурами (рис. 2). Такой детектор называется балансным. Резонансный контур L1C1 имеет резонансную частоту выше промежуточной на Δf , а контур L2C2 – ниже промежуточной на Δf. Нагрузки детекторов
,
включены встречно. Входные напряжения на диодах VD1 и VD2 противоположны по знаку. В результате суммирования выходных напряжений отдельных детекторов формируется детекторная характеристика, которая проходит через нуль при частоте, равной промежуточной. Увеличение протяженности детекторной характеристики и повышения ее линейности при встречном включении нагрузок двух отдельных детекторов, составляющих общий детектор, применяется и в других видах детекторов, например – фазовых.

Рис. 2 а) Балансный частотный детектор.

Рис. 2 б) Детекторная характеристика балансногоЧД.





















