Дифференциатор
2020-06-032021-03-09zzyxelСтудИзба
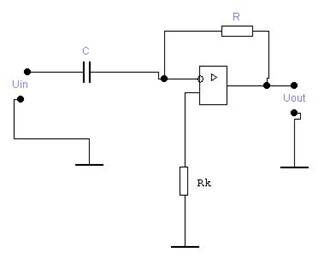
Дифференциатор
Это устройство , выходное напряжение которого пропорционально производной от напряжения на входе , т.е. Uвых пропорционально скорости изменения входного сигнала.


Наклон характеристики равен +20 дб/декаду на ώср Кuдиф=Ku0

Существует ограничение верхней рабочей частоты, котрая обусловлена конечной частотой ОУ
Люди также интересуются этой лекцией: 2 Предисловие.
Недостатки :
Усиливает высокочастотную составляющую внешних помех и собственные шумы
Можно использовать дифференциатор со схемой коррекции для уменьшеня рабочего диапозона.


Снижается чувствительность к внешним помехам.























