Распределение электрической энергии на предприятии
ЛЕКЦИЯ № 4
Распределение электрической энергии на предприятии.
Цель лекции:
· ознакомление с типовыми схемами электроснабжения промышленных предприятий,
· ознакомление с конструктивным исполнением трансформаторных подстанций и распределительных устройств,
· ознакомление с конструктивным исполнением цеховых сетей.
1. Классификация и схемы подстанций предприятий.
Рекомендуемые материалы
Основу электроснабжения промышленных предприятий составляют понизительные подстанции. Они предназначены для преобразования и распределения электроэнергии и состоят из трансформаторов и распределительных устройств.
В соответствии с принципами построения схем электроснабжения предприятий, схема должна удовлетворять следующим положениям:
· обеспечивать необходимую надёжность электроснабжения потребителей, исходя из его категорийности,
· быть простой и удобной в эксплуатации за счёт применения конструкций без сборных шин и выключателей на высшем напряжении и с установкой трансформаторов вблизи электроприёмников,
· все элементы схемы должны находиться в работе и меть такие параметры, чтобы при аварийном выходе из строя какого-либо основного элемента оставшиеся в работе могли принять на себя, хотя бы частично, нагрузку отключившегося элемента,
· учитывать перспективы развития предприятия и время его жизни для обеспечения подключения дополнительных мощностей без коренной реконструкции сети, возможность замены трансформаторов на более мощные.
При построении схемы должно проводиться глубокое секционирование шин на всех ступенях трансформации, включая цеховые распределительные пункты (РП), позволяющие снизить токи короткого замыкания (КЗ), выбрать облегчённые конструкции электрических аппаратов и упростить схемы защиты.
Выбор схемы питания предприятия зависит, в основном, от категории потребителя, величины потребляемой мощности, размещения потребителей на территории предприятия. Например, потребители первой категории в целях резервирования должны быть обеспечены питанием от двух независимых источников электроэнергии. В этом случае, при выходе из строя одного из источников питания, другой должен обеспечить потребителя электроэнергией. В качестве двух независимых источников электроэнергии могут рассматриваться две секции сборных шин подстанции энергосистемы, электростанция предприятия при наличии питания от энергосистемы и т.п.
Выбор схемы питания предприятия электроэнергией производится на основе тщательного технико-экономического сравнения вариантов. Весьма существенным при этом является выбор первичного напряжения, при котором происходит распределение электроэнергии.
Надёжность электроснабжения промышленного предприятия определяется, в первую очередь, бесперебойностью подачи электроэнергии от источников питания. Поэтому сами источники питания должны иметь простую, гибкую в эксплуатации и надёжную схему первичных соединений.
На предприятиях осуществляется ступенчатый принцип построения схем. Под ступенью электроснабжения понимают узлы схемы электроснабжения, между которыми энергия, получаемая от источника питания, передаётся определённому числу потребителей.
Схемы бывают многоступенчатыми и одноступенчатыми. Многоступенчатая схема является тогда, когда в сеть последовательно включено несколько промежуточных РП одного напряжения, от которых получают питание крупные потребители. Промежуточные РП позволяют освободить шины главной понизительной подстанции (ГПП) от большого количества мелких отходящих линий.
Одноступенчатые схемы применяют на предприятиях малой мощности с небольшой территорией
На предприятии в зависимости от числа и мощности понизительных подстанций, которые в данном случае играют роль источников электроэнергии, различают следующие виды подстанций: главные понизительные подстанции (ГПП), получающие питание от энергосистемы и производящие распределение электроэнергии на более низком напряжении по всему предприятию; подстанции глубокого ввода (ПГВ), получающие электроэнергию от энергосистемы либо ГПП и питающие отдельный объект предприятия, при этом они располагаются вблизи крупных нагрузок на территории предприятия; цеховые трансформаторные подстанции (ТП), питающие потребителей прилегающих цехов.
Питание ГПП осуществляется по двум или более линиям электропередачи на напряжение 35-220 кВ. При питании крупных предприятий большой мощности и территории питание может производиться от нескольких независимых источниках питания на различное напряжение до 330 кВ. При этом, как правило, применяется секционирование шин на первичном напряжении. Типовые схемы электроснабжения предприятия представлены на рис. 4.1. Схема, изображённая на рис. 4.1 а) применяется, как правило, при радиальной системе электроснабжения, когда от подстанции энергосистемы предприятия питаются по отдельным линиям. Схема, изображённая на рис. 4.1 б) применяется при магистральной системе, когда сооружается одна магистраль, к которой присоединяются ряд предприятий. Количество подстанций, подсоединяемых к одной магистрали, может достигать десяти. Имеет место и комбинированная система электроснабжения.

а) б)
Рис. 4.1 Типовые схемы ГПП, а – ГПП с несекционированным вводом на напряжении 110 кВ, б – с секционированным вводом по стороне 110 кВ.
ЛР- линейный разъединитель, ТР – трансформаторный разъединитель, ШР – шинный разъединитель, с.ш. – секция шин.
На схеме 4.1 а) выключатель между двумя вводами линий служит для обеспечения резервирования оборудования: так, при выходе из строя, например, трансформатора Т1 его нагрузку, полностью или частично, возьмёт на себя трансформатор Т2.
На предприятиях со стороны низшего напряжения (в наших случаях 10 кВ) секции, как правило, выполняют секционированными. Каждая секция питается от отдельного трансформатора. Схема позволяет поочерёдно отключать секции для ремонта. Если же аварийно отключается один из питающих трансформаторов, то питание обесточенной секции восстанавливается включением межсекционного выключателя.
ГПП могут выполняться одно, двух, или многотрансформаторными. Линии и трансформаторы рассчитываются на питание всех нагрузок в нормальном режиме и нагрузок первой и второй категории в аварийных условиях, когда выходит из строя одна линия или трансформатор. Обычно, линия и трансформатор рассчитываются на 70% суммарной нагрузки всей подстанции.
2. Схемы передачи и распределения электроэнергии на предприятии.
Схемы электроснабжения цехов на предприятии весьма разнообразны и их построение обусловлено многими факторами: категорией электроприёмников, территорией, историческим развитием предприятия и многих других. Поэтому остановимся только на основных принципах построения схем.
Одним из основополагающих принципов построения схемы электроснабжения является применение глубокого ввода, что означает максимально возможное приближение источников высокого напряжения, или подстанций, к потребителям с минимальным количеством ступеней промежуточной трансформации и аппаратов.
На предприятиях средней мощности линии глубоких вводов напряжением 35-110 кВ вводятся на территорию непосредственно от энергосистемы. На крупных предприятиях глубокие вводы отходят от ГПП или распределительных подстанций, получающих энергию от энергосистемы.
На небольших предприятиях достаточно иметь одну подстанцию для приёма электроэнергии. Если напряжение питания совпадает с напряжением заводской распределительной сети, то приём электроэнергии осуществляется непосредственно на распределительный пункт без трансформации.
Распределение электроэнергии на предприятии может осуществляться по радиальной, магистральной или комбинированной схемам. На выбор той или иной схемы влияют технические и экономические факторы. При расположении нагрузок в различных направлениях от центра питания целесообразно применять радиальную схему. В зависимости от мощности предприятия радиальные схемы могут иметь одну или две ступени распределения электроэнергии. Двухступенчатые радиальные схемы с промежуточными РП используют на предприятиях большой мощности. Промежуточные РП позволяют освободить шины ГПП от большого количества мелких отходящих линий.
На рис. 4.2 а) приведена типичная радиальная схема электроснабжения, выполненная в две ступени. Вся коммутационная аппаратура устанавливается на РП1-РП3, а на питаемых от них ТП предусматривается присоединение через разъединитель с предохранителем. РП1 и РП2 питаются по двум линиям, а РП3 одной линии от шин ГПП (первая ступень). На второй ступени электроэнергия распределяется между двухтрансформаторными и однотрансформаторными цеховыми ТП.
Магистральные схемы применяются при расположении нагрузок в одном направлении от источника питания. Электроэнергия к подстанциям поступает по ответвлениям от линии (воздушной либо кабельной), поочерёдно заходящей на несколько подстанций. Число трансформаторов, присоединяемых к одной магистрали, зависит от мощности трансформаторов и требуемой бесперебойности питания. Магистральные схемы могут выполняться с одной, двумя и более магистралями. На рис. 4.2 б) показана схема с двойной магистралью при питании двухтрансформаторных ТП. Эти схемы, не смотря на большую стоимость, обладают высокой надёжностью и могут быть использованы для приёмников любой категории.

а)

б)
Рис. 4.2 Радиальная (а) и магистральная (б) схемы электроснабжения.
Надёжность магистральной схемы обуславливается тем, что трансформаторы ТП питаются от разных магистралей, каждая из которых рассчитана на покрытие основных нагрузок всех ТП. При этом трансформаторы также рассчитаны на взаимное резервирование. Секции шин РП или трансформаторы цеховых ТП при нормальном режиме работают раздельно, а при повреждении одной из магистралей они переключаются на магистраль, оставшуюся в работе.
Магистральные схемы электроснабжения дают возможность снизить по сравнению с радиальными затраты за счёт уменьшения длины питающих линий, уменьшения коммутационной аппаратуры. Однако по сравнению с радиальными они являются менее надёжными, так как повреждение магистрали ведёт отключение всех потребителей, питающихся от неё.
3. Конструкция трансформаторных подстанций и распределительных устройств.
Трансформаторные подстанции (ТП) являются одним из основных элементов электроснабжения. Они служат для приёма, преобразования и распределения электроэнергии. ТП и РП классифицируются:
· по назначению (главные, глубокого ввода и т.п.),
· по конструктивному исполнению (открытые, закрытые),
· по количеству трансформаторов,
· по расположению на территории предприятия.
Цеховые ТП делятся на внутрицеховые, встроенные, пристроенные и отдельно стоящие.
Внутрицеховые ТП располагаются внутри производственных зданий большой площади. При этом предусматривается возможность обслуживания ТП без нарушения технологического производственного процесса.
Встроенные ТП – это закрытые ТП, вписанные в контур основного здания. Такая установка ТП позволяет выкатывать трансформатор из камеры прямо за пределы цеха.
Пристроенные ТП – это подстанции, примыкающие непосредственно к стенам зданий. Они могут быть как закрытыми, так и открытыми.
Отдельно стоящие ТП расположены отдельно от зданий цеха. Такая установка ТП применяется, когда размещение встроенных, либо пристроенных ТП невозможно по условию технологического процесса.
Каждая подстанция имеет распределительное устройство (РУ), которое служит для приёма и распределения электроэнергии. РУ содержит сборные и соединительные шины и коммутационные аппараты, а также аппараты защиты. РУ, где оборудование расположено на открытом воздухе называется открытым (ОРУ), а в закрытых РУ (ЗРУ) всё оборудование размещено внутри здания. Для напряжений 35-220 кВ промышленных ГПП в большинстве случаев выполняются открытыми. Применение ОРУ уменьшает объём строительных работ, стоимость и срок монтажа. Но для ОРУ аппараты выполняются с более усиленной изоляцией, что удорожает оборудование.
Для удобства монтажа и унификации оборудования применяют комплектные распределительные устройства (КРУ) и комплектные трансформаторные пункты (КТП). Широкое применение нашли КТП с первичным напряжением 6-10 кВ, и с вторичным напряжением 0,4 кВ. Такие подстанции устанавливают в непосредственной близости от потребителей, что упрощает распределительную сеть.
4. Канализация электроэнергии.
Это передача электроэнергии с помощью воздушных линий, кабельных линий и токопроводов. В сетях выше 1 кВ промышленных предприятий при передаче электроэнергии от ГПП до РП и ТП, как правило, используются кабельные и воздушные линии.
Воздушные линии (ВЛ) выполняются из неизолированных проводов, расположенных на открытом воздухе и прикрепляемых к опорам с помощью изоляторов и арматуры. На предприятиях ВЛ применяют крайне редко из-за большой зоны отчуждения ВЛ. Обычно ВЛ используют на предприятиях малой мощности, либо для питания удалённых объектов, например насосных станций. Для сооружения ВЛ применяют опоры из дерева, железобетона, стальные. По своему назначению и месту установки опоры делятся на промежуточные, угловые, концевые, анкерные. Провода ВЛ выполняют сталеалюминевыми, алюминиевыми и редко медными проводами.
Кабельной линией (КЛ) называют устройство, состоящее из кабеля, концевых муфт и конструкций для прокладки кабеля. Для электроснабжения предприятий кабели могут прокладываться в земле в кабельных траншеях, в кабельных каналах и туннелях, а также по эстакадам и галереям над поверхностью земли. В последнее время получил распространение самонесущий провод (СИП), который подвешивается на уже существующие опоры, но имеет внешнюю изоляцию. Вследствие этого, линия является полностью безопасна для персонала. Преимущество кабельной линии перед ВЛ заключается в меньшей зоне отчуждения поверхности земли, безопасности персонала. Насыщенность территории предприятия подземными коммуникациями, агрессивные среды создают дополнительные расходы на монтаж и обслуживание КЛ, но КЛ на большинстве предприятий является единственно возможным средством канализации электроэнергии.
Токопроводы напряжением 6-35 кВ применяют для магистрального питания потребителей предприятий с высокими токами нагрузки (2-6 кА) при длине передачи до 2 км. В зависимости от вида проводников Токопроводы разделяют на жёсткие и гибкие. Токопроводы, выполненные из шин (обычно до 1 кВ) называют шинопроводами. Токопроводы вместо большого количества ВЛ и КЛ позволяют повысить надёжность электроснабжения, упростить обслуживание, обеспечить экономию материалов. Токопроводы обладают большой перегрузочной способностью. Из недостатков следует отметить большие потери мощности при передаче электроэнергии, зона отчуждения выше чем у ВЛ, больший расход материалов для опор.
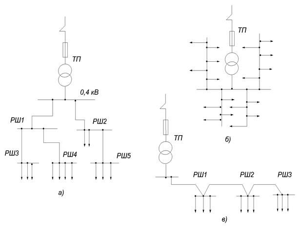
5. Распределение электроэнергии на напряжении 0,4 кВ.
Распределение электроэнергии внутри цеха после получения её от цеховой ТП распределяется при напряжении до 1000 В. Цеховые сети систем трёхфазного тока напряжением до 1000 В выполняют по радиальной (рис. 4.3. а), магистральной (рис. 4.3.в) и комбинированным схемам. В чистом виде радиальная и магистральная схема применяется редко, в зависимости от характера производства, условий окружающей среды сети выполняются комбинированными. При сравнительно малых мощностях приёмников на некоторых участках цеха устанавливаются распределительные шкафы (РШ), которые питаются от одной линии.

Рис. 4.3 Схемы питания электроприёмников напряжением до 1000 В.
В настоящее время большое распространение получила схема блока трансформатор – магистраль (рис. 4.3 б), выполненная магистральным шинопроводом, к которому присоединены распределительные шинопроводы, а уже от них осуществляется питание потребителей.
Осветительные нагрузки цехов питаются отдельными линиями, обычно от щитков рабочего и аварийного освещения. Такая схема позволяет отключать силовую сеть для ремонтов не отключая освещения. При питании осветительной нагрузки совместно с силовой необходимо учитывать возможное ухудшение качества электроэнергии. Питание силовой и осветительной нагрузки от одного трансформатора удешевлявляет сеть. Однако при пуске двигателей в питающей сети происходят кратковременные явления снижения напряжения, что приводит к миганиям ламп. Одна из мер по уменьшению этого влияния – увеличение мощности питающего трансформатора. Но все мероприятия по улучшению качества электроэнергии при совместном питании должны быть экономически обоснованы.
Наружные сети напряжением до 1000 В применяются редко, так как распределение электроэнергии по цеху производится от внутрицеховых ТП. Внутренние сети могут выполняться кабелями, проводами или шинами. С появлением на рынке продукции для прокладки проводов, кабелей наиболее перспективным считают прокладка питающих линий в лотках и в канала, которые прикрепляются к стенам здания и в полу.
Вместе с этой лекцией читают "8 Роботизированные технологические комплексы".
Вопросы для самопроверки.
1. Перечислить требования, предъявляемые к распределительным сетям на предприятии.
2. Какие существуют схемы питания промышленных предприятий? Приведите примеры.
3. Для чего секционируют системы шин?
4. Перечислить типы цеховых трансформаторных подстанций.
5. Указать особенности распределения электроэнергии внутри цеха на напряжении до 1000 В.





















