Машины постоянного тока
III Машины постоянного тока
3.1. Устройство и принцип действия машин постоянного тока
Машины постоянного тока широко используются в качестве источника постоянного тока, либо преобразователя электрической мощности в механическую. Первая машина работает в режиме генератора, вторая в режиме двигателя. Двигатели постоянного тока широко используются в регулируемом электроприводе.
Работа этих машин основана на двух законах:
1. Закон электромагнитной индукции
,где
- индукция, 
- длина проводника, 
- линейная скорость, 
2. Закон электромагнитных сил:
Рекомендуемые материалы
,где
- сила воздействия на проводник
- ток в проводнике,
ЭДС, наводимая в проводнике, получается за счет того, что проводник пересекает магнитное поле со скоростью
.
Поэтому в реальной машине должно быть две основные части:
первая часть – создает магнитный поток,
вторая часть – в которой индуктируется ЭДС.
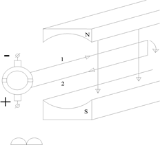
Первая часть в машине постоянного тока неподвижна. К станине (1) крепятся шматованные полюса (2) на которых располагается обмотка возбуждения (3) (рис. 1).
Обмотка возбуждения создает магнитный поток при протекании по ней постоянного тока.
Вторая часть – якорь. Якорь вращается. Представляет собой цилиндр набранный из листов электротехнической стали (4).В наружной части якоря расположены пазы, где укладываются секции обмотки (5). Каждая секция соединяется с пластинами коллектора (6). Коллектор служит для выпрямления переменной ЭДС в постоянную величину (режим генератора). Эта ЭДС снимается с помощью щеток (7), рис. 2.
Рассмотрим принцип выпрямления:
рис. 1 (рис. 3,4). Виток (8) подсоединен к двум
кольцам и вращается в магнитном поле. При вращении витка в проводниках (1,2) будет наводится переменная ЭДС (под северным полюсом одно направление, а под южным другое).Снятое со щеток напряжение будет иметь синусоидальный характер (рис. 3).
Если кольцо разрезать пополам и подсоединить к ним проводники (1,2) то это уже будет элементарный коллектор – выпрямитель, (рис. 4).Независимо от того,
рис. 2 какое полукольцо с проводником (1) или (2) подойдет к нижней щетке, направление ЭДС, снимаемое нижней щеткой, будет одним и тем же. Для внешней цепи плюс будет на нижней щетке, а минус на верхней. При
одном витке выпрямленная ЭДС будет иметь большую пульсацию. При увеличении числа витков (коллекторных пластин) пульсация резко уменьшается, (рис. 5).
Пульсация ЭДС характеризуется величиной –
.
и зависит от числа коллекторных пластин на полюс. При одном витке (одной коллекторной пластине на полюс) пульсация составляет
.
рис. 3

, 
При одном витке
,
,
т. е.
с увеличением числа коллекторных пластин на полюс пульсация ЭДС резко снижается :
если
, то
на (рис. 5) видно, что при двух витках (
)
рис. 4
, то
пульсация ЭДС резко снижается.
, то 
Из всего сказанного следует, что коллектор является той частью машины, которая преобразует
рис. 5 машину переменного тока в машину постоянного тока.
3.2. Обмотки якоря машин постоянного тока
В процессе развития машин постоянного тока не сразу пришли к современному типу якоря – цилиндрическому. На первом этапе развития якорь был кольцевым. Но в связи с малым использованием меди в этих якорях перешли к барабанным. В пазах железа якоря укладывается обмотка. Под обмоткой понимается вся совокупность проводников, которые закладываются в пазы и которые соединяются в строго определенном порядке. Число которых достигает нескольких сотен и даже тысяч.
Основные требования предъявляемые к обмотке
1. Обмотка должна быть замкнута сама на себя, т. е. если начали обход обмотки от какой-то пластины, то после обхода должны прийти к этой же пластине.
2. Отдельные проводники обмотки соединены таким образом, при котором обеспечивается наибольшая ЭДС.
3. Сумма ЭДС по контуру обмотки должна быть равна нулю, (рис. 6). Если по
контуру обмотки сумма ЭДС не равна нулю, то появляются уравнительные токи.
Для того, чтобы представить себе обмотку, пользуются методом развертки.
Основным элементом обмотки является секция. Секцией называется часть обмотки, которая заключена между двумя коллекторными пластинами.
рис. 6 В машинах постоянного тока используются следующие типы обмоток:
1. Простая петлевая обмотка
2. Простая волновая обмотка
3. Сложно-петлевая обмотка
4. Сложно-волновая обмотка
5. Смешанная (лягушечная) обмотка
3.2.1. Простая петлевая обмотка
Для того, чтобы выполнить обмотку в развернутом виде необходимо рассчитать четыре шага; (рис. 7)

1. Первый шаг – шаг по коллектору – 
Шаг по коллектору – расстояние между осями коллекторных пластин концов секции.
Шаг по коллектору измеряется числом коллекторных делений. В простой петлевой обмотке шаг по коллектору
. В практике используется правоходовая (знак
).
2. Второй шаг – первый частичный шаг – это расстояние между начальной и конечной активными сторонами секции –
.
- измеряется числом элементарных пазов
рис. 7 расположенных между активными сторонами.
Элементарным пазом называется такой паз, в котором расположены две активные стороны. На рис. 8 представлен один реальный паз с тремя элементарными.
3. Третий шаг – второй частичный шаг –
- это расстояние между конечной стороной одной секции и начальной стороной другой секции и измеряется элементарными пазами.
4. Четвертый шаг -
- результирующий шаг – это расстояние между соответствующими
рис. 8 сторонами двух секций идущими одна за другой.
Этими основными шагами и характеризуется обмотка. В любой обмотке активные стороны секции необходимо расположить так, чтобы в ней индуктировалась наибольшая ЭДС.
Максимальная ЭДС будет тогда, когда активные стороны проходят через центр полюсов, рис. 9.
Первый частичный шаг
определяется по формуле
, где
- число элементарных пазов
- число полюсов
- долевая величина, которая обеспечивает целое число 
Если
, то это обмотка с полным шагом, если
, то с укороченным шагом.
рис. 9
Определим результирующий шаг -
.
Обозначим:
- число секций
- число коллекторных пластин
- число элементарных пазов
При элементарных пазах число секций равно числу коллекторных пластин. Кроме того, число элементарных пазов равно числу секций.
Тогда 
Так как отступление секций по коллектору строго соответствует отступлению секций по элементарным пазам, следовательно
.
Второй частичный шаг –
.
В простой петлевой обмотке число параллельных ветвей равно числу полюсов
(рис. 10).
Число параллельных ветвей определяют область применения машины.
Простая петлевая обмотка применяется для машин средней мощности при номинальном напряжении.
рис. 10
3.2.2. Простая волновая обмотка

На рисунке представлены секции волновой обмотки с указанием основных шагов, (рис. 11).
Определение основных шагов: первый частичный шаг
рис. 11
При обходе якоря, каждая секция волновой обмотки занимает по окружности якоря двойное полюсное деление. Если машина имеет -
- пар полюсов, то при обходе окружности якоря мы уложим
секций. Причем последняя секция либо не дойдет на исходную коллекторную пластину (на одну раньше), либо перейдет исходную коллекторную пластину, т.е.
(в практике используется левоходовая обмотка со знаком минус). Откуда шаг по коллектору 
Так как отступление секций по коллектору строго соответствует отступлению секций по элементарным пазам, отсюда
,
.
В простой волновой обмотке число параллельных ветвей равно
, 
Условно простую волновую обмотку можно представить на рис. 12. Из рисунка видно, что чем больше число полюсов, тем выше напряжение на якоре. Поэтому простая волновая обмотка используется для машин малой мощности но при повышенном напряжении. Число установленных щеток равно числу полюсов.
рис. 12
Сложные обмотки
Сложные обмотки состоят из простых обмоток и бывают сложно-петлевые и сложно-волновые.
3.2.3. Сложно-петлевая обмотка
сложная обмотка отличается от простой обмотки шагом по коллектору, рис. 13.
(обычно
не более
).
Результирующий шаг
.
Шаг
, а
.
Сложно-петлевые обмотки могут быть однократнозамкнутые и двухкратнозамкнутые (двух ходвые).
Пусть
намотку с
пластины, т. е.
и рис. 13 т.д. получим одну обмотку. Вторая обмотка будет
соединена со всеми четными пластинами (
и т. д.). В этом случае получим две независимые обмотки (двухкратнозамкнутую обмотку).
Если
при нечетном числе
при намотке обойдем секции соединенные с нечетными пластинами, а затем обмотку соединенную с четными пластинами. В этом случае получим двух ходовую однократнозамкнутную обмотку. Эта обмотка чаще используется на практике.
В сложно-петлевой обмотке число параллельных ветвей
, т. е. можно увеличить число параллельных ветвей не изменяя число полюсов. Эти обмотки применяются для токов большой величины, так как в них число параллельных ветвей велико. Поэтому сложно-петлевые обмотки применяются для машин большой мощности номинальном напряжении.
3.2.4. Сложно-волновые обмотки
Сложно-волновые обмотки состоят из простых волновых обмоток. Они могут быть однократнозамкнутые (двух ходовые) и двухкратнозамкнутыми. Основные шаги определяются:
,
,
,
где
.
Число параллельных ветвей в сложно-волновой обмотке
.
Сложно-волновая обмотка применяется для машин средней мощности с повышенным напряжением.
На практике намотку ведут по реальному шагу
, где:
- число элементарных пазов,
- число реальных пазов.
3.2.5. Симметрия обмоток
Обмотка состоит из параллельных ветвей, ветви обмотки совершенно одинаковы – симметричные. В симметричной обмотке в параллельных ветвях наводятся одинаковые ЭДС и протекают одинаковые токи, но для этого необходимо выполнить ряд условий.
Условия симметрии обмотки :
На каждую пару параллельных ветвей (
) должно приходиться одинаковое число секции (
), реальных пазов (
), и полюсов (
).
1.
2.
3. 
В практике этих условий недостаточно. Приходится использовать уравнительные соединения первого рода и уравнительные соединения второго рода.
а) Уравнительные соединения первого рода.
Уравнительные соединения первого рода применяются для выравнивания магнитной несимметрии и используются только для петлевых обмоток.
В петлевых обмотках, каждая ветвь расположена под своим полюсом. Но поток может быть неодинаков из-за неравномерного зазора (просел подшипник, неправильная сборка машины), что приводит к магнитной несимметрии. А при магнитной несимметрии машина работает в не нормальных условиях: перегрузка отдельных ветвей, недогрузка других. (см. рис. 14).
В обмотках при нормальных условиях имеются точки с одинаковыми потенциалами и если их соединить уравнителями, то тока в них не будет. При нарушении магнитной симметрии в параллельных ветвях наводятся различные ЭДС, что приводит к появлению уравнительных токов внутри обмотки. Этот уравнительный ток ликвидирует магнитную
несимметрию. По обмотке и уравнительным соединениям протекает переменный ток. Создается многофазная системная, которая создает вращающееся поле. Это поле вращается с такой же скоростью что и якорь, но в противоположную сторону, т. е. оно неподвижно относительно полюсов. Это поле усиливает поток под полюсами где оно ослаблено и ослабляет поток, где поле большое. Таким образом происходит выравнивание магнитной несимметрии.
Способы выполнения уравнительных соединений первого рода
Уравнительные соединения первого рода выполняются либо со стороны коллектора, либо с противоположной стороны на изолирующих кольцах.
В обмотке имеются точки с одинаковыми потенциалами. Эти точки должны быть соединены. Промежуток между равнопотенциальными точками одинаков. Шаг уравнительного соединения определяется по формуле
, где
- число пар параллельных ветвей.
Число
определяет число точек соединенных в один узел.
Рис. 15
Пример:
То одинаковый потенциал имеют следующие точки. 
В примере уравнительные соединения выполнены 
со стороны коллектора. Если они выполнены с -----------
противоположной стороны, то точки одинакового
,рис. 15
потенциала собираются на изолирующих кольцах.
Однако при большом количестве коллекторных пластин
полное число уравнительных соединений не выполняется (только в специальных машинах). Обычно делают на один реальный паз один уравнитель.
Уравнители выполняются проводом сечением
от сечения провода обмотки. Уравнительные соединения первого рода применяются только в петлевых обмотках, а в волновых уравнительные соединения первого рода не нужны, так как число пар параллельных ветвей
(одна равнопотенциальная точка). Кроме того, параллельные ветви волновой обмотки последовательно проходят через все полюса, то магнитная несимметрия одинаково сказывается на этих параллельных ветвях.
б) Уравнительные соединения второго рода
Уравнительные соединения второго рода применяются только для сложных обмоток: сложно-петлевых и сложно-волновых.
Уравнительные соединения второго рода служат для выравнивания неравномерного распределения потенциала вдоль коллектора.
В сложных все происходит по разному, простые обмотки лежат рядом и на коллекторе перекрываются одной щеткой. Если сопротивления между коллекторными пластинами и щеткой равны, то изменение потенциала сказывается одинаково на обеих обмотках.
Однако переходные сопротивления (коллектор-щетка) простых обмоток не равны и распределения токов в этих обмотках будут неравномерными. А это приведет к неравномерному распределению потенциала на коллекторе. Для выравнивания неравномерного потенциала на коллекторе выполняют уравнительные соединения второго рода, рис. 16.
Уравнительные соединения второго рода должны соединять коллекторные пластины простых обмоток, имеющих при нормальных условиях одинаковые потенциалы. Шаг уравнительного соединения
.
Сложно-петлевые обмотки имеют уравнительные соединения первого и второго рода.
Сложно-волновые обмотки имеют только уравнительные соединения второго рода.
рис. 16
3.2.6. Смешанная (лягушечная) обмотка

Секции этой обмотки представляют собою комбинацию простых обмоток (петлевой и волновой), рис. 16,a. Эта обмотка применяется для машин большой мощности. В этой обмотке уравнительные соединения не нужны.
В роли уравнителя первого рода служит секция волновой обмотки, в роли уравнителя второго рода служит секция петлевой обмотки.
Рис. 16,a
3.3. ЭДС обмотки якоря
При вращении якоря секции проходят под полюсами, при этом в них наводится ЭДС
. Но индукция по всей площади полюсного деления не одинакова (рис. 17), к краям она уменьшается из-за большого сопротивления воздуха. Поэтому в расчетах берется средняя индукция.
Обмотка якоря имеет
проводников.
Если обмотка якоря имеет
параллельных ветвей, то на одну параллельную ветвь будет приходиться
проводников. Поэтому для определения ЭДС обмотки якоря достаточно определить ЭДС одной параллельной ветви. Общая ЭДС ветви будет определяться суммой ЭДС в отдельных проводниках.
,
, где
- число оборотов в минуту. Выразим величину (
) через число полюсов (
) и полюсное деление (
).
тогда
, где
- поток одного полюса,
- коэффициент зависящий от конструкции двигателя.
Окончательно
.
ЭДС якоря зависит от потока и скорости вращения.



рис. 18 рис. 19 рис. 20
3.4. Реакция якоря в машинах постоянного тока
В режиме холостого хода генератора постоянного тока ток возбуждения создает основной поток, который при вращении якоря наводит в обмотке якоря ЭДС. Поток при холостом ходе имеет симметричный характер, рис. 18. Если якорную цепь подключить к нагрузке, то по обмотке якоря будет протекать ток, который создаст свой поток.
Взаимодействие потока якоря с потоком основных полюсов и называется реакцией якоря. Картину распределения потока якоря можно представить на рис. 19.
При холостом ходе генератора ЭДС наводимая в обмотке якоря определяется по правилу правой руки. Подключив нагрузку, в якоре появится ток с тем же направлением что и ЭДС. Ток создаст поток, который взаимодействуя с потоком основных полюсов, создаст результирующий поток. За счет потока якоря набегающий край полюса будет размагничиваться, а сбегающий край полюса намагничиваться, рис. 20. Физическая нейтраль у генератора будет сдвигаться по ходу вращения якоря. Она перпендикулярна результирующему потоку.

Реакция якоря у двигателя противоположна генератору.
Генератор Двигатель
При одинаковом направлении вращения якоря, независимо от режима работы, направление ЭДС в якоре одинаково. В двигательном режиме ток якоря направлен встречно ЭДС, поэтому реакция якоря двигателя противоположна генератору, т.е. набегающий край полюса будет намагничиваться, а сбегающий край полюса размагничиваться.
Рассмотрим намагничивающую силу реакции якоря, магнитную индукцию якоря и результирующую индукцию на полюсном делении.
Для рассмотрения намагничивающей силы реакции якоря введем понятие о линейной нагрузке якоря – ток приходящийся на единицу длины окружности якоря.

Путем введения этой величины можно условно заменить зубчатый якорь гладким, у которого линейная нагрузка равномерно распределена по всей поверхности. У реального якоря ток находится только в пазах, что осложняет расчет.
По закону полного тока следует, что намагничивающая сила по замкнутому контуру равна полному току, который охватывается этим контуром, а полный ток на данной длине определяется линейной нагрузкой.
Поэтому намагничивающая сила реакции якоря
- линейный закон.
При
,
;
,
.
Определим закономерность индукции якоря.
- линейный закон сохраняется под полюсами, а между полюсами за счет большого сопротивления воздуха кривая индукции имеет провал. (
), рис. 21. При холостом ходе индукция
рис.21
имеет вид близкий к трапеции.
Результирующая кривая индукции
имеет искаженный характер, т. е. набегающий край полюса размагничивается, а сбегающий намагничивается. Щетки установлены на нейтрали. Реакция якоря при этом будет поперечная, рис. 22.

рис.22 рис.23 рис.24
Если щетки установить вдоль полюсов, реакция якоря будет продольно размагничивающая, рис. 23. Если щетки генератора сдвинуть на дугу (
) по направлению вращения то реакцию якоря можно разложить по осям, рис. 24.
,
,
где:
- поперечная ось
- продольная ось.
Поперечная намагничивающая сила искажает магнитный поток, а продольная размагничивает.
Реакция якоря влияет на все характеристики генераторов постоянного тока.
3.5. Генераторы постоянного тока
Генератор постоянного тока преобразует механическую энергию в электрическую. В зависимости от способов соединения обмоток возбуждения с якорем генераторы классифицируются:
1. генератор независимого возбуждения, рис. 25
2. генераторы с самовозбуждением:
а) генератор параллельного возбуждения, рис. 26
б) генератор последовательного возбуждения, рис. 27
![]() | ![]() | ![]() | |||
в) генератор смешанного возбуждения, рис. 28
![Описание: 28]()
Энергетическая диаграмма генератора независимого возбуждения.
![]() |

- механическая мощность на валу
- электромагнитная мощность
- отдаваемая электрическая мощность
- потери магнитные, механические, электрические, потери в щеточном контакте.

Разделив уравнение на ток якоря
, получим:

или 
Электромагнитный момент генератора постоянного тока
Сила, воздействующая на проводник с током равна
. Для расчета принимаем индукцию на полюсном делении среднюю величину. Ток во всех проводниках одинаков, индукция средняя, каждый проводник практически пересекает магнитную линию перпендикулярных. Исходя из этого, можно суммарную силу всех проводников сосредоточить в одном проводнике.
, где
- число проводников обмотки якоря. Электромагнитный момент
,
, заменим
,
, получим
, где:
,
- поток, тогда


Электромагнитный момент зависит от потока и тока якоря. В генераторном режиме электромагнитный момент является тормозным. Уравнение равновесного состояния моментов запишется
, где:
- механический момент на валу генератора
- момент холостого хода
- электромагнитный момент
3.5.1. Генератор независимого возбуждения
Свойства генератора определяются его характеристиками. 1.Характеристика холостого хода:
,
, ![]()
Пунктирная - расчетная характеристика холостого хода.
Характеристика холостого хода позволяет судить о степени насыщения магнитной цепи. 2. Нагрузочная характеристика: 
,
,
.
Треугольник
- характеристический. Катет
- ток возбуждения, который идет на компенсацию реакции якоря.
3. Внешняя характеристика:
,
.
Напряжение падает с увеличением тока якоря за счет:
а) падения напряжения - 
б) размагничивающего действия реакции якоря.
4. Регулировочная характеристика:
,
, 
![]() |
3.5.2. Генератор параллельного возбуждения
![]() |
Генератор параллельного возбуждения – это генератор с самовозбуждением. Обмотка возбуждения питается от якорной цепи. Для того, чтобы генератор возбудился, необходимо выполнить ряд условий:
- Наличие остаточного потока
в железе полюсов. - Поток созданный обмоткой возбуждения
и остаточный поток
должны быть направлены в одну сторону
,
3. Сопротивление цепи возбуждения должно быть меньше критического, т. е.
.
Процесс самовозбуждения происходит при холостом ходе
.
Процесс самовозбуждения происходит в следующем порядке: при включении асинхронного двигателя в сеть, якорь генератора начинает вращаться. Остаточный поток, пересекая проводники якоря, наводит в них
. Под действием этой
по обмотке возбуждения начинает протекать ток, который создает поток
. Если этот поток направлен согласно с остаточным потоком, то общий поток возрастет, возрастает и наводимая
в якоре. А это приведет к увеличению тока и потока и т. д.
Машина возбудится. Процесс возбуждения будет лавинообразным.
Третьим условием самовозбуждения является:
, рис. 33.
Прямая
- вольтамперная характеристика цепи возбуждения.
.
. Процесс возбуждения будет происходить по ступенчатой кривой до точки
. Напряжение
. Чем больше динамическая составляющая
, тем быстрее идет процесс возбуждения. Если увеличить сопротивление
, то машина возбудится до меньшего напряжения (точка
).
При дальнейшем увеличении
вольтамперная характеристика будет касательной.
Сопротивление цепи возбуждения соответствующего касательной характеристике и есть критическое сопротивление. Начиная от этого сопротивления и дальше, машина не возбудится.
Характеристики генератора
1. Характеристика холостого хода
,
,
.
Характеристика холостого хода имеет одностороннее возбуждение и имеет следующий вид.
2. Нагрузочная и регулировочная характеристики аналогичны генератору независимого возбуждения.
3. Внешняя характеристика
,
,
.
Обычно эту характеристику сравнивают с характеристикой генератора независимого возбуждения. Причины, которые уменьшают напряжение генератора параллельного возбуждения: 1. Падение напряжения в якорной цепи -
.
2. размагничивающее действие реакции якоря.
3. с увеличением тока якоря уменьшается напряжение на зажимах якоря, а следовательно уменьшается ток возбуждения и поток т. е.
,
.
Режим короткого замыкания у генератора очень опасен, ток короткого замыкания достигает
.
3.5.3. Генератор последовательного возбуждения
Обмотка возбуждения у генератора включена последовательно с якорем. Ток возбуждения равен току якоря -
.
При независимом возбуждении можно снять характеристику холостого хода. В обычной схеме, (рис. 34) можно снять только восходящую внешнюю характеристику. Генератор последовательного возбуждения не нашел практического применения.

3.5.4. Генератор смешанного возбуждения
Генератор смешанного возбуждения широко используется в промышленности. Обмотки возбуждения по потоку могут быть включены согласно, либо встречно, рис. 35.
1. Характеристика холостого хода
,
,
.
При холостом ходе ток якоря равен нулю, поэтому обмотка возбуждения
не создает потока. Следовательно, характеристика холостого хода аналогична генератору параллельного возбуждения.
2. Нагрузочная характеристика
, 
Нагрузочная характеристика (3) для генератора параллельного возбуждения.
Нагрузочная характеристика (2) для генератора смешанного возбуждения при согласном направлении токов. Поэтому, последовательная обмотка играет роль компенсатора реакции якоря и характеристика (2) проходит выше характеристики холостого хода.
3. Внешняя характеристика
,
,
.
У генератора смешанного возбуждения при различном соотношении и направлении потоков можно получить характеристики различного вида.
Если потребители находятся вдали от генератора, то обмотку возбуждения
по току выполняют значительной, что дает повышенное напряжение с учетом падения напряжения в сети (характеристика 1). Для нормального режима используется характеристика 2.
Характеристика 3 – экскаваторная характеристика, которая получена при встречном включении обмоток.
4. Регулировочная характеристика
,
.
Регулировочные характеристики практически можно снять, соответственно внешним характеристикам 1 и 2.
якоря
. Электромагнитный момент
.
3.6. Двигатели постоянного тока
Двигатели постоянного тока широко используются в различных системах электропривода, где требуется широкий диапазон регулирования частоты вращения. Двигатель постоянного тока преобразовывает потребляемую электрическую энергию в механическую на валу, хотя машина постоянного тока обратима. Покажем принцип перевода генератора в режим двигателя, рис. 36.
Для генератора
, откуда ток генератора
.
С увеличением сопротивления
ток
уменьшается, следовательно, уменьшится 
и ток
. При дальнейшем увеличении 

будет равна напряжению U
И ток генератора
будет равен нулю. Далее с увеличением
ток
уменьшится, а, следовательно, уменьшится и 
. При этом
и ток из сети сменит направление, а машина перейдет в двигательный режим. Уравнение равновесного состояния
для двигателя:
,
,
, тогда
.


Получено уравнение скоростной характеристики двигателя постоянного тока. Уравнение моментов для двигателя записывается:
.
3.6.1. Энергетическая диаграмма двигателя постоянного тока

- электрическая потребляемая мощность двигателем
- электромагнитная мощность
- механическая мощность
- потери в обмотке возбуждения
- общий ток из сети
.
.

: на ток
.
, откуда 
3.6.2. Пуск двигателей постоянного тока
Уравнение равновесного состояния
двигателя
, откуда ток
равен:
.

При пуске двигателя
,следовательно
и пусковой ток
может быть больше номинального в
раз. Это может привести к круговому огню на коллекторе и механической поломке двигателя. Поэтому, для ограничения пускового тока до
используют пусковые реостаты, либо пусковые станции и ток при этом равен
.
По мере разгона якоря в нем наводится,
и ток якоря уменьшается. Поэтому, после разгона якоря пусковые сопротивления в цепи якоря выводятся. Схема контактного пуска представлена на рис. 38.
Временная диаграмма пуска двигателя представлена на рис. 39.
Пуск по пусковым характеристикам представлен на рис. 40.
Для пуска двигателей небольшой мощности используют пусковые реостаты. Схема пускового реостата представлена на рис. 41.
При пуске движок реостата находится в положении (1), после пуска в положении (2).
3.6.3. Реверсирование двигателя постоянного тока
Электромагнитный момент
Если изменить направление тока в якоре, то сила действующая на проводник с током изменит направление, а, следовательно, изменится и направление вращения рис. 42. К такому же результату приведет изменение полюсов (изменение направления тока обмотки возбуждения). Таким образом, для реверсирования необходимо либо изменить направление тока в якоре, либо изменить направление тока в обмотке возбуждения (изменить полюса). Если на входе двигателя изменить + на - , то поток
и ток якоря
изменят направление, а момент останется тем же как и направление вращения.
3.6.4. Классификация двигателей постоянного тока
Двигатели постоянного тока классифицируются в зависимости от способа соединения обмотки возбуждения с якорем:
1. Двигатель параллельного возбуждения (если напряжение обмотки возбуждения иное, то такой двигатель называется двигателем независимого возбуждения).
2. Двигатель последовательного возбуждения.
3. Двигатель смешанного возбуждения.
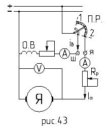
1. Двигатели параллельного возбуждения

Принципиальная схема включения двигателя параллельного возбуждения представлена на рис. 43. Для пуска используется пусковой реостат (п. р.). Свойства двигателя определяются его характеристиками.
1.Скоростная характеристика, зависимость
,
, ![]()
![]()
Скоростная характеристика при
называется естественной, рис. 44. Если
, то характеристика называется реостатной. Так как сопротивление якоря
, как правило мало, то с увеличением тока якоря падение напряжения в якорной цепи мало и скорость уменьшается незначительно. Поэтому, естественная характеристика двигателя получается жесткой.
2.Моментная характеристика, зависимость
,
. На рис. 44. Представлена моментная характеристика, где 
3.Механическая характеристика, зависимость скорости
от момента,
.
, определим ток якоря
через момент,
, откуда
, это выражение подставим в исходное уравнение, получим механическую характеристику:
,
.
Механические характеристики при разных сопротивлениях
представлены на рис. 45, где
, т. е. механическая характеристика при
также жесткая. Это определяет область использования этих двигателей (трансмиссии, вентиляторы, системы ГД для привода станков).
Условия устойчивой работы агрегата
Основное уравнение движения электропривода
![Описание: 44b]()
.
Установившийся процесс, когда
,
,
,
Если
,
,
.
Если
,
,
.
условием устойчивой работы агрегата является:
, точка
будет соответствовать устойчивой работе агрегата.
4. Рабочие характеристики, это зависимость
.
Рабочие характеристики двигателя – это зависимость потребляемой мощности
, тока
, кпд, скорости и момента от мощности на валу.
2. Двигатели последовательного возбуждения

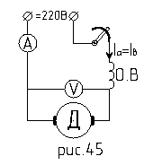
Обмотка возбуждения двигателя включена последовательно с якорем, рис. 45. Ток якоря равен току возбуждения. Поэтому обмотка возбуждения имеет большое сечение и малое число витков. Последовательное соединение обмотки возбуждения является отличительной особенностью этого двигателя и влияет на вид характеристик. С увеличением тока якоря, увеличивается поток, скорость двигателя резко падает, т. е. получается мягкая скоростная характеристика, рис. 46.
1.Скоростная характеристика
,
. В общем виде, за счет насыщения, не имеет решение, аналитическое выражение скоростной характеристики можно получить только для ненасыщенной машины, когда
, рис. 46.

Момент
, при
,
, т. е. если ток нагрузки возрастает в 2 раза, то момент в 4 раза. Это условие и определяет область применения этих двигателей, т. е. используются там, где при пуске нужен большой пусковой момент (тяговый привод). Скоростная характеристика при
, запишется:
.
2. Моментная характеристика,
,
, при
,
, рис. 46.
3. Механическая характеристика,
. Аналитическое выражение характеристики может быть записано при условии
.
,
,
, если подставить ток
в исходное уравнение, получим:
,
, где
.
Общий вид механических характеристик представлен на рис. 47.
Двигатель последовательного возбуждения пойдет на разнос при работе его в холостую. Это может привести к механическим поломкам двигателя. Поэтому, минимальный ток двигателя должен быть не менее
.
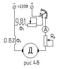
3. Двигатель смешанного возбуждения

Принципиальная схема включения двигателя представлена на рис. 48. В зависимости от того, какая из обмоток преобладает по потоку, двигатели подразделяются на две разновидности:
1)Двигатель параллельного возбуждения с добавочной, последовательной обмоткой. Характеристики такого двигателя приближаются к двигателю параллельного возбуждения, рис. 49. Характеристика (1), естественная. Характеристика (2) соответствует встречному включению потоков
, при согласном включении,
получаем характеристику (3).
2)Двигатель последовательного возбуждения с добавочной параллельной обмоткой. Характеристики такого двигателя приближаются к характеристикам двигателя последовательного возбуждения. Характеристика 4 - характеристика двигателя последовательного возбуждения, характеристика 5 - характеристика двигателя смешанного возбуждения, при этом, обмотки включаются только согласно. Такая характеристика имеет скорость идеального холостого хода и двигатель не пойдет в разнос при холостом ходе. У такого двигателя частота вращения и момент зависят от двух потоков.
,
.
При согласном включении обмоток, при том же токе якоря, можно получить повышенный момент. Такой двигатель используется для тяговых установок и там, где имеются резкие изменения нагрузки.
3.6.5. Регулирование частоты вращения двигателей постоянного тока
С точки зрения, регулирования частоты вращения двигателя постоянного тока являются универсальными. Можно регулировать скорость за счет изменения сопротивления в цепи якоря, потоком и подводимым напряжением. Это видно из формулы:
.
1.Регулирование частоты вращения сопротивлением в цепи якоря.

Уравнения токов до и после введения сопротивления
,
, откуда
, т. е. ток
и момент уменьшается (
) .
При этом
и скорость
уменьшается. С уменьшением скорости
ток якоря возрастает, и он достигнет исходного тока якоря, но при меньшей скорости
.
Переходный процесс показан на рис. 50.
Регулирование частоты вращения сопротивлением в цепи якоря осуществляется в сторону уменьшения скорости, рис. 51.
Но так как ток якоря протекает по
, то увеличиваются общие потери, и снижается кпд. При постоянном токе, за счет увеличения падения напряжения
, скорость двигателя уменьшается.
2.Регулирование частоты вращения за счет изменения потока
Ток якоря до и после изменения потока
,
, их отношение
. Уравнение моментов
. Уменьшим поток на
, т. е.
,
. Напряжение примем за единицу, тогда
.
Ток якоря возрос в 3,3 раза, тогда
, то
и
(возрастает). Переходный процесс представлен на рис. 52.
Ток
. С увеличением скорости вращения, ток якоря будет уменьшаться, но он будет больше исходного т. к. уменьшен поток.
![]() |
При уменьшении потока частота вращения возрастает, рис 53.
Рис. 53.
Как правило, регулирование частоты вращения изменением потока производят в сторону увеличения. В сторону уменьшения регулирование мало эффективно из-за насыщения магнитной цепи.
3.Регулирование частоты вращения изменением подводимого напряжения.
Регулирование частоты вращения изменением подводимого напряжения производится следующими способами:
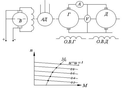
А) Системы генератор-двигатель (Г-Д).
Б) Ттиристорный преобразователь-двигатель (ТП-Д).
В) Широтно-импульсное регулирование.
А) Система Г-Д, рис.54.
![]() |
Рис. 54.
Увеличивая ток возбуждения генератора iвг, возрастает поток Фг и Ег, а следовательно увеличивается напряжение на якоре двигателя и скорость возрастает. Регулирование происходит плавно при малых потерях энергии.
Эта система используется при большой мощности двигателя (подъёмники, прокатные станы, экскаваторы и т.д).
Б) Тиристорный преобразователь-двигатель.
В системе Г-Д используется большое число машин, что увеличивает стоимость установки и снижает надежность.
![]() |
Поэтому в последнее время для регулируемого напряжения все чаще используются статические преобразователи, рис.55.
Рис. 55.
Увеличивая угол управления
- площадь полупериода уменьшается, уменьшается среднее значение напряжения - Uср, а следовательно уменьшается скорость вращения.
В) Широтно-импульсное регулирование.
![]() |
Идея регулирования напряжения подводимого к двигателю заключается в том, что, изменяя длительность подключения двигателя ключом (К) к сети, изменяется среднее значение напряжения, рис. 56. В качестве ключа используются схемы на базе тиристоров или транзисторов.
Рис. 56.
Изменяя время импульса t4 изменяется скважность
,
где t4 - время импульса;
tп - время паузы.
Среднее значение Uср=U0e.
.
Как видим, изменяя среднее значение напряжения, можно регулировать частоту вращения двигателя. Эта система широко используется вместо контактакторно-резисторных систем.
3.7. Коммутация двигателя
При вращении якоря щетка попеременно замыкает секции якоря и в этой секции происходит изменение направления тока. А сама секция передается в другую параллельную ветвь, рис.57. Ток в секции меняется только под щеткой. Дадим определение коммутации:
Коммутацией называется процесс изменения направления тока в секции при переходе ее из одной параллельной ветви в другую.
Рис. 57.
![]() |
При коммутации под щетками происходит очень сложный процесс, этот процесс протекает быстро (10-2 ¸10-5 сек.) и на него влияет много факторов. Мы будем исходить из классической теории коммутации. Разберем коммутацию в узком смысле, возьмем одну секцию и ширину щетки равную ширине коллекторной пластины.
Рис. 58
На рис. 58 еще раз показан процесс коммутации. При положении щетки на пластине (1) ток в секции протекает по часовой стрелке, и секция относится к правой параллельной ветви. Затем при вращении якоря секция щеткой будет закорочена. В конце коммутации щетка будет расположена на пластине (2). Ток в секции сменит направление, и она перейдет в левую параллельную ветвь (показано пунктиром).
Процесс коммутации длится всего тысячные доли секунды. Такое быстрое изменение направления тока вызывает многие неприятности, в частности, искрение на коллекторе.
Искрение гостируется в специальной таблице:
Степень искрения: 1 - отсутствие искрения.
1
- слабое точечное искрение под небольшой частью щетки. 1
- слабое точечное искрение под большей частью щетки.
2 – искрение под всем краем щетки.
3 – значительное искрение под всем краем щетки с наличием крупных искр.
При нормальной коммутации степень искрения не должна превышать 1
.
Искрение определяется не только неудовлетворительной коммутацией, а также определяется механическими причинами, потенциальными неравномерностями. Механическое искрение определяется некачественной щеткой, при плохой обработке и
т. д.
При изучении коммутации будем исходить из двух положений:
1. Будем считать, что контактная поверхность щетки проводит ток равномерно.
2. Удельное сопротивление контакта (переходное сопротивление единицы площади), будем принимать постоянным и не зависимым от плотности тока.
3.7.1 Закон изменения тока в коммутируемой секции
Время, в течение которого происходит смена направления тока в коммутируемой секции, называется периодом коммутации - Тк.
,
где к - число коллекторных пластин,
n - частота вращения якоря,
Вш - ширина щетки,
Вк - коллекторное деление.
За начальный момент коммутации примем момент, когда щетка находится на пластине (1), а конец коммутации, когда щетка находится на пластине (2).На рис.59 представлен момент, когда щетка находится на пластине 1 и 2 и секция коммутирует. Сопротивление секции по сравнению с сопротивлениями r1 и r2 невелико и им можно пренебречь.
Рис. 59.
![]() |
Определим закон изменения тока i в коммутируемой секции.
По первому закону Кирхгофа:
I1=ia+i,
I2=ia-i.
По второму закону Кирхгофа:
I1r1-i2r2=
.
Решив эти уравнения относительно тока коммутируемой секции, получим
I=ia
+
,
где
-сумма в коммутируемой секции (ЭДС самоиндукции, взаимоиндукции и ЭДС внешнего поля).
Как видим, ток в коммутируемой секции состоит из двух слагаемых: первое - ток прямолинейной коммутации (основной ток), а второе – добавочный ток. Добавочный ток будет влиять на характер коммутации. Она может быть прямолинейной, замедленной и ускоренной.
3.7.2. Прямолинейная коммутация
Прямолинейная коммутация происходит тогда, когда добавочный ток (rдоб) равен нулю.
Ток в коммутируемой секции равен
i=ia
,
=
, (1)
где S1 - площадь соприкосновения пропорциональная времени оставшегося до конца коммутации - Тк–t;
S2 - площадь соприкосновения пропорциональная времени от начала коммутации - t.
Разделим уравнение (1) на r2
I=ia
=ia
,
=
=
Заменим отношение
на
.
I=ia
, после преобразования получим закон изменения тока прямолинейной коммутации
, ток в коммутируемой секции. Графически это будет прямая линия.
![]() |
На рис.60 на момент времени t показаны токи i1, i2 и i. Эта коммутация самая хорошая, так как плотность тока под щеткой равномерно распределяется под обеими частями щетки.
Рис. 60.
tg a2=
º
=
tg a1=
т.к. a1=a2, то tg a1=tg a2, а, следовательно, D1=D2 (D - плотность тока).
3.7.3. Замедленная коммутация
Так как период коммутации составляет тысячные доли секунды, то от скорости изменения тока в коммутируемой секции наводится ЭДС самоиндукции
. Кроме того, в пазу располагается другая активная сторона другой секции, которая коммутирует под другим полюсом. Ток этой секции наведет ЭДС взаимоиндукции впервой коммутируемой секции
. Обе эти ЭДС по природе одинаковы, поэтому объединим их в одну и назовем реактивной ЭДС - er.
Кроме того, в коммутируемой секции от внешнего поля наведется ЭДС - ek. (ek - ЭДС от внешнего поля или коммутирующая ЭДС). ЭДС er и ek вызовут в секции добавочный ток
, где r1+r2 - общее сопротивление под щеткой. Характер тока будет определяться характером суммарного значения ЭДС Se. Конечно, Se тоже меняется, но мы будем брать среднее значение и считать, что Se будет постоянной.
Посмотрим, как будет изменяться добавочный ток iдоб и сопротивление r1+r2 за период коммутации. Исходя из соотношения
, откуда
. Аналогично,
, откуда
. Так как sщºTk, а s2ºt, s1ºTk-t, то r1+r2=rщ
.
При t=0, r1+r2=¥, iдоб =0
t=Tk, r1+r2=¥, iдоб=0
t=Tk/2, r1+r2=4rщ, iдоб ¹0.
![]() |
На рис.61 представлено изменение суммы сопротивлений r1+r2 добавочному току. Видим, что при t=Tk/2 добавочный ток имеет наибольшее значение.
Рис. 61.
Результирующий ток в коммутируемой секции состоит из тока прямолинейной коммутации (пунктирная прямая) и добавочного тока. Так как при замедленной коммутации преобладает реактивная ЭДС, то процесс коммутации замедляется, т.е. ток в секции изменяет направление позже, чем при прямолинейной коммутации
. При замедленной коммутации er>ek и добавочный ток iдоб увеличивает ток i1 и уменьшает ток i2, рис.62.
![]() |
Рис. 62.
Поэтому равномерное распределение тока под щеткой будет нарушено. Плотность тока на сбегающей части щетки возрастает, и искрение будет наблюдаться на этой части щетки. Замедленная коммутация – это наихудший вид коммутации.
3.7.4. Ускоренная коммутация
![]() |
Ток
, при ускоренной коммутации ek>er, т.е. ЭДС от внешнего поля больше реактивной ЭДС и добавочный ток изменит свое направление, что приведет к изменению тока в коммутируемой секции раньше, чем через t =Tk/2, рис.63 (коммутация криволинейная). Рис. 63.
При ускоренной коммутации ток в секции i2 возрастает, а i1 уменьшится. Ток в секции i уменьшится.
Плотность тока на набегающей части щетки возрастает, и искрение будет наблюдаться на этой части щетки, рис.64. Равномерное распределение тока под щеткой также будет нарушено. Этот вид коммутации также неблагоприятный. Иногда специально настраивают коммутацию на ускоренную.
![]() |
Рис. 64.
При ускоренной коммутации искрение более вероятное на набегающей части щетки. При наладке коммутации стремятся приблизить криволинейную коммутацию к прямолинейной.
3.7.5. Определение реактивной ЭДС-er
- это выражение для самоиндукции, но мы примем это выражение для реактивной ЭДС, учитывая разность в коэффициенте L. Это запись мгновенной ЭДС.
Среднее значение ЭДС
, где Lc-коэффициент самоиндукции, определение его связано с рядом сложностей. Напомним, что индуктивность секции определяется ее потокосцеплением, т.е. произведением потока на число сцепленных с ним витков, когда по секции протекает ток в 1 ампер.
![]() |
В основу определения Ls положено понятие об удельной магнитной проводимости-l, под которой понимают число потокосцеплений на единицу длины секции, состоящей из одного витка, по которой протекает ток в один ампер.
,
, где Wc-число витков секции, тогда
, поток секции
. Рис. 65.
Определим проводимость секции. На длине l может быть проводимость пазовая и зубцовая. И еще есть лобовая проводимость.
Проводимость секции

, где
-удельная приведенная магнитная проводимость.
Это было бы справедливо, если бы в пазу лежала только одна секция, но в пазу лежит еще другая активная сторона другой секции, т.е. здесь будет взаимоиндукция. Надо учесть влияние взаимоиндукции.


эта часть удваивается, тогда
.
Перейдем к определению реактивной ЭДС
где Wc - число витков секции, период коммутации
,
, домножим на
, тогда
, где
- линейная скорость на окружности якоря, величина
, окончательно реактивная ЭДС
, где A - линейная нагрузка.
гн/м.
ЭДС от внешнего поля - ek
, где Bk, lk - индукция Bk в зоне коммутации и длина lk также в зоне коммутации.
3.7.6. Способы улучшения коммутации
Идея улучшения коммутации сводится к тому, чтобы криволинейную коммутацию, привести к прямолинейной, а для этого необходимо, чтобы добавочный ток iдоб был равен нулю.
. Уменьшить ток iдоб можно, попытавшись увеличить сопротивление r1+r2, теоретически это возможно, но через эти сопротивления проходит и основной ток машины, что увеличит потери напряжения и нагрев пластин. Значит этим путем идти нельзя. Кроме того, марку щеток выбирают в зависимости от плотности тока и скорости вращения коллектора. Обычно для машин постоянного тока используют графитные или электрографитные щетки. Поэтому сопротивления r1+r2 определяются выбранной маркой щеток.
Уменьшить добавочный ток iдоб можем за счет уменьшения реактивной ЭДС-er.
. Уменьшая любую величину, мы уменьшаем er, но больших результатов не получим, к примеру, если уменьшим линейную нагрузку A, то это приведет к увеличению габаритов. Уменьшение скорости вращения приведет к такому же результату.
Можно уменьшить число витков в секции - Wc, но опять таки сильно уменьшить Wc нельзя, так как от Wс зависит наводимая ЭДС якоря. Остается последнее – уменьшить
.
.
![]() |
Для уменьшения
используют обмотки с укороченным шагом, либо используют ступенчатую обмотку, рис.66 а, б.
![]() |
Рис. 66 а. Рис. 66 б.
За счет укорочения шага, рис.66 а, активные стороны секций расположены в разных пазах, это приводит к тому, что ЭДС взаимной индукции в них не будет. Частично этот же результат получен при ступенчатой обмотке. Но и здесь большого эффекта достичь нельзя.
Наиболее рациональным средством в приближении коммутации к прямолинейной, т.е. при iдоб=0, является достижение равенства er=ek, т. е. необходимо получить ek=er, которые скомпенсируют друг друга и сведут добавочный ток iдоб=0.
При этом улучшение коммутации производят двумя методами:
1. За счет сдвига щеток с нейтрали,
2. За счет уменьшения добавочных полюсов.
![]() | ![]() | ||
1. Улучшение коммутации за счет сдвига щеток с нейтрали, рис. 67 а, б, в
Если щетки установлены на геометрической нейтрали, то секция, подойдя к пластине (1), начнет коммутировать. От скорости изменения тока в секции в ней наведется реактивная ЭДС. Кроме того, секция коммутирует во внешнем поле той же полярности. Поэтому в секции наведется ЭДС ek того же знака, что и ЭДС er. Если щетки сдвинуть на физическую нейтраль, то секция начнет коммутировать, подойдя к пластине (2), и в ней наведется ЭДС er, а ЭДС ek будет равна нулю, т.к. индукция B в точке 2 равна нулю. Затем, если сдвинуть щетки за физическую нейтраль, то секция начнет коммутировать, дойдя до пластины (3), и в ней появится ЭДС er, а индукция B в этом положении будет иметь противоположный характер, и наводимая ЭДС ek будет противоположна ЭДС er. Сдвинув щетки на соответствующий угол, можно получить полную компенсацию er и ek и тем самым свести ток iдоб =0 и привести коммутацию к прямолинейной. Этот способ улучшения коммутации применим только тогда, когда нагрузка генератора практически постоянная. В практике нагрузка, как правило, переменная. Поэтому для улучшения коммутации используют второй способ.
2. Улучшение коммутации за счет установки добавочных полюсов
Дополнительные полюса устанавливают на геометрической нейтрали. Количество их равно числу главных полюсов. Это простое и целесообразное решение. Все современные машины постоянного тока снабжены дополнительными полюсами.
![]() |
Рис. 68.
Идея улучшения коммутации сводится к следующему:
Секция идет от южного полюса. Дойдя до щетки на нейтрали, секция начнет коммутировать и в ней наведется от скорости изменение тока ЭДС
. Дополнительный полюс своим потоком наведет в коммутируемой секции ЭДС-ek. Для того, чтобы ЭДС ek была встречно с ЭДС er, необходимо, чтобы секция коммутировала в зоне противоположной полярности, т.е. полярность дополнительного полюса должна быть северной (N).
Обмотка дополнительного полюса включается последовательно с якорем. Это делается для того, чтобы с увеличением тока якоря одновременно изменялись ЭДС er и ek.

Для того, чтобы BkºIa, необходимо, чтобы дополнительные полюса должны быть ненасыщенные и набираться из пакета листов электротехнической стали.
Определение числа витков дополнительного полюса
Число витков дополнительного полюса выбирается исходя из равенства ЭДС er=ek.
обычно l»lk, тогда Bk=
. Исходя из индукции Bk, ведется расчет числа витков дополнительного полюса.
Намагничивающая сила дополнительных полюсов складывается из двух частей:
1. Первая часть должна создать индукцию Bk,
2. Вторая часть должна компенсировать реакцию якоря, обычно эта часть больше.
Fq=Faq+Fdg=Ae+2
,
где dg, Kdg – зазор под дополнительным полюсом,
Kdg – коэффициент зазора.
Намагничивающая сила дополнительных полюсов
Fg=2IaWg, откуда Wg=
.
Задавшись током Ia определяем линейную нагрузку А, а по А определяем Вk и Fg.
На практике для наладки коммутации снимают кривые безискровой коммутации и по ним производят коррекцию числа витков Wg или изменяют зазор dg для того, чтобы коммутацию была прямолинейна.
3.7.7. Круговой огонь в машинах постоянного тока
Круговой огонь в машинах постоянного тока возникает при пиковых нагрузках или при коротком замыкании.
Это тяжелый и не приятный случай коммутации, приводящий к порче машины, т.е. коллекторные пластины перекрываются огнем по всему коллектору и они плавятся, т.е. машина выходит из строя.
Физическая природа этого явления отличается чрезвычайной сложностью. Развитию кругового огня способствуют две причины:
1. Первая причина.
![]() |
Предположим, что имеем пик нагрузки, резко увеличивается ток в якоре, также резко возрастает линейная нагрузка А и столь же быстрое возрастание ЭДС еr, а ЭДС ek это время не успевает расти, так как при большом токе дополнительный насыщен и ЭДС ek будет мало изменяться, т.е. er>>ek, отсюда коммутация становится явно замедленная. Появится искрение на сбегающем крае щетки. Искры объединяются в дугу. При вращении якоря дуги сливаются и получается круговой огонь.
2. Вторая причина.
Информация в лекции "Патофизиология клетки" поможет Вам.
Рис. 69.
В момент перегрузки реакция якоря сильно искажает индукцию. И секция, дойдя до максимального значения индукции, в ней наведется увеличенная ЭДС. Напряжение между коллекторными пластинами резко возрастает, кроме того, изоляция между пластинами загрязнена угольной пылью. Эти причины приведут к перекрытию этих пластин. Далее подойдя в эту зону максимальной индукции, следующая секция окажется в таком же положении, и следующие коллекторные пластины перекроются (произойдет пробой изоляции). Это будет также способствовать развитию кругового огня, рис.69.
![]() |
В машинах большой мощности для ликвидации второй причины устанавливают компенсационную обмотку. Эта обмотка расположена в пазах полюсных наконечников, рис.70.
Рис. 70.
Эта обмотка соединяется последовательно с якорем. Поток компенсационной обмотки компенсирует поток якоря. Это приводит к тому, что у машины как при холостом ходе, так и при нагрузке индукция имеет вид трапеции. Не будет повышенных индукций, а следовательно не будет перенапряжений и пробоя изоляции между пластинами.
Наличие компенсационной обмотки облегчает условия работы дополнительных полюсов. Для ослабления кругового огня машину часто настраивают на ускоренную коммутацию, чтобы при пиковых нагрузках она приходила к прямолинейной коммутации. Кроме того, по окружности якоря устанавливают предохранительные щиты для ограничения развития кругового огня.










в железе полюсов.
,
Генератор смешанного возбуждения широко используется в промышленности. Обмотки возбуждения по потоку могут быть включены согласно, либо встречно, рис. 35.
Скоростная характеристика при
называется естественной, рис. 44. Если
, то характеристика называется реостатной. Так как сопротивление якоря
, как правило мало, то с увеличением тока якоря падение напряжения в якорной цепи мало и скорость уменьшается незначительно. Поэтому, естественная характеристика двигателя получается жесткой.
.



3.7. Коммутация двигателя

































