Главные схемы подстанций
Лекция 11: «Главные схемы подстанций».
Схема с двумя рабочими и обходной системами шин.
Для РУ 110-220кВ с большим числом присоединений применяется вышеуказанная схема с одним выключателем на цепь.

В схеме б) выключатель ВО играет роль обходного и шиносоединительного выключателей.
Обычно обе системы шин находятся в работе при соответствующем фиксированном распределении всех присоединений: линии 1Л, 2Л, 3Л; трансформатор Т1 подключены к первой системе шин. Линии 4Л, 5Л, 6Л; трансформатор Т2 подключены ко второй системе шин. Шиносоединительный выключатель ШСВ включён. Такое распределение присоединений увеличивают надёжность схемы. Рассмотренная схема рекомендуется для РУ 110-220кВ на стороне ВН и СН подстанций при числе присоединений 7-15.
Недостатки этой схемы:
1. Отказ одного выключателя при аварии приводит к отключению всех источников питания и линий, подключённых к данной системе шин, а если в работе находится одна система шин, отключаются все присоединения. Ликвидация аварии затягивается, так как все операции по переходу с одной системы шин на другую производятся разъединителями;
2. Повреждение шиносоединительного выключателя равноценно КЗ на обеих системах шин, то есть приводит к отключению всех присоединений;
Рекомендуемые материалы
3. Большое количество операций разъединителями при выводе в ревизию и ремонт выключателей усложняет эксплуатацию РУ;
4. Необходимость установки шиносоединительного, обходного выключателей и большого количества разъединителей увеличивают затраты на сооружение РУ.
Некоторого увеличения гибкости и надёжности схемы можно достичь секционированием одной или обеих систем шин.
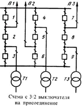
Схема с двумя системами шин и тремя выключателями
на две цепи (полуторная схема).

В распределительном устройстве 500кВ применяется полуторная схема или «схема с 3/2 выключателя на цепь». Каждое присоединение включено через два выключателя. В нормальном режиме все выключатели включены, обе системы шин находятся под напряжением. Для ревизии любого выключателя отключают его и разъединители, установленные по обе стороны выключателя. Количество операций для вывода в ревизию – минимальное, разъединители служат для ремонтных целей. Достоинством схемы является то, что при ревизии любого выключателя все присоединения остаются в работе, а также высокая надёжность характеризует вышеуказанную схему.
Недостатками рассмотренной схемы являются:
1. Отключение КЗ на линии двумя выключателями;
2. Удорожание РУ при нечётном числе присоединений, так как одна цепь должна присоединяться через два выключателя;
3. Снижение надёжности схемы, если количество ЛЭП не соответствует числу трансформаторов;
4. Усложнение релейной защиты;
5. Повышенное число выключателей в схеме.
Схема с двумя системами шин и с четырьмя выключателями на три цепи (схема 4/3).
![]() |
Наилучшие показатели схема имеет, если число линий в два раза или больше числа трансформаторов.
Схема с 4/3 выключателя на присоединение имеет все достоинства полуторной схемы, а кроме того
1. Схема более экономична;
2. Секционирование сборных шин требуется только при пятнадцати присоединениях и более;
3. Надёжность схемы практически не снижается, если в одной цепочке будут присоединены две линии и один трансформатор вместо двух трансформаторов и одной ЛЭП;
4. Конструкция ОРУ достаточно экономична и удобна в эксплуатации, если принять компоновку с двухрядным расположением выключателей.
Схема находит применение в ОРУ 500кВ.
Главная схема электрических соединений подстанций выбирается с учётом схемы развития электрических сетей энергосистемы или схемы электроснабжения района.
По способу присоединения к сети все подстанции можно разделить на тупиковые, ответвительные, проходные, узловые.
Тупиковая подстанция – это подстанция, получающая электроэнергию от одной электроустановки по одной или нескольким параллельным ЛЭП.
Ответвительная подстанция присоединяется глухой отпайкой к одной или двум проходящим линиям.
Проходная подстанция включается в рассечку одной или двух линий с двусторонним или односторонним питанием.
Узловая подстанция это подстанция, к которой присоединено более двух линий питающей сети, приходящих от двух или более электроустановок.
По назначению различают потребительские и системные подстанции. На шинах системных подстанций выполняется связь отдельных районов энергосистемы или различных энергосистем. Обычно это подстанции напряжением 220-500кВ.
Схема подстанций должна:
1. Обеспечивать надёжность электроснабжения потребителя подстанции и перетоков мощности по межсистемным связям в нормальном и в послеаварийном режиме;
2. Учитывать перспективу развития;
3. Допускать возможность постепенного расширения РУ всех напряжений;
4. Учитывать требования противоаварийной автоматики;
5. Обеспечить возможность проведения ремонтных и эксплутационных работ на отдельных элементах схемы без отключения соседних присоединений.
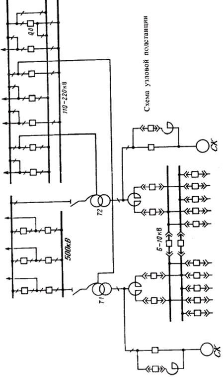
Схема мощной узловой подстанции.
На шинах 500кВ узловых подстанций выполняется связь отдельных частей энергосистемы или связь двух систем, поэтому к схемам на стороне ВН предъявляют повышенные требования в отношении надёжности. Обычно в таких случаях используют схемы с многократным присоединением линий: кольцевые схемы, полуторные и схемы трансформатор - шины с присоединением ЛЭП через два выключателя.
Информация в лекции "16 Естественные и искусственные электромеханические и механические характеристики дпв" поможет Вам.
На нижеприведённом рисунке показана схема мощной узловой подстанции. На стороне 500кВ использована схема шина – автотрансформатор. В цепи каждой линии – 2 выключателя, в цепи автотрансформаторов устанавливают разъединители с дистанционным управлением. При повреждении Т1 отключаются все выключатели, присоединённые к первой системе шин, работа линий ВН при этом не нарушается.
На стороне среднего напряжения 110-220кВ мощных подстанций применяется схема с одной рабочей и одной обходной системами шин или с двумя рабочими и одной обходной системами шин.
При выборе схемы на стороне НН в первую очередь решаются вопросы ограничения токов КЗ. Для этой цели можно использовать трансформаторы с повышенным значением напряжения короткого замыкания, трансформаторы с расщеплённой обмоткой НН или устанавливать реакторы в цепи трансформатора. В схеме, показанной ниже на стороне НН установлены сдвоенные реакторы. Синхронные компенсаторы с пусковыми реакторами подключены непосредственно к выводам НН автотрансформаторов. Подключение синхронных компенсаторов к шинам 6-10кВ привело бы к резкому увеличению токов КЗ. В цепях АТ со стороны НН для независимого регулирования напряжения могут устанавливаться линейные
![]() |
регулировочные трансформаторы.

Комплектная трансформаторная подстанция.
Открытые трансформаторные подстанции выполняют сборными и комплектными. Последние в настоящее время получили наиболее широкое применение. Строительство комплектных трансформаторных подстанций КТП сводится к сборке изготовленных на заводе узлов и блоков. К преимуществам КТП следует отнести: при строительстве – упрощение и ускорение проектирования и сооружения, а также уменьшение трудозатрат при сооружении подстанции, при эксплуатации – надёжность, простоту, безопасность обслуживания, минимальные расходы. Открытые КТП используют для электроснабжения промышленных предприятий, электрификации транспорта, сельского и коммунального хозяйства и т.д. открытые КТП изготовляют с трансформаторами мощностью от 100 до 40тыс.кВА. на вышеприведённом рисунке приведены план и разрез комплектной двухтрансформаторной подстанции типа КТП-110, напряжением 110/35/10-6кВ. подстанция состоит из 4-х основных частей: РУ-110, РУ-35, РУ-10-6кВ и силовых трансформаторов. Схема РУ-110кВ представляет из себя двойной мостик, для РУ-35кВ принято секционированная система сборных шин. Для РУ-6-10кВ обычно также принимают секционированную систему сборных шин.






















