Контроллеры 18 серии
КОНТРОЛЛЕРЫ 18 СЕРИИ

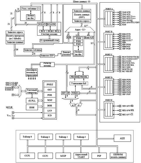
Карта памяти микроконтроллеров РIС18F242/442:
Память данных разделена на 16 банков по 256 байт. Младшие 4 бита регистра ВSR, используются для выбора текущего банка памяти (ВSR <3:0>). Старшие 4 бита не реализованы.
Память данных содержит регистры специального (SFR) и общего (GPR) назначения. Регистры SFR используются для управления ядром и периферийных модулей контроллера, в то время как GPR используются для хранения данных пользователя.


Регистры конфигурации контроллера:
Рекомендуемые материалы
Регистр конфигурации GONFIG1H (адрес 300001h)
| U-0 | U-0 | R/P - 1 | U-0 | U-0 | R/P - 1 | R/P - 1 | R/P - 1 |
| - | - | -OSCEN | - | - | FOSC2 | FOSC1 | FOSC0 |
| Бит 7 | Бит 0 |
бит 7-6 Не используется: читается как '0'
бит 5 -OSCEN: Разрешение переключения источника тактового сигнала
1 = функция переключения источника тактового сигнала заблокирована (только основной генератор)
0 = разрешено переключения источника тактового сигнала
бит 4-3 Не используется: читается как '0'
бит 2-0 FOSC2: FOSC0: Режим тактового генератора
111 = RС генератор, вывод OSC2 работает как RА6
110 = HS генератора с включенной функцией PLL. Тактовая частота =4xFosc
101 = ЕС режим генератора, вывод OSC2 работает как RА6
100 = ЕС режим генератора, на выводе OSC2 тактовая сигнал Fosc/4
011 = RС режим генератора
010 = НS режим генератора
001 = ХТ режим генератора
000 = LР режим генератора

Регистр конфигурации GONFIG2L (адрес 300002h)
| U-0 | U-0 | U-0 | U-0 | R/P - 1 | R/P - 1 | R/P - 1 | R/P - 1 |
| - | - | - | - | BORV1 | BORV0 | BODEN | -PWRTEN |
| Бит 7 | Бит 0 |
бит 7-4 Не используется: читается как '0'
бит З-2 BORV1: BORV0: Напряжение сброса ВОR
11 = VBOR = 2.0B
10 = VBOR = 2.7B
01 = VBOR = 4.2B
00 = VBOR = 4.5B
бит 1 BODEN: Разрешение сброса по снижению напряжение питания
1 = сброс ВОR разрешен
0 = сброс ВОR запрещен
Примечание. При разрешении сброса ВОR автоматически разрешается работа таймера PWRT независимо от состояния бита -PWRТЕN. Необходимо гарантировать, что при разрешении сброса ВОR включен таймер PWRT.
бит 0 -PWRTEN: Разрешение работы таймера включения питания
1 = PWRT включен
0 = PWRT выключен
Примечание. При разрешении сброса ВОR автоматически разрешается работа таймера PWRT независимо от состояния бита -PWRTEN. Необходимо гарантировать, что при разрешении сброса ВОR включен таймер PWRT.

Регистр конфигурации GONFIG2H (адрес 300003h)
| U-0 | U-0 | U-0 | U-0 | R/P - 1 | R/P - 1 | R/P - 1 | R/P - 1 |
| - | - | - | - | WDTPS2 | WDTPS1 | WDTPS0 | WDTEN |
| Бит 7 | Бит 0 |
бит 7-4 Не используется: читается как '0'
бит 3-1 WDTPS2: WDTPS0: Коэффициент постделителя WDT
111 =1:128
110 = 1:64
101 = 1:32
100 = 1:16
011 = 1:8
010 = 1:4
001 = 1:2
000 = 1:1
бит 0 WDTEN: Включение WDT
1 = WDT включен
0 = WDT выключен (управление битом SWDTEN)

Регистр конфигурации GONFIG3H (адрес 300005h)
| U-0 | U-0 | U-0 | U-0 | U-0 | U-0 | U-0 | R/P - 1 |
| - | - | - | - | - | - | - | CCP2MX |
| Бит 7 | Бит 0 |
бит 7-1 Не используется: читается как '0'
бит 0 CCP2MX: Управление мультиплексом ССР2
1 = вход/выход ССР2 подключен к выводу RC1
0 = вход/выход ССР2 подключен к выводу RB3

Регистр конфигурации GONFIG4L (адрес 300006h)
| R/P - 1 | U-0 | U-0 | U-0 | U-0 | R/P - 1 | U-0 | R/P - 1 |
| -DEBUG | - | - | - | - | LVP | - | STVREN |
| Бит 7 | Бит 0 |
бит 7 -DEBUG: Включение внутрисхемной отладки
1 = внутрисхемная отладка выключена, выводы RВ6 и RВ7 работают как каналы вводы/вывода
0 = внутрисхемная отладка включена, выводы RВ6 и RВ7 используются отладчиком
бит 6-3 Не используется: читается как '0'
бит 2 LVP: Разрешения низковольтного программирования
1 = низковольтное программирование разрешено
0 = низковольтное программирование запрещено
бит 1 Не используется: читается как '0'
бит 0 STVREN: Сброс при переполнении/исчерпании стека
1 = при переполнении/исчерпании стека происходит сброс микроконтроллера
0 = при переполнении/исчерпании стека сброс микроконтроллера не выполняется

Регистр конфигурации GONFIG5L (адрес 300008h)
| U-0 | U-0 | U-0 | U-0 | R/С - 1 | R/С - 1 | R/С - 1 | R/С - 1 |
| - | - | - | - | CP3(1) | CP2(1) | CP1(1) | CP0(1) |
| Бит 7 | Бит 0 |
бит 7-4 Не используется: читается как '0'
бит 3 CP3: Защита памяти программ(1)
1 = блок 3 (006000 – 007FFFh) защита выключена
0 = блок 3 (006000 – 007FFFh) защита включена
бит 2 СР2: Защита памяти программ(1)
1 = блок 2 (004000 – 005FFFh) защита выключена
0 = блок 2 (004000 – 005FFFh) защита включена
бит 1 СР1: Защита памяти программ
1 = блок 1 (002000 - 003FFFh) защита выключена
0 = блок 1 (002000 - 003FFFh) защита включена
бит 0 СР0: Защита памяти программ
1 = блок 0 (000200 -001FFFh) защита выключена
0 = блок 0 (000200- 001 FFFh) защита включена
Примечание 1. Не реализованы в РIС18FХ42, должны быть оставлены не запрограммированными.

Регистр конфигурации GONFIG5H (адрес 300009h)
| R/С - 1 | R/С - 1 | U-0 | U-0 | U-0 | U-0 | U-0 | U-0 |
| CPD | CPB | - | - | - | - | - | - |
| Бит 7 | Бит 0 |
бит 7 СРD: Защита ЕЕРRОМ памяти данных
1 = защита ЕЕРRОМ памяти данных выключена
0 = защита ЕЕРRОМ памяти данных включена
Сит 6 СРВ: Защита памяти программ
1 = загрузочный блок (000000 - 0001FFh) защита выключена
0 = загрузочный блок (000000 - 0001FFh) защита включена
бит 5-0 Не используется: читается как '0'

Регистр конфигурации GONFIG6L (адрес 30000Ah)
| U-0 | U-0 | U-0 | U-0 | R/P - 1 | R/P - 1 | R/P - 1 | R/P - 1 |
| - | - | - | - | WRT3(1) | WRT2(1) | WRT1(1) | WRT0(1) |
| Бит 7 | Бит 0 |
бит 7 - 4 Не используется: читается как '0'
бит 3 WRT3: Защита записи в память программ(1)
1 = блок 3 (006000 - 007FFFh) защита выключена
0 = блок 3 (006000 - 007FFFh) защита включена
бит 2 WRT2: Защита записи в память программ(1)
1 = блок 2 (004000 - 005FFFh) защита выключена
0 = блок 2 (004000 - 005 FFFh) защита включена
бит 1 WRT1: Защита записи в память программ
1 = блок 1 (002000 - 003FFFh) защита выключена
0 = блок 1 (002000 - 003FFFh) защита включена
бит 0 WRT0: Защита записи в память программ
1 = блок 0 (000200-001FFFh) защита выключена
0 = блок 0 (000200 - 001FFFh) защита включена
Примечание 1. Не реализованы в РIС18FХ42. должны быть оставлены не запрограммированными.

Регистр конфигурации GONFIG6H (адрес 30000Bh)
| R/P - 1 | R/P - 1 | R/P - 1 | U-0 | U-0 | U-0 | U-0 | U-0 |
| WRTD | WRTB | WRTC | - | - | - | - | - |
| Бит 7 | Бит 0 |
Бит7 WRTD: Защита записи EEPROM память данных
1 = запись в ЕЕРRОМ память данных разрешена
0 = запись в ЕЕРRОМ память данных запрещена
бит 6 WRTB: Защита записи в память программ
1 = загрузочный блок (000000 - 0001FFh) защита выключена
0 = загрузочный блок (000000 - 0001FFh) защита включена
бит 5 WRTC: Защита записи в регистры конфигурации
1 = регистры конфигурации (300000 - 3000FFh) защита выключена
0 = регистры конфигурации (300000 - 3000FFh) защита включена
бит 4-0 Не используется: читается как '0'

Регистр конфигурации GONFIG7L (адрес 30000Ch)
| U-0 | U-0 | U-0 | U-0 | R/P - 1 | R/P - 1 | R/P - 1 | R/P - 1 |
| - | - | - | - | EBTR3(1) | EBTR2(1) | EBTR1(1) | EBTR0(1) |
| Бит 7 | Бит 0 |
бит 7 Не используется: читается как '0'
бит 3 EBTR3: Защита памяти программ от табличного чтения(1)
1 = блок 3 (006000 - 007FFFh) защита выключена
0 = блок 3 (006000 - 007FFFh) защита включена
бит 2 EBTR2: Защита памяти программ от табличного чтения(1)
1 = блок 2 (004000 - 005FFFh) защита выключена
0 = блох 2 (004000 - 005FFFh) защита включена
бит 1 EBTR1: Защита памяти программ от табличного чтения
1 = блок 1 (002000 - 003FFFh) защита выключена
0 = блок 1 (002000 - 003FFFh) защита включена
бит 0 EBTR0: Защита памяти программ от табличного чтения
1 = блок 0 (000200- 001FFFh) защита выключена
0 = блок 0 (000200- 001FFFh) защита включена
Примечание 1. Не реализованы в РIС18FХ42. должны быть оставлены не запрограммированными.

Регистр конфигурации GONFIG7H (адрес 30000Dh)
| U-0 | R/P - 1 | U-0 | U-0 | U-0 | U-0 | U-0 | U-0 |
| - | EBTRB | - | - | - | - | - | - |
| Бит 7 | Бит 0 |
бит 7 Не используется: читается как '0'
бит 6 EBTRB: Защита памяти программ от табличного чтения
1 = загрузочный блок (000000 – 0001FFh) защита выключена
0 = загрузочный блок (000000 - 0001FFh) защита включена
бит 5-0 Не используется: читается как'0'

Регистр RCON
| R/W - 0 | U-0 | U-0 | R/W - 1 | R/W - 1 | R/W - 1 | R/W - 1 | R/W - 1 |
| IPEN | - | - | -RI | -TO | -PD | -POR | -BOR |
| 7 | 0 |
R - чтение бита
W - запись бита
U - не реализовано, читается как 0
- n - значение после РОR
- х - неизвестное значение после РОR
бит 7: IPEN: Разрешение приоритетной системы прерываний
1 = приоритетная система прерываний разрешена
0 = приоритетная система прерываний выключена (для совместимости с РIС16СХХХ)
бит 6-5: Не используется: Читается как '0'
бит 4: -RI: Флаг выполнения команды RЕSЕТ
1 = команда RЕSЕТ не выполнялась
0 = сброс контроллера произошел
бит 3: -ТО: Флаг переполнения сторожевого таймера WDT
1 = после РОR или выполнения команд CLRWDT, SLEEP
О = после переполнения WDT
бит 2: -PD: Флаг детектора выключения питания
1 = после РОR или выполнения команды CLRWDT
0 = после выполнения команды SLEEP
опт 1: -РОR: Флаг сброса по включению питания РОК
1 = сброса по включению питания не происходило
0 = произошел сброс по включению питания
бит 0: -BОR: Флаг сброса по снижению напряжения питания
1 = сброса по снижению напряжения питания не происходило
0 = произошел сброс по снижению напряжения питания
Регистр STATUS
| U-0 | U-0 | U-0 | R/W - x | R/W - x | R/W - x | R/W - x | R/W - x |
| - | - | - | N | OV | Z | DC | C |
| 7 | 0 |
R - чтение бита
W - запись бита
U - не реализовано, читается как 0
- n - значение после РОR
- х - неизвестное значение после РОR
бит 7-5: Не используется: Читается как '0'
бит 4: N: Флаг отрицательного результата
Этот бит используется для арифметики дополнения до 2. Флаг указывает на отрицательный результат (АЛУ МSB=1)
1 = отрицательный результат
0 = положительный результат
бит 3: OV: Флаг переполнения
Флаг указывает на переполнение 7-разрядного значения, что привело к изменению старшего бита банта
1 = произошло переполнение
0 = переполнения не было
бит 2: Z: Флаг нулевого результата
1 = нулевой результат выполнения арифметической или логической операции
0 = не нулевой результат выполнения арифметической или логической операции
бит 1: DC: Флаг десятичного переноса/заема
1 = был перенос из младшего полубайта
0 = не было переноса из младшего полубайта
бит 0: С: Флаг переноса/заема
1 = был перенос из старшего бита
0 = не было переноса из старшего бита
Примечание: Флаг заема имеет инверсное значение. Вычитание выполняется путем прибавления дополнительного кода второго операнда. При выполнении команды сдвига (RRF, RLF) бит С загружается старшим или младшим битом сдвигаемого регистра.
Аппаратный умножитель 8х8
| Умножение | Метод умножения | Память программ (слов) | Циклов (макс.) | Длительность | ||
| @ 40 МГц | @ 10 МГц | @ 4 МГц | ||||
| 8*8 unsigned | Без аппаратного умножения | 13 | 69 | 6.9 мкс | 27.6 мкс | 69 мкс |
| С аппаратного умножения | 1 | 1 | 100 нс | 400 нс | 1 мкс | |
| 8*8 signed | Без аппаратного умножения | 33 | 91 | 9.1 мкс | 36.4 мкс | 91 мкс |
| С аппаратного умножения | 6 | 6 | 600 нс | 2.4 мкс | 6 мкс | |
| 16*16 unsigned | Без аппаратного умножения | 21 | 242 | 24.2 мкс | 96.8 мкс | 242 мкс |
| С аппаратного умножения | 24 | 24 | 2.4 мкс | 9.6 мкс | 24 мкс | |
| 16*16 signed | Без аппаратного умножения | 52 | 254 | 25.4 мкс | 102.6 мкс | 254 мкс |
| С аппаратного умножения | 36 | 36 | 3.6 мкс | 14.4 мкс | 36 мкс |
Операция умножения выполняется за один машинный цикл. Результатом является беззнаковое 16-разрядное число, которое сохраняется в спаренном регистре PRODH:PRODL. Умножение не изменяет состояние флагов регистра STATUS.
Использование аппаратного умножения 8х8 дает следующие преимущества:
Рекомендуем посмотреть лекцию "2.3 Кривые Безье".
• Более высокая вычислительная мощность
• Уменьшение кода программы на алгоритмы умножения
• Увеличение вычислительной мощности позволяет использовать микроконтроллеры
РIС18FХХ2 в приложениях, в которых применяются DSР.
Для выполнения беззнакового умножения 8х8 необходимо только одна команда микроконтроллера, если один из параметров уже загружен в WREG.
Для выполнения знакового умножения 8х8. чтобы получить знак результата, необходимо проверить старший бит каждого байта.






















