Правила Кирхгофа
Правила Кирхгофа

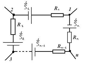
Составим замкнутую цепь из участков с источниками. Наличие и
, и R необязательно, но хотя бы один из них присутствует.
Запишем уравнение (4) для каждого из участков (этот замкнутый контур – часть большой схемы):

Сложим эти уравнения и получим
(5)
Второе правило Кирхгофа:
Алгебраическая сумма падений напряжений в замкнутом контуре равняется алгебраической сумме ЭДС, действующих в этом контуре.
Рекомендуемые материалы
Правило знаков:
1. Выбираем направление обхода контура произвольно (по часовой стрелке или против)
2. Если ток течёт вдоль направления обхода, то произведению
присваивается знак «+», если против направления – знак «–»
3. Если в направлении обхода имеет место положительный скачок потенциала (от «-» к «+»), то ЭДС приписывается знак «+», если же отрицательный, то знак «-».
Точка на схеме, в которую сходится не менее трёх проводников, называется узлом.
Из закона сохранения заряда следует
Первое правило Кирхгофа:
Алгебраическая сумма токов, сходящихся к узлу, равна нулю.
(6)
Ток, подходящий к узлу, имеет один знак, уходящий – другой.
Погрешности в электроизмерительных приборах
0.5, 1.0, 2.0 – класс точности прибора(γ);
,
- абсолютная погрешность, имеющая место в любом месте шкалы;
- верхний предел шкалы прибора.
Пример:
:
1)

;
2)
:
.
Задача
Обратите внимание на лекцию "Часть 3".
Однородная слабопроводящая среда с удельным сопротивлением
заполняет пространство между двумя цилиндрами. Цилиндры выполнены из идеально проводящего тонкого металла, то есть потенциалы всех точек каждого цилиндра одинаковы.
Требуется найти сопротивление R.
Решение
Ток течёт от внутреннего цилиндра к внешнему. Формула
неприменима, так как сечение постоянно меняется. Выделим тонкий цилиндрический слой на расстоянии r от центра толщиной dr . Полное сопротивление – это сумма сопротивлений цилиндрических слоёв.
dR – сопротивление цилиндрического слоя:
.























