Определение текущей и остаточной нефтегазонасыщенности пластов
Определение текущей и остаточной нефтегазонасыщенности пластов
|
|
Под текущей нефтегазонасыщенностью пласта следует по понимать количество нефти или газа в породе па определенное время разработки месторождения. Она оценивается коэффициентом текущего нефтегазонасыщения: Кнг.т.=Vнг.т./Vпор. представляющим собой отношение текущего объема нефти или газа к объему пор коллектора.
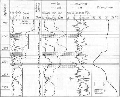
Рис. 171. Пример определения коэффициента текущего нефтенасыщения Кнг.т. обводненных пластов (Самотлорское месторождение, пласт БВ8, скв. 10391).
Люди также интересуются этой лекцией: 5 Суммарное давление жидкости на криволинейную поверхность.
1 — условная пулевая линия глин; 2 — обводненные продуктивные пласты
Остаточная нефтегазонасыщенность — это то количество нефти и газа, которое остается в пласте на момент окончания разработки залежи. Коэффициент остаточного нефтегазонасыщения Кнг.о=Vнг.о/Vп где Vнг.о -объем оставшихся нефти и газа.
По данным коэффициентов начального Кн.нач и остаточной Кн.о нефтенасыщения устанавливается коэффициент конечного вытеснения нефти:
При вытеснении нефти и газа из пласта водой, близкой по минерализации к пластовой, коэффициент Кнг.т в открытом стволе скважины определяется по данным методов сопротивления. Определение Кнг.т значительно усложняется при нагнетании в пласт пресных вод. В этом случае необходимо знать удельное сопротивление смеси пластовой воды с нагнетаемой pсм, которое можно оценить по данным метода потенциалов СП. Пример определения Кнг.т. показан на рис. 171.
Для определения коэффициента текущего нефтенасыщения Кнг.т. в обсаженных скважинах разработана методика на основе данных импульсно-нейтронных методов (ИННМ-Т, ИНГМ) при минерализации пластовых вод не менее 150 г/л.
Коэффициент текущего газонасыщения находится по данным НГМ или ННМ-Т.






















