Финансовый капитал
ФИНАНСОВЫЙ КАПИТАЛ НА ИНФОРМАЦИОННОМ РЫНКЕ РОССИИ
Акционирование редакций периодических изданий активизировало конкуренцию на информационном рынке и убыстрило процесс концентрации СМИ в России. Крупнейшие финансовые компании и банки не замедлили воспользоваться бедственным положением многих газет и журналов и, скупая их акции, превращали в свою собственность. Подобный процесс начался также на телевизионном и радиорынке.
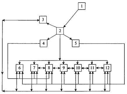
Рынок периодических изданий оказался поделенным между несколькими мощными информационно-издательскими концернами. Каждый из них представляет собой холдинг, т.е. объединение нескольких СМИ вокруг центра – компании, созданной Для управления возникшим таким образом конгломератом. Эти холдинги различаются лишь своим составом и типом включенных в них СМИ. Холдинг предоставляет ряд преимуществ его основателю и владельцу. Он упрощает управление входящими в него СМИ и другими организациями. Обычно его владелец создает управленческий центр, которому подчинены все редакции и компании холдинга. Это позволяет обеспечивать проведение ими единой политики, прежде всего экономической. Управленческий центр контролирует использование финансовых и других ресурсов, которые предоставляет холдингу его владелец. Преимуществом холдинга является возможность экономии немалых средств путем организации единой службы распространения печатных периодических изданий и централизованного снабжения всех редакций оперативной актуальной информацией и рекламой. Холдинг позволяет проводить эффективную финансовую политику, регулируя финансовые потоки, направляя их, как по сообщающимся сосудам, из одного элемента единой системы в другой элемент, используя прибыль, заработанную одной редакцией, для восполнения убытков другой и добиваясь общего положительного эффекта (см. рисунок 5).

Рис. 5. СТРУКТУРА МЕДИАХОЛДИНГА
1. Учредитель, владелец холдинга (банк и др.)
2. Медиацентр управления холдингом
3. Финансовый центр
4. Центр распространения периодических изданий
Рекомендуемые материалы
5. Рекламный центр
6. Газета
7. Журнал
Вам также может быть полезна лекция "1.5 Системы с самонастройкой структуры".
8. Еженедельник
9. Телекомпания
10. Радиостанция
11. Интернет-СМИ
12. Книжное издательство























