Свойства последовательного соединения
Любые упражнения по изучению электротехники необходимо начинать с проработки лекционного материала и соответствующего раздела в учебнике. Следует также выучить правила составления уравнений и свойств соединений элементов схем.
СЕМИНАР 1
Свойства последовательного соединения
|
|
Rэкв = R1+R2+R3 I = E/R экв U = U1+U2+U3 = R1·I + R2·I + R3·I =Rэкв∙I |
Задача 1
Рекомендуемые материалы
Необходимо измерить напряжение 100В, вольтметром 10В, с внутренним сопротивлением 10кОм. Что сделать?
Добавить последовательно к вольтметру резистор Rдоб
|
| Расчёт
|
Вывод: последовательное соединение, являясь делителем напряжения, можно использовать для расширения пределов измерения вольтметров.
Задача 2
Определить эквивалентное сопротивление, токи в цепи.
|
| Iвх = I1+I2+I3 I1 = U/R1 = UG1 I2 = U/R2 = UG2 I3 =U/R3 = UG3 |
Задача 3
Определить эквивалентное сопротивление
|
| Рассматривая данную схему, видим, что схема имеет последовательно параллельную цепь, где резисторы с сопротивлениями 4 и 6 Ом соединены параллельно. Преобразуем этот участок, получаем 2,4 Ом. Далее резистор 17,6 Ом и резистор с 2,4 Ом соединены последовательно, поэтому получаем 20 Ом. Остаётся параллельно 20 Ом и 20 Ом. Ответ эквивалентное сопротивление 10 Ом. |
Расчёт
|
|
|
Задача 4
Определить эквивалентное сопротивление, если R1 = R4 = R5 = 5 Ом R3 = R2 = 10 Ом
|
| Участок с резисторами R4 и R5 закорочен, поэтому:
|
Задача 5
Синтезировать электрическую цепь из резисторов с номиналом 10 Ом, чтобы получилось эквивалентное 25 Ом.
Используем свойства последовательного и параллельного соединений

Метод эквивалентных преобразований
|
|
|
Задача 6
Определить показания приборов схемы рис 1, если R1 = 5 Ом, R4 = 8 Ом, R5 = 4 Ом, R3 = 6 Ом, R2 =2 Ом, Е = 100 В.
Расчёт проводим методом эквивалентных преобразований

Рис 1
Решение: запишем уравнения по законам Кирхгофа для проверки расчёта токов
|
|
|
Свернём схему, т.е. упростим схему и определим эквивалентное сопротивление:

Определим ток источника по закону Ома

Определим напряжение между узлами А и В, затем токи I2 и I3


Определим показания приборов:
Амперметр покажет значение тока I3 I3 = IA = 5 A
|
Рис 2 | Показания вольтметра. Рассмотрим контур рис 2. Запишем уравнения по закону Кирхгофа для выделенного контура:
|
|
|
Показания ваттметра:
|
Задачи для самостоятельной подготовки
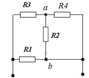
1. Определить Uab

2. Определить показания приборов
|
| Дано: R1 = 2 Ом, R4 =3 Ом, R5 = 1 Ом, R3 = 3 Ом, R2 = 3 Ом, Е = 75 В |
Лекция "10 - Физиология эндокринной системы" также может быть Вам полезна.
3. Найти эквивалентное сопротивление, определить показания приборов. Определить мощность приемника и мощность источника
|
| Дано: R1 = 10 Ом, R2 = 10 Ом, R3 = 20 Ом, U = 30 В |
4. Упростить схему















































