Транзисторные преобразователи частоты
Транзисторные преобразователи частоты (ТПЧ)
В ТПЧ в качестве преобразующего элемента используют биполярный или полевой транзистор. Под действием напряжения гетеродина
периодически с частотой
изменяется во времени крутизна S транзистора, за счет чего и происходит преобразование частоты.
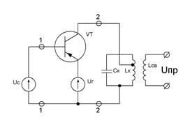
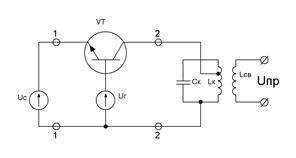
По аналогии с усилителем в ТПЧ напряжение сигнала может подаваться как в цепь базы (рис.1а) – схема с ОЭ, либо в цепь эмиттера (схема с ОБ – рис. 1б).


а) б)
Рис. 1 Транзисторный преобразователь частоты (ТПЧ).
На рис. 1а показана упрощенная схема по переменному току ТПЧ с ОЭ, в котором напряжение сигнала подано в цепь базы транзистора, а напряжение гетеродина – в цепь эмиттера. Для сигнала транзистор включен по схеме с ОЭ, а для гетеродина - по схеме с ОБ.
На рис. 1б показана схема ТПЧ с общей базой. В этой схеме напряжение сигнала подано в цепь эмиттера транзистора, а напряжение гетеродина – в цепь базы (для гетеродина это схема с ОЭ). В обоих преобразователях суммарное напряжение сигнала и гетеродина действует между эмиттером и базой. В преобразователе с ОЭ (рис. 1а) входной ток с частотой сигнала определяется током базы, а в преобразователе с ОБ (рис. 1б) – током эмиттера. Поскольку ток базы меньше тока эмиттера преобразователь с ОЭ потребляет от истчника сигнала меньший ток по сравнению с преобразователем с ОБ. Напряжение гетеродина можно подавать в цепь совместно с напряжением сигнала, однако при этом между цепями сигнала и гетеродина возникает связь, которая может привести к:
а) к взаимному влиянию настройки контуров сигнала и гетеродина,
Рекомендуемые материалы
б) к просачиванию напряжения с частотой сигнала в цепь гетеродина, что может вызвать синхронизацию гетеродина напряжением сигнала,
в) к излучению антенной приемника напряжение частотой гетеродина, если контур является входным, что создает помехи близко расположенным другим РПУ.
Для ослабления обозначенных отрицательных явлений напряжение сигнала и гетеродина подаются в различные цепи транзистора.
Схема преобразователя частоты на биполярном транзисторе с отдельным гетеродином показана на рис. 2.

Рис. 2 Транзисторный преобразователь частоты.
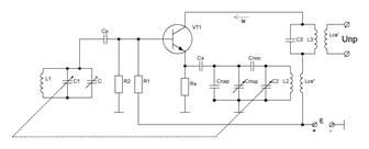
Напряжение гетеродина вводится в цепь эмиттера, выходной фильтр настроен на промежуточную частоту, в качестве фильтра используют сложный фильтр сосредоточенной селекции. Схема ПРЧ с совмещенным гетеродином представлена на рис. 3.

Рис. 3 Схема транзисторного преобразователя частоты (ТПЧ) с совмещенным гетеродином.
Контур L1,C1 настроен на частоту сигнала. Контур L2,C2 – на частоту гетеродина, контур L3,C3 – на промежуточную частоту. Коллекторный ток транзистора содержит помимо составляющих с частотами (
) составляющую с частотой гетеродина (т.е.
), которая в ТПЧ с отдельным гетеродином отфильтровывалась, а в ТПЧ совмещенным гетеродином (рис. 7) используется для получения колебаний с частотой гетеродина. Для генерирования колебаний с частотой гетеродина предусмотрена индуктивная обратная связь через катушку
с контуром L2,C2.
Настройка приемника осуществляется одновременным изменением емкости конденсаторов C1 и C2, контуров сигнала и гетеродина, которые обычно выбираются одинаковыми. При перестройке приемника необходимо обеспечить постоянную разность между частотами сигнала и гетеродина, т.е. получить
. Реально это условие (сопряжение контуров) можно выполнить только в некоторых точках диапазона рабочих частот. Для обеспечения сопряжения контуров в контур гетеродина включают специальные конденсаторы
и
.
Достоинства ПРЧ по схеме рис. 2:
1. Простота регулировки.
2. Независимость режима работы гетеродина и смесителя (ПЧ).
3. Возможность использования транзистора с меньшей граничной частотой и малое влияние перестройки УВЧ на работу гетеродина.
Недостатки:
1. Сложность схемы.
2. Увеличение потребляемой энергии.
3. Возможность проникновения в антенну колебаний гетеродина.
Достоинства работы ПЧ по схеме рис. 3:
Вместе с этой лекцией читают "Ключевые слова".
1. Простота и экономичность.
Недостатки:
1. Трудность обеспечения оптимального режима работы смесителя и гетеродина.
2. Низкая стабильность работы.
3. Сложность регулировки.
4. Высокий уровень нелинейных искажений.




















