Курсовая работа: Расчёт сложного трубопровода и подбор центробежного насоса
Описание
ЗАДАНИЕ
на курсовое проектирование
Студент ///////////////////////////////////
Тема курсового проекта «Расчет сложного трубопровода и подбор центробежного насоса»_
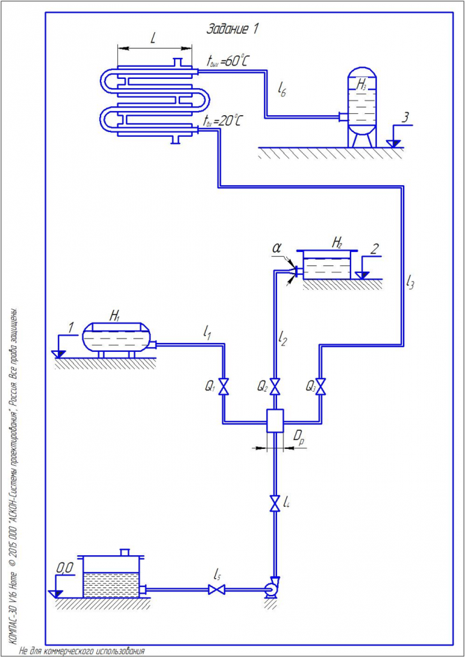
Исходные данные к проекту: Длины участков, м: l1=8 l2=13 l3=16 l4=1 l5=2 l6=3. Отметки установки приемных емкостей, м: z1=6 z2= 12 z3= 15. Свободный напор в точках потребления, м: H1=5 H2=10 H3=8. Расходы через ответвления, м3/ч: Q1=6 Q2=3 Q3=4. Диаметр расширительной емкости, м: Dp= 0,3. Угол раскрытия дифузора, α = 4. Длина теплообменника: L,м = 1,2.
Содержание графического материала:
чертежи: 1. Насос центробежный. Сборочный чертеж ( прил. А)
2. Насос центробежный. Спецификация ( прил. Б )
Содержание пояснительной записки:Пояснительная записка содержит расчет гидравлических параметров. Определение потерь напора в трубопроводе. Расчёт потребных напоров и выбор базовой ветви. Выбор стандартной гидравлической машины и анализ ее характеристик. Расчет конструкции и основных параметров работы насоса. Выбор электродвигателя. Выводы.

Характеристики курсовой работы
Список файлов

Комментарии
