Разработка технологии изготовления отливок - Стакан - «Разработка технологии изготовления отливки из чугуна литьём в песчаные формы»
Описание
Домашнее задание № 1
по технологии конструкционных материалов
«Разработка технологии изготовления отливки из чугуна
литьём в песчаные формы»
Домашнее задание № 1по технологии конструкционных материалов
«Разработка технологии изготовления отливки из чугуна
литьём в песчаные формы»
Условие

С учебной целью упрощения выполнения домашнего задания:
1) усадку материала в результате остывания не учитывать;
2) прибыли, выпоры, холодильники и жеребейки не показывать;
3) при подсчёте КИМ не учитывать объём металла, идущий на заполнение литниковой системы с последующим застыванием в ней;
4) При вычислении объёма отливки величину литейных уклонов учитывать обязательно, но не учитывать величину технологических радиусов скругления, которые, независимо от размеров отливки следует принимать равными 5 мм для наружных поверхностей и 7 мм – для внутренних.
Показать/скрыть дополнительное описание
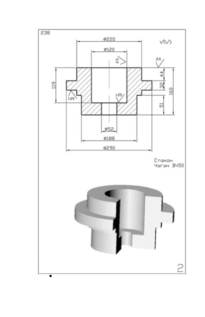
Домашнее задание № 1 по технологии конструкционных материалов «Разработка технологии изготовления отливки из чугуна литьём в песчаные формы» Условие Домашнее задание № 1 по технологии конструкционных материалов «Разработка технологии изготовления отливки из чугуна литьём в песчаные формы» Домашнее задание № 1 по технологии конструкционных материалов «Разработка технологии изготовления отливки из чугуна литьём в песчаные формы» Условие По заданному чертежу детали требуется изобразить форму отливки, определить коэффициент использования материала (КИМ), из нескольких возможных вариантов литья в песчаную форму выбрать наиболее рациональный и для него нарисовать литейную форму и модельный комплект.
Все расчёты полностью привести в домашнем задании. С учебной целью упрощения выполнения домашнего задания: 1) усадку материала в результате остывания не учитывать; 2) прибыли, выпоры, холодильники и жеребейки не показывать; 3) при подсчёте КИМ не учитывать объём металла, идущий на заполнение литниковой системы с последующим застыванием в ней; 4) При вычислении объёма отливки величину литейных уклонов учитывать обязательно, но не учитывать величину технологических радиусов скругления, которые, независимо от размеров отливки следует принимать равными 5 мм для наружных поверхностей и 7 мм – для внутренних..
Характеристики домашнего задания
Список файлов

Комментарии

