Главная » Учебные материалы » Математическое моделирование пластических деформаций (ММПД) (МТ-6) » Лабораторные работы » МГТУ им. Н.Э.Баумана » 7 семестр » Номер 3 » Исследование формоизменения и силовых параметров при осадке цилиндрической заготовки
Для студентов МГТУ им. Н.Э.Баумана по предмету Математическое моделирование пластических деформаций (ММПД) (МТ-6)Исследование формоизменения и силовых параметров при осадке цилиндрической заготовкиИсследование формоизменения и силовых параметров при осадке цилиндрической заготовки
5,0051
2024-08-31СтудИзба

Лабораторная работа 3: Исследование формоизменения и силовых параметров при осадке цилиндрической заготовки

-52%

Описание

Исследование формоизменения и силовых параметров при осадке цилиндрической заготовки

  • Цель работы:
Выполнить исследование по влиянию параметров смазки на формоизменение и силовые параметры при осадке цилиндрической заготовки на кривошипном горячештамповочном прессе (КГШП), используя моделирование технологического процесса в программном комплексе QForm.
  • Задачи работы:
  1. Выполнить компьютерное моделирование осадки цилиндрической заготовки в программе QForm, создав технологическую цепочку: охлаждение на воздухе – осадка.
  2. Используя результаты компьютерного моделирования операции осадки заготовки на КГШП, выполнить исследование по влиянию трения на формоизменение, неоднородность деформации и силу деформирования при осадке.
  3. Исследовать изменение распределения температуры по сечению поковки при охлаждении на воздухе, в инструменте и при осадке.
  • Содержание работы
В работе необходимо выполнить моделирование операции осадки цилиндрической заготовки. Студент самостоятельно создает исходную геометрию заготовки и инструмента в CAD-системе, и с помощью программы QDraft распределяет контура заготовки и инструментов по слоям, присвоив им стандартные имена. Моделирование осадки цилиндрической заготовки осуществить с варьированием параметров смазки (фактора трения), создав несколько вариантов расчета в одном проекте.
  • Последовательность проведения работы:
1. Создать файл геометрической модели бойков и заготовки в СAD программе.
2. Импортировать модели в редактор 2D геометрии QDraft.
3. Выполнить моделирование процесса состоящего из 2 операций : - охлаждение на воздухе –– осадка, используя параметры процесса.
4. Провести варианты моделирования технологического процесса, путем добавления новых вариантов в проект, изменяя параметры смазки согласно таблице. При отсутствии необходимых параметров смазки добавить в базу данных новый вид смазки.
5. По результатам моделирования определить:
- максимальную силу в конце осадки;
- значения температуры на поверхности и центральном слое заготовки в конце хода осадки;
- диаметральный размер заусенца и высоты бобышки заготовки в конце осадки.
  • Результаты проведения лабораторной работы
  • На основании полученных данных были построены графики зависимостей:
P=f(m)
D=f(m)
T=f(K)
  • Вывод

Файлы условия, демо

Характеристики лабораторной работы

Учебное заведение
Семестр
Номер задания
Просмотров
351
Качество
Идеальное компьютерное
Размер
6,9 Mb

Список файлов

Лабораторная работа 3 Осадка
Qform
M-1-1.ssz
M-1-2.ssz
M-2-1.ssz
M-2-2.ssz
M-3-1.ssz
M-3-2.ssz
M-4-1.ssz
M-4-2.ssz
M-5-1.ssz
M-5-2.ssz
M-6-1.ssz
M-6-2.ssz
S-1-1.log
S-1-1.ssd
S-1-1.ssi
S-2-1.log
S-2-1.ssd
S-2-1.ssi
S-3-1.log
S-3-1.ssd
S-3-1.ssi
S-4-1.log
S-4-1.ssd
S-4-1.ssi
S-5-1.log
S-5-1.ssd
S-5-1.ssi
S-6-1.log
S-6-1.ssd
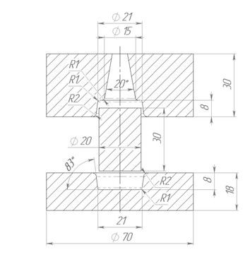
Картинка-подпись
Если вам всё понравилось, поставьте оценку и напишите пару слов о работе - так вы поможете другим покупателям. В благодарность мы вернём вам 40 рублей на счёт.❤️

Комментарии

Нет комментариев
Стань первым, кто что-нибудь напишет!
Поделитесь ссылкой:
Цена: 250 119 руб.
Расширенная гарантия +3 недели гарантии, +10% цены
Рейтинг покупателей
5 из 5
Поделитесь ссылкой:
Сопутствующие материалы

Подобрали для Вас услуги

-26%
Вы можете использовать лабораторную работу для примера, а также можете ссылаться на неё в своей работе. Авторство принадлежит автору работы, поэтому запрещено копировать текст из этой работы для любой публикации, в том числе в свою лабораторную работу в учебном заведении, без правильно оформленной ссылки. Читайте как правильно публиковать ссылки в своей работе.
Свежие статьи
Популярно сейчас
Как Вы думаете, сколько людей до Вас делали точно такое же задание? 99% студентов выполняют точно такие же задания, как и их предшественники год назад. Найдите нужный учебный материал на СтудИзбе!
Ответы на популярные вопросы
Да! Наши авторы собирают и выкладывают те работы, которые сдаются в Вашем учебном заведении ежегодно и уже проверены преподавателями.
Да! У нас любой человек может выложить любую учебную работу и зарабатывать на её продажах! Но каждый учебный материал публикуется только после тщательной проверки администрацией.
Вернём деньги! А если быть более точными, то автору даётся немного времени на исправление, а если не исправит или выйдет время, то вернём деньги в полном объёме!
Да! На равне с готовыми студенческими работами у нас продаются услуги. Цены на услуги видны сразу, то есть Вам нужно только указать параметры и сразу можно оплачивать.
Отзывы студентов
Ставлю 10/10
Все нравится, очень удобный сайт, помогает в учебе. Кроме этого, можно заработать самому, выставляя готовые учебные материалы на продажу здесь. Рейтинги и отзывы на преподавателей очень помогают сориентироваться в начале нового семестра. Спасибо за такую функцию. Ставлю максимальную оценку.
Лучшая платформа для успешной сдачи сессии
Познакомился со СтудИзбой благодаря своему другу, очень нравится интерфейс, количество доступных файлов, цена, в общем, все прекрасно. Даже сам продаю какие-то свои работы.
Студизба ван лав ❤
Очень офигенный сайт для студентов. Много полезных учебных материалов. Пользуюсь студизбой с октября 2021 года. Серьёзных нареканий нет. Хотелось бы, что бы ввели подписочную модель и сделали материалы дешевле 300 рублей в рамках подписки бесплатными.
Отличный сайт
Лично меня всё устраивает - и покупка, и продажа; и цены, и возможность предпросмотра куска файла, и обилие бесплатных файлов (в подборках по авторам, читай, ВУЗам и факультетам). Есть определённые баги, но всё решаемо, да и администраторы реагируют в течение суток.
Маленький отзыв о большом помощнике!
Студизба спасает в те моменты, когда сроки горят, а работ накопилось достаточно. Довольно удобный сайт с простой навигацией и огромным количеством материалов.
Студ. Изба как крупнейший сборник работ для студентов
Тут дофига бывает всего полезного. Печально, что бывают предметы по которым даже одного бесплатного решения нет, но это скорее вопрос к студентам. В остальном всё здорово.
Спасательный островок
Если уже не успеваешь разобраться или застрял на каком-то задание поможет тебе быстро и недорого решить твою проблему.
Всё и так отлично
Всё очень удобно. Особенно круто, что есть система бонусов и можно выводить остатки денег. Очень много качественных бесплатных файлов.
Отзыв о системе "Студизба"
Отличная платформа для распространения работ, востребованных студентами. Хорошо налаженная и качественная работа сайта, огромная база заданий и аудитория.
Отличный помощник
Отличный сайт с кучей полезных файлов, позволяющий найти много методичек / учебников / отзывов о вузах и преподователях.
Отлично помогает студентам в любой момент для решения трудных и незамедлительных задач
Хотелось бы больше конкретной информации о преподавателях. А так в принципе хороший сайт, всегда им пользуюсь и ни разу не было желания прекратить. Хороший сайт для помощи студентам, удобный и приятный интерфейс. Из недостатков можно выделить только отсутствия небольшого количества файлов.
Спасибо за шикарный сайт
Великолепный сайт на котором студент за не большие деньги может найти помощь с дз, проектами курсовыми, лабораторными, а также узнать отзывы на преподавателей и бесплатно скачать пособия.
Популярные преподаватели
Добавляйте материалы
и зарабатывайте!
Продажи идут автоматически
6895
Авторов
на СтудИзбе
268
Средний доход
с одного платного файла
Обучение Подробнее