Для студентов МГТУ им. Н.Э.Баумана по предмету Сопротивление материаловЗадача 5.1Задача 5.1
5,0059
2016-05-272025-10-18СтудИзба
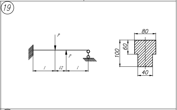
Задача 5.1 вариант 19
-48%
Описание

Характеристики решённой задачи
Предмет
Учебное заведение
Семестр
Номер задания
Вариант
Теги
Просмотров
1711
Качество
Фото рукописных листов
Размер
2,41 Mb
Список файлов
5.1.pdf
(5.1).pdf

Вам все понравилось? Получите кэшбэк - 40 рублей на Ваш счёт при покупке. Поставьте оценку и напишите положительный комментарий к купленному файлу. После Вы получите деньги на ваш счет.