Для студентов МГТУ им. Н.Э.Баумана по предмету Теоретические основы электротехники (ТОЭ)Вариант 18 - ДЗ №2Вариант 18 - ДЗ №2
4,92523704
2016-03-192021-11-05СтудИзба
Курсовая работа 2: Вариант 18 - ДЗ №2 вариант 18
Описание



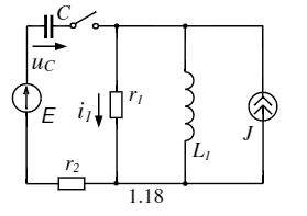
- Момент времени до коммутации t=0-
- Момент времени сразу после коммутации t=0+
- Установившийся режим после коммутации t=бесконечность
- Характеристическое уравнение
- Законы изменения тока i1(t) и напряжения Uc(t)
- Постоянная времени t(тау) цепи:
Характеристики курсовой работы
Учебное заведение
Семестр
Номер задания
Вариант
Просмотров
626
Качество
Идеальное компьютерное
Размер
113,36 Kb
Список файлов
Вариант 18 - ДЗ №2.docx

Вам все понравилось? Получите кэшбэк - 40 рублей на Ваш счёт при покупке. Поставьте оценку и напишите положительный комментарий к купленному файлу. После Вы получите деньги на ваш счет.