Для студентов МГТУ им. Н.Э.Баумана по предмету Теоретические основы электротехники (ТОЭ)Вариант 18 - ДЗ №1Вариант 18 - ДЗ №1
4,92522925
2016-03-192021-11-05СтудИзба
Курсовая работа 1: Вариант 18 - ДЗ №1 вариант 18
Описание
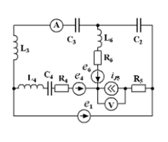
- Рассчитать токи в заданной схеме методом контурных токов, методом узловых потенциалов и неизвестный ток в одной из ветвей методом эквивалентного источника. Построить векторную диаграмму токов для одного из узлов. Определить показания приборов.
- В ответе указать значения токов в комплексной и во временной формах.
- Единицы измерения: e [В], i [А], R [Ом], L [мГн], C [мкФ].


Содержание
- Метод контурных токов
- Метод узловых потенциалов
- Метод эквивалентного источника
- Векторные диаграммы
- Показания приборов
Характеристики курсовой работы
Учебное заведение
Семестр
Номер задания
Вариант
Просмотров
619
Качество
Идеальное компьютерное
Размер
345,08 Kb
Список файлов
Вариант 18 - ДЗ №1.docx

Вам все понравилось? Получите кэшбэк - 40 рублей на Ваш счёт при покупке. Поставьте оценку и напишите положительный комментарий к купленному файлу. После Вы получите деньги на ваш счет.