ДЗ КМ-4: КМ-4. Основы JavaScript - использование элемента CANVAS для создания графики и анимации в Web. вариант 28
Новинка
Описание
☑️ Готовая работа - КМ-4. Основы JavaScript - использование элемента CANVAS для создания графики и анимации в Web. Вариант 28.
➡️ Готовые работы по курсу ⬅️▶️ Помощь с работами по курсу ◀️
Задание:
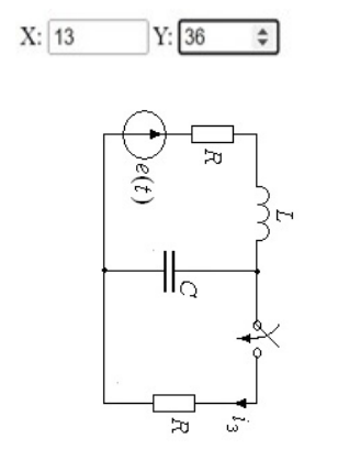
Задание на Письменную работу № 4:
с помощью конструкций jаvascript и CANVAS, нарисовать схему, изображенную на рисунке, размещенном ниже. Координаты левого верхнего угла рисунка должны задаваться в отдельных полях ввода, размещенных произвольно в текущем окне браузера (там же, где и рисунок схемы). При изменении координат рисунок должен ‘перерисовываться’ (перемещаться) в соответствии с новыми координатами.
![]()

Полное задание смотрите в "демо".
Курс Web-технологии - КМ-4. Основы JavaScript - использование элемента CANVAS для создания графики и анимации в Web.
Файлы условия, демо
Характеристики домашнего задания
Предмет
Учебное заведение
Номер задания
Вариант
Программы
Теги
Просмотров
0
Качество
Идеальное компьютерное
Размер
1,58 Kb
Преподаватели
Список файлов
34
index.html
script.js
Комментарии
Нет комментариев
Стань первым, кто что-нибудь напишет!
ИДДО НИУ «МЭИ» 
studizboss







