Для студентов МГТУ им. Н.Э.Баумана по предмету Высоковакуумные механические насосыПроектирование турбомолекулярного вакуумного насосаПроектирование турбомолекулярного вакуумного насоса
4,985254
2024-06-272025-05-19СтудИзба
Курсовая работа: Проектирование турбомолекулярного вакуумного насоса
-50%
Описание
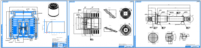
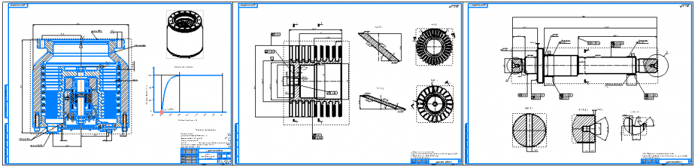
1)Расчеты в Mathcad 15, оформленные как приложения к РПЗ
2)Сборка в КОМПАС-3D
3)Чертежи в КОМПАС-3D
4)РПЗ в Microsoft Word
5)Презентация в Microsoft PowerPoint
6)Вся необходимая литература
7)Примеры курсовых работ
8)Полезные файлы
Характеристики курсовой работы
Учебное заведение
Теги
Просмотров
40
Качество
Идеальное компьютерное
Размер
118,27 Mb
Список файлов
10 семестр
Всякое
Асланов КР
Catalog - GMN Bearing USA _ HY KH 6006 C TA_files
0.
26177939.js.Без названия
KH.jpg
No-Photo-Available.png
abutment.jpg
all.css
analytics.js.Без названия
bat.js.Без названия
catalogue-style-mobile.css
catalogue-style.css
core.min.js.Без названия
cropped-GMN-Bearing-USA-102919.jpg
css.
css(1).
css(2).
custom.js.Без названия
ewd-ulb-main.css
fitvids.min.js.Без названия
font-awesome-5.min.css
getTrackingCode.
getTrackingCode(1).
gtm.js.Без названия
hotjar-2903332.js.Без названия
hoverIntent.min.js.Без названия
idle-timer.min.js.Без названия
index.js.Без названия
infusion.js.Без названия
Если тебе помогла данная работа, поставь оценку ❤️
МГТУ им. Н.Э.Баумана
bomonec


















