Для студентов МГТУ им. Н.Э.Баумана по предмету Управление техническими системами (УТС)ДЗ1(п.1-4) и ДЗ2(п.5-8) Вариант 17ДЗ1(п.1-4) и ДЗ2(п.5-8) Вариант 17
5,0054
2020-12-222020-12-22СтудИзба
ДЗ: ДЗ1(п.1-4) и ДЗ2(п.5-8) Вариант 17 вариант 17
Описание
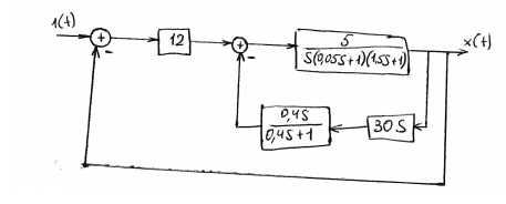
Условие: 
Характеристики домашнего задания
Учебное заведение
Семестр
Вариант
Просмотров
120
Качество
Скан рукописных листов
Размер
3,64 Mb
МГТУ им. Н.Э.Баумана
studentsostazhem



















