Для студентов МГТУ им. Н.Э.Баумана по предмету Управление процессами и оборудованием ОМД (МТ-6)Исследование штамповки поковки оси ступицы заднего колесаИсследование штамповки поковки оси ступицы заднего колеса
5,0052
2021-01-152021-01-15СтудИзба
ДЗ: Исследование штамповки поковки оси ступицы заднего колеса
Описание
Исследование штамповки поковки оси ступицы заднего колеса
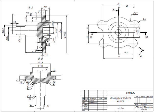
- 1. Параметры заготовки и чертеж детали

Вид деформации: Пластическая
Материал заготовки: Сталь 40ХГНМ
Оборудование: КГШП 6,3МН
Температура нагрева заготовки: 1050ºС
Температура подогрева инструмента: 200ºС
Материал инструмента: 4Х5МФС
Параметры смазки: Графит + вода
- 2. Разработка переходов штамповки
1. Выдавливание.
2. Окончательная штамповка.

- 3. Выбор кузнечно-штамповочной машины
- 4. Определение и анализ степени управляемости процесса и кшм. обоснование стратегии чпу и ее функциональная блок-схема.
- 5. Формулировка целевой функции и задачи управления заготовкой.
- 6. Анализ возможных управляющих параметров процесса и/или машины.
- 7. Цикловая диаграмма работы кшм и средств автоматизации.
- 8. Блок-схема алгоритма управления процессом.
- 9. Выбор датчиков прямой и обратной связи. список адресов входа и выхода контроллера для элементов системы управления.
- 10. Разработка программы управления в codesys.
- 11. Принципиальная схема системы чпу технологическим процессом.
- 12. Заключение.
- 13. Список литературы.
Характеристики домашнего задания
Учебное заведение
Просмотров
40
Качество
Идеальное компьютерное
Размер
774,89 Kb
Список файлов
Исследование штамповки поковки оси ступицы заднего колеса.docx

Вам все понравилось? Получите кэшбэк - 40 рублей на Ваш счёт при покупке. Поставьте оценку и напишите положительный комментарий к купленному файлу. После Вы получите деньги на ваш счет.