Для студентов МГТУ им. Н.Э.Баумана по предмету Управление процессами и оборудованием ОМД (МТ-6)Исследование штамповки поковки дискаИсследование штамповки поковки диска
5,0051
2021-01-152021-01-15СтудИзба
ДЗ: Исследование штамповки поковки диска
Описание
Разработка технического задания на проектирование системы ЧПУ процессом и оборудованием обработки металлов давлением
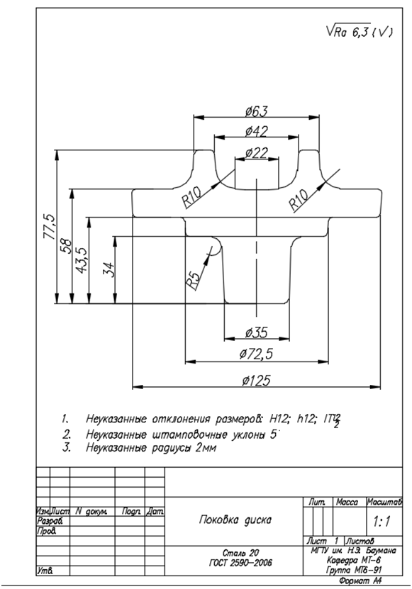
- 1. Параметры заготовки и чертеж детали.

Параметры расчета:
Вид деформации: Пластическая
Материал заготовки: Сталь 20
Оборудование: КГШП 6.3МН
Температура нагрева заготовки: 1180 ºС
Температура подогрева инструмента: 200ºС
Материал инструмента: 40Х
Параметры смазки: Графит + вода
- 2. Разработка переходов штамповки.
- 3. Выбор кузнечно-штамповочной машины.
- 4. Определение и анализ степени управляемости процесса и КШМ. Обоснование стратегии ЧПУ и ее функциональная блок-схему.
- 5. Формулировка целевой функции и задачи управления заготовкой.
- 6. Анализ возможных управляющих параметров процесса и/или машины.
- 7. Цикловая диаграмма работы КШМ и средств автоматизации.
- 8. Гистограмма числовых значений параметров требующихся деформирующих сил во время деформирования.
- 9. Блок-схема алгоритма управления процессом.
- 10. Выбор датчиков прямой и обратной связи. Список адресов входа и выхода контроллера для элементов системы управления.
- 11. Разработка программы управления.
- 12. Принципиальная схема системы ЧПУ технологическим процессом.
- 13. Заключение.
- 14. Литература.
Характеристики домашнего задания
Учебное заведение
Просмотров
11
Качество
Идеальное компьютерное
Размер
419,14 Kb
Список файлов
Исследование штамповки поковки диска.docx

Вам все понравилось? Получите кэшбэк - 40 рублей на Ваш счёт при покупке. Поставьте оценку и напишите положительный комментарий к купленному файлу. После Вы получите деньги на ваш счет.