Для студентов МГТУ им. Н.Э.Баумана по предмету Учебно-технологическая практика (УТП)Практика - Учебно-технологический практикумПрактика - Учебно-технологический практикум
4,92522952
2016-11-042024-09-27СтудИзба
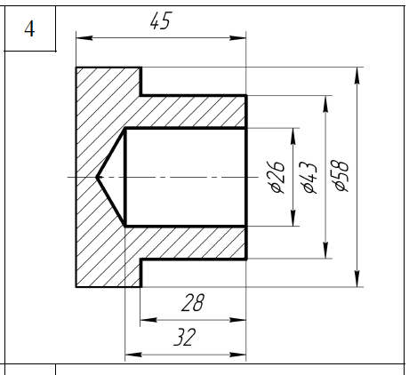
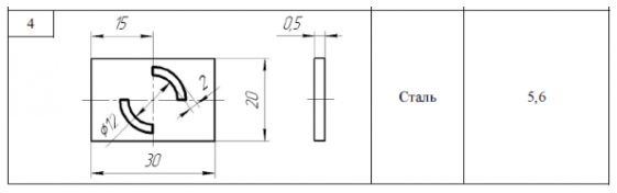
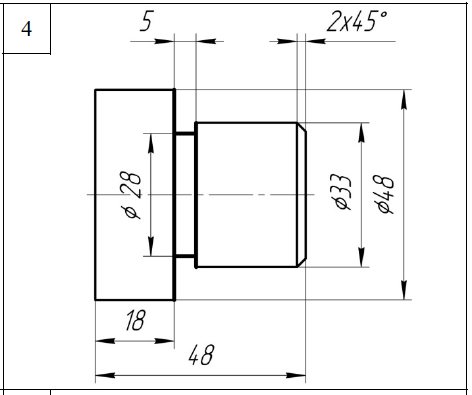
Рабочая тетрадь: Практика - Учебно-технологический практикум вариант 4
-56%
Описание
Заполненная рабочая тетрадь
Также есть лабораторные работы отдельно. Нажимай на ссылку, выбирай номер лабораторной работы и вариант
- Тема 1. Кинематические основы формообразования резанием
- Тема 2. Обработка заготовки точением
- Тема 4. Резьбонарезание
- Тема 5. Многоинструментальная обработка заготовок
- Тема 6. Обработка отверстий
- Тема 7. Обработка заготовок фрезерованием
- Тема 8. Зубофрезерование
- Тема 9. Обработка заготовок шлифованием
- Тема 10. Обработка заготовок методами поверхностного пластического деформирования
- Тема 11. Электроэрозионная обработка
- Тема 12. Обработка заготовок с использованием слесарных видов работ
- Тема 10. Обработка заготовок методами поверхностного пластического деформирования

Файлы условия, демо
Характеристики рабочей тетради
Учебное заведение
Семестр
Вариант
Просмотров
986
Качество
Идеальное компьютерное
Размер
16,77 Mb
Список файлов
Практика - Учебно-технологический практикум - Вариант (4).pdf

Вам все понравилось? Получите кэшбэк - 40 рублей на Ваш счёт при покупке. Поставьте оценку и напишите положительный комментарий к купленному файлу. После Вы получите деньги на ваш счет.